合宙低功耗4G模组Air780EQ——硬件设计手册02
Air780EQ是一款基于移芯EC716E平台设计的LTECat1无线通信模组。
支持FDD-LTE/TDD-LTE的4G远距离无线 传输技术。
另外,模组提供了USB/UART/I2C等通用接口满足IoT行业的各种应用诉求。
本文将继续介绍合宙Air780EQ的硬件设计中的应用接口,射频接口,电气特性,结构尺寸和存储生产等内容。
上文链接:https://www.cnblogs.com/openluat/p/18387367
二、应用接口
2.8 SIM卡接口
Air780EQ支持2路SIM卡接口,支持ETSI和IMT-2000卡规范,支持1.8V和3.0VUSIM卡。
以满足双SIM 卡切换的需求。
2.8.1. SIM接口
下表介绍了SIM接口的管脚定义。

2.8.2.双SIM卡切换说明
Air780EQ支持双卡单待,同一时间只能使用其中一个SIM通道。
可以通过相应的AT指令进行SIM卡 通道切换:
或者选择自动切换功能,系统会根据外部网络信号强度进行自动切换
(自动切换功能通常用 于同时使用不同运营商SIM卡的场景)。
具体指令请参考《4G模块AT命令手册》
注意:
- 模块开机会默认检测SIM1通道,在SIM1通道检测到SIM卡不在位的情况下才会去检测SIM2通 道。
- USIM_DET信号为SIM卡插拔检测管脚,上下边沿电平触发中断,触发系统进行SIM1通道的卡 在位检测。而SIM2通道不支持SIM卡插拔检测。
- 对于内置贴片SIM卡的双卡应用场景,如网络摄像头(IPC)场景,建议将贴片SIM卡置于SIM2 通道,外置插拔SIM卡座置于SIM1通道,以实现优先使用外置插拔SIM卡的效果。
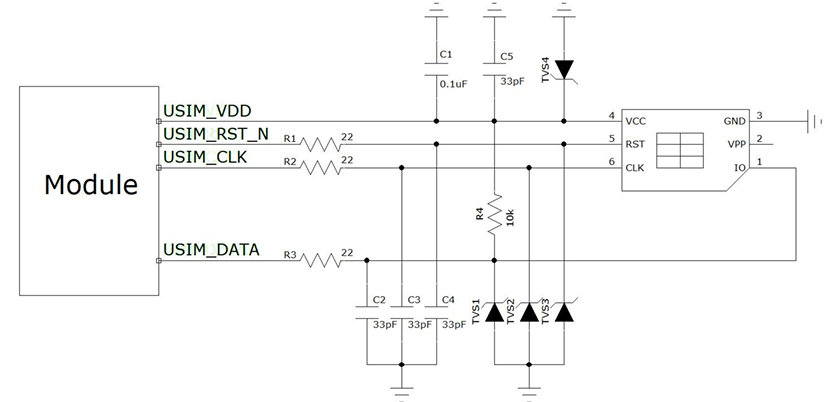
2.8.3. SIM 接口参考电路
下图是SIM接口的参考电路,使用6pin的SIM卡座

2.9. LDO 输出

注意:VDD_EXT不建议给外设供电,仅能做外部上拉用
2.10. 功能管脚
2.10.1. MAIN_RI

**MAIN_RI 信号动作 **

如果模块用作主叫方,MAIN_RI会保持高电平,收到URC信息或者短信时除外。
而模块用作被叫方时, MAIN_RI 的时序如下所示 。
语音呼叫时模块用作被叫方MAIN_RI时序:

数据呼叫时模块用作被叫方MAIN_RI时序:

模块主叫时MAIN_RI时序:

收到URC信息或者短信时MAIN_RI时序:

2.10.2. MAIN_DTR

模块支持两种睡眠模式:
睡眠模式1:发送AT+CSCLK=1,通过MAIN_DTR管脚电平控制模块是否进入睡眠
睡眠模式2:发送AT+CSCLK=2,模块在串口空闲一段时间后自动进入睡眠
具体参阅2.11.2睡眠模式
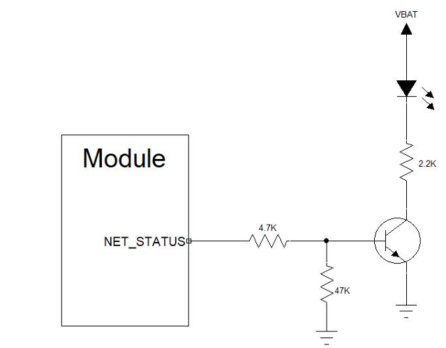
2.10.3.状态指示灯
Air780EQ用一个管脚来指示开机状态,用两个管脚信号来指示网络的状态。
如下两表分别描述了管脚定 义和不同网络状态下的逻辑电平变化.
网络指示管脚定义:

指示网络管脚的工作状态 :

指示灯参考电路如下图所示:

2.11. 省电功能
根据系统需求,有两种方式可以使模块进入到低功耗的状态。
对于AT版本使用“AT+CFUN”命令可以使模块 进入最少功能状态。
2.11.1. 最少功能模式/飞行模式
最少功能模式可以将模块功能减少到最小程度,
此模式可以通过发送“AT+CFUN=”命令来设置。
参数可以选择0,1,4。
- 0:最少功能(关闭RF和SIM卡);
- 1:全功能(默认);
- 4:关闭RF发送和接收功能;
如果使用“AT+CFUN=0”将模块设置为最少功能模式,射频部分和SIM卡部分的功能将会关闭。而串口依然 有效,但是与射频部分以及SIM卡部分相关的AT命令则不可用。
如果使用“AT+CFUN=4”设置模块,RF部分功能将会关闭,而串口依然有效。所有与RF部分相关的AT命令不 可用。
2.11.2. 睡眠模式(慢时钟模式)
2.11.2.1 串口应用
串口应用下支持两种睡眠模式:
睡眠模式1:通过MAIN_DTR管脚电平控制模块是否进入睡眠
睡眠模式2:模块在串口空闲一段时间后自动进入睡眠
2.11.2.1.1 睡眠模式 1
开启条件:
发送AT指令AT+CSCLK=1
模块进入睡眠:
控制MAIN_DTR脚拉高,模块会进入睡眠模式1
模块退出睡眠:
拉低MAIN_DTR脚50ms以上,模块会退出睡眠模式可以接受AT指令
模块在睡眠模式1时的软件功能: 不响应AT指令,但是收到数据/短信/来电会有URC上报
HOST 睡眠时,模块收到数据/短信/来电如何唤醒HOST: MAIN_RI 信号
2.11.2.1.2 睡眠模式 2
开启条件: 发送AT指令AT+CSLCK=2
模块进入睡眠: 串口空闲超过AT+WAKETIM配置的时间(默认5s),模块自动进入睡眠模式2
模块退出睡眠: 串口连续发送AT直到模块回应时即退出睡眠模式2。不响应DTR管脚中断唤醒
模块在睡眠模式2时的软件功能: 不响应AT指令,但是收到数据/短信/来电会有URC上报
HOST 睡眠时,模块收到数据/短信/来电如何唤醒HOST: MAIN_RI 信号
模块通过“AT+CFUN=0”或者“AT+CFUN=4”设置以后,可以通过“AT+CFUN=1”命令设置返回到全功能状态。
2.11.2.2 USB应用
开启条件: USBHOST必须支持USBsuspend/resume
模块进入睡眠: HOST发起USBsuspend
模块退出睡眠: HOST发起USBresume
HOST睡眠时,模块收到数据/短信/来电如何唤醒HOST: MAIN_RI信号
2.12. 模式切换汇总

具体的功耗数据请查询4.4功耗章节。
三、射频接口
天线接口管脚定义如下:
RF_ANT管脚定义:

3.1. 射频参考电路
注意:
- 连接到模块RF天线焊盘的RF走线必须使用微带线或者其他类型的RF走线,阻抗必须控制在50欧姆左右。
- 在靠近天线的地方预留Π型匹配电路,两颗电容默认不贴片,电阻默认贴0欧姆,待天线厂调试好天线以 后再贴上实际调试的匹配电路;
- Luat模块阻抗线及天线设计建议: https://doc.openluat.com/article/2430
3.2. RF 输出功率
RF传导功率:

3.3. RF传导灵敏度
RF传导灵敏度

3.4.工作频率


3.5. 推荐RF焊接方式
如果连接外置天线的射频连接器是通过焊接方式与模块相连的,请务必注意连接线的剥线方式及焊接方法, 尤其是地要焊接充分。
请按照下图中正确的焊接方式进行操作,以避免因焊接不良引起线损增大。

四、电器特性,可靠性,射频特性
4.1.绝对最大值
下表所示是模块数字、模拟管脚的电源供电电压电流最大耐受值

4.2.推荐工作条件

4.3.工作温度

4.4.功耗
4.4.1.模块工作电流
测试仪器:综测仪R&SCMW500,程控电源安捷伦66319D
测试条件:VBAT=3.8V,环境温度25℃,插入白卡,连接综测仪CMW500


4.4.2.实网模拟长连接功耗
模块联网功耗数据
模块低功耗模式下联网连接服务器定时心跳测试,模拟实际应用下的定时上报场景下功耗,从而能够估算出电 池的使用时间。
超低功耗方案参考:https://doc.openluat.com/wiki/50

各阶段耗流(中等信号强度下实网测试测试)

注意: 由于是实网测试,网络信号强度,注册频段,服务器响应时间都会对测试的值有较大影响,因此,此数据仅供 参考。
4.5.静电防护
在模块应用中,由于人体静电,微电子间带电摩擦等产生的静电,通过各种途径放电给模块,可能会对模 块造成一定的损坏,
所以ESD保护必须要重视,不管是在生产组装、测试,研发等过程,尤其在产品设计中, 都应采取防ESD保护措施。
如电路设计在接口处或易受ESD点增加ESD保护,生产中带防ESD手套等。
下表为模块重点PIN脚的ESD耐受电压情况。
表格:ESD性能参数(温度:25℃,湿度:45%)

五、模块尺寸图
该章节描述模块的机械尺寸以及客户使用该模块设计的推荐封装尺寸。
公差为+-0.2mm。
5.1. 机械尺寸
俯视及侧视尺寸图(单位:毫米):

底视尺寸图(单位:毫米):

5.2. 推荐PCB封装
正视图,Air780EQPCB封装(单位:毫米)

注意:
-
PCB 板上模块和其他元器件之间的间距建议至少3mm;
-
请访问:https://www.openluat.com/ 来获取模块的原理图PCB 封装库。
六、 存储和生产
6.1. 存储
Air780EQ以真空密封袋的形式出货。
模块的存储需遵循如下条件:
-
环境温度低于40摄氏度,空气湿度小于90%情况下,模块可在真空密封袋中存放12个月。
-
当真空密封袋打开后,若满足以下条件,模块可直接进行回流焊或其它高温流程:
-
模块环境温度低于30摄氏度,空气湿度小于60%,工厂在72小时以内完成贴片。
空气湿度小于10% 若模块处于如下条件,需要在贴片前进行烘烤:
* 当环境温度为23摄氏度(允许上下5摄氏度的波动)时,湿度指示卡显示湿度大于10%
- 当真空密封袋打开后,模块环境温度低于30摄氏度,空气湿度小于60%,但工厂未能在72小时以内完成贴 片
- 当真空密封袋打开后,模块存储空气湿度大于10% 如果模块需要烘烤,请在125摄氏度下(允许上下5摄氏度的波动)烘烤48小时。
注意:
模块的包装无法承受如此高温,在模块烘烤之前,请移除模块包装。
如果只需要短时间的烘烤,请 参考IPC/JEDECJ-STD-033 规范。
6.2. 生产焊接
用印刷刮板在网板上印刷锡膏,使锡膏通过网板开口漏印到PCB上,印刷刮板力度需调整合适,
为保证模 块印膏质量,Air780EQ模块焊盘部分对应的钢网厚度应为0.2mm。
印膏图:

为避免模块反复受热损伤,建议客户PCB板第一面完成回流焊后再贴模块。
推荐的炉温曲线图如下图所示:

七、术语缩写



到这里,关于合宙4G低功耗模组Air780EQ的硬件设计介绍就结束了。
详细资料获取: www.openluat.com

浙公网安备 33010602011771号