合宙Air700ECQ硬件设计手册——应用接口3
在以上的文章中我们介绍了合宙Air700ECQ的硬件设计相关的应用接口部分内容:
包含管脚描述,开关机,工作模式,USB接口,串口,I2C等内容。
Air700ECQ是一款高度集成的LTE Cat1无线通信模组,基于移芯EC716E平台设计,有着极小的封装和极高的性价比。
它支持移动双模FDD-LTE/TDD-LTE 4G远距离无线传输技术,能够广泛应用于共享设备、定位器、DTU数传等多种场景。
此外,Air700ECQ还提供了USB、串口、I2C等多种接口,以及灵活的电源供电方案,包括LDO和DCDC供电方式,确保了模块在各种复杂应用环境下的稳定性和可靠性。
我们接上文将继续介绍Air700ECQ的应用接口部分——SIM卡接口,功能管脚,省电功能,模式切换等内容。
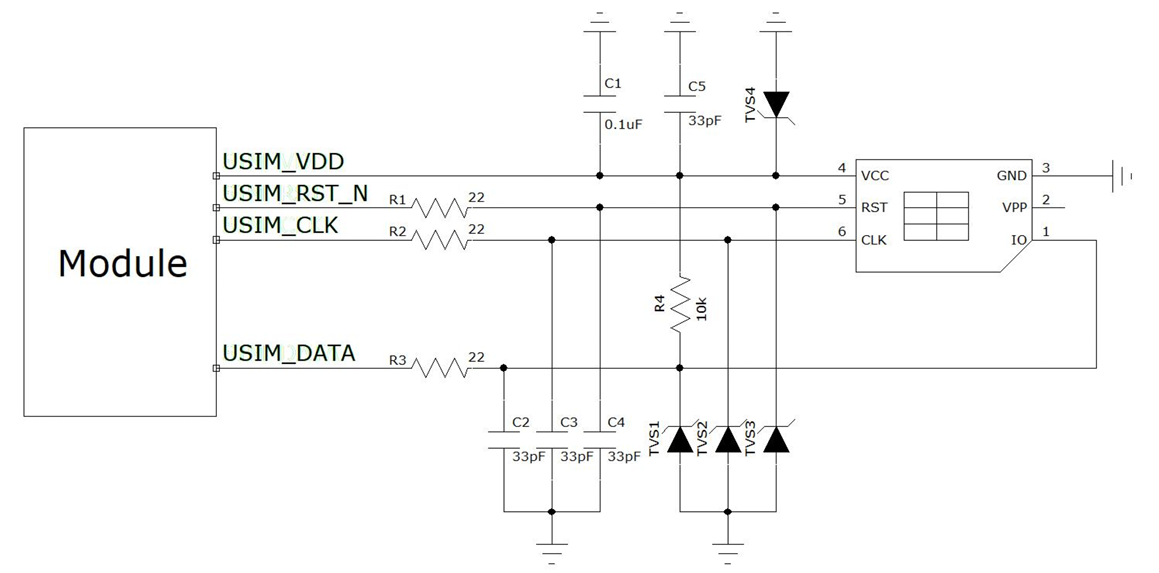
九、SIM卡接口
Air700ECQ 支持 1 路 SIM 卡接口,支持 ETSI 和 IMT-2000 卡规范,支持 1.8V 和 3.0V USIM 卡。
SIM 接口的管脚定义

下图是 SIM 接口的参考电路,使用 6pin 的 SIM 卡座。
下图为使用6pinSIM卡座参考电路图(SIM)

在SIM卡接口的电路设计中,为了确保SIM卡的良好的功能性能和不被损坏,在电路设计中建议遵循以下设计 原则:
- SIM卡座与模块距离摆件不能太远,越近越好,尽量保证SIM卡信号线布线不超过20cm。
2.SIM卡信号线布线远离RF线和VBAT电源线。
3.为了防止可能存在的USIM_CLK信号对USIM_DATA信号的串扰,两者布线不要太靠近,在两条走线之间增 加地屏蔽。且对USIM_RST_N信号也需要地保护。
4.为了保证良好的ESD保护,建议加TVS管,并靠近SIM卡座摆放。
5.选择的ESD器件寄生电容不大于50pF。
6.在 模块和SIM卡之间也可以串联22欧姆的电阻用以抑制杂散EMI,增强ESD防护。
7.SIM卡的外围电路必须尽量 靠近SIM卡座。
十、功能管脚
10.1. MAIN_RI

MAIN_RI 信号动作:

如果模块用作主叫方,MAIN_RI会保持高电平,收到URC信息或者短信时除外。而模块用作被叫方时,
MAIN_RI 的时序如下所示:
语音呼叫时模块用作被叫方MAIN_RI时序:

数据呼叫时模块用作被叫方MAIN_RI时序:

模块主叫时MAIN_RI时序

收到URC信息或者短信时MAIN_RI时序

10.2. MAIN_DTR

模块支持两种睡眠模式:
睡眠模式1:发送AT+CSCLK=1,通过MAIN_DTR管脚电平控制模块是否进入睡眠
睡眠模式2:发送AT+CSCLK=2,模块在串口空闲一段时间后自动进入睡眠
(具体参阅20.2睡眠模式,见后文)
10.3.状态指示灯
Air700ECQ用一个管脚来指示开机状态,用两个管脚信号来指示网络的状态。如下两表分别描述了管脚定 义和不同网络状态下的逻辑电平变化:
网络指示管脚定义:

指示网络管脚的工作状态:

指示灯参考电路如下图所示:

十一、省电功能
根据系统需求,有两种方式可以使模块进入到低功耗的状态。
对于AT版本使用“AT+CFUN”命令可以使模块 进入最少功能状态。
11.1. 最少功能模式/飞行模式
最少功能模式可以将模块功能减少到最小程度,此模式可以通过发送“AT+CFUN=”命令来设置。
参数可以选择0,1,4。
0:最少功能(关闭RF和SIM卡); 1:全功能(默认); 4:关闭RF发送和接收功能;
如果使用“AT+CFUN=0”将模块设置为最少功能模式,射频部分和SIM卡部分的功能将会关闭。
而串口依然 有效,但是与射频部分以及SIM卡部分相关的AT命令则不可用。
如果使用“AT+CFUN=4”设置模块,RF部分功能将会关闭,而串口依然有效。
所有与RF部分相关的AT命令不 可用。
模块通过“AT+CFUN=0”或者“AT+CFUN=4”设置以后,可以通过“AT+CFUN=1”命令设置返回到全功能状态。
11.2. 睡眠模式(慢时钟模式)
3.20.2.1 串口应用
串口应用下支持两种睡眠模式:
睡眠模式1:通过MAIN_DTR管脚电平控制模块是否进入睡眠
睡眠模式2:模块在串口空闲一段时间后自动进入睡眠
3.20.2.1.1 睡眠模式 1
开启条件: 发送AT指令AT+CSCLK=1
模块进入睡眠: 控制MAIN_DTR脚拉高,模块会进入睡眠模式1
模块退出睡眠: 拉低MAIN_DTR脚50ms以上,模块会退出睡眠模式可以接受AT指令
模块在睡眠模式1时的软件功能: 不响应AT指令,但是收到数据/短信/来电会有URC上报
HOST 睡眠时,模块收到数据/短信/来电如何唤醒HOST: MAIN_RI 信号
3.20.2.1.2 睡眠模式 2
开启条件: 发送AT指令AT+CSLCK=2
模块进入睡眠: 串口空闲超过AT+WAKETIM配置的时间(默认5s),模块自动进入睡眠模式2
模块退出睡眠: 串口连续发送AT直到模块回应时即退出睡眠模式2
注意此模式下不响应MAIN_DTR管脚动作
模块在睡眠模式2时的软件功能: 不响应AT指令,但是收到数据/短信/来电会有URC上报
HOST 睡眠时,模块收到数据/短信/来电如何唤醒HOST: MAIN_RI 信号
3.20.2.2 USB 应用
开启条件: USB HOST 必须支持USBsuspend/resume
模块进入睡眠: HOST 发起USBsuspend
模块退出睡眠:HOST发起USBresume
HOST睡眠时,模块收到数据/短信/来电如何唤醒HOST: MAIN_RI信号
十二、模式切换汇总

具体功耗数据见功耗章节(后文会介绍 )
详细资料获取请点击: www.openluat.com



浙公网安备 33010602011771号