英飞凌 | 驱动电路设计(二)——驱动器的输入侧探究
本文转载自:英飞凌工业半导体
驱动电路设计是功率半导体应用的难点,涉及到功率半导体的动态过程控制及器件的保护,实践性很强。为了方便实现可靠的驱动设计,英飞凌的驱动集成电路自带了一些重要的功能,本系列文章以阅读杂谈的方式讲详细讲解如何正确理解和应用这些功能,也建议读者阅读和收藏文章中推荐的资料以作参考。
驱动器的输入侧
一个可靠的功率半导体驱动电路设计要从输入侧开始,输入端可能会受到干扰,控制电路也会发生逻辑错误,可能的误触发会造成系统输出混乱,甚至损坏器件。
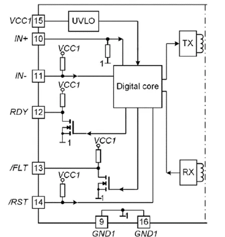
一个典型的无磁芯变压器耦合的隔离型驱动器输入测如框图所示,本文重点讲讲不起眼的IN+和IN-,其互锁、滤传输延时和窄脉冲抑制等。

图1. 1ED332xMC12N系列电隔离单通道驱动IC的输入侧框图
注:典型型号1ED3323MC12N 8.5A,5.7kV(rms)单通道隔离栅极驱动器,具有短路保护、有源米勒钳位和软关断功能,通过UL 1577和VDE 0884-11认证
IN+与IN-应用的使用方法
输入端的设计要从认识最基本的PWM信号输入端开始,一个单路功率半导体驱动电路如果带反相(IN-)和同相(IN+)输入引脚,这就提供了多种设计可能性,可通过连接PWM脉宽调制输入和使能/关闭逻辑信号,以满足各种控制和保护用途的需求。
互锁模式
互锁是避免半桥电路产生直通电流的有效功能,将上桥臂和下桥臂驱动IC的输入信号引脚按照下图的方法连接在一起,可实现半桥驱动,同时禁止两个通道的同时开通:
上桥臂驱动器的输入(IN+)与下桥臂驱动器的反相输入(IN-)相连;
下桥臂驱动器的输入(IN+)与上桥臂驱动器的反相输入(IN-)相连。

但这简单的互锁还是不够的,栅极驱动器和功率开关的开关延迟和边沿特性往往会导致短暂的上下桥臂直通现象。为避免功率开关的导通时间重叠,需要在微控制器中对PWM生成设置适当的死区时间,这是另外一个需要深入讨论的问题。
使能模式和关闭模式
驱动器上同时带有IN+和IN-引脚,从逻辑上讲两者同时是有效电平才有输出,我们设计中就可以拿出一个引脚作为使能和关闭的功能引脚,具体为:
使用IN+引脚作为使能信号(图2窄脉冲和延迟中的C区域),IN-就是反向逻辑PWM输入端。整个逆变器的栅极驱动器IC的IN+(设计中作为使能控制)连在一起,以便通过单个控制信号启动逆变器。
使用IN-引脚作为关闭信号(图2窄脉冲和延迟中的A和B区域),IN+就是正向逻辑PWM输入端。整个逆变器的栅极驱动器IC的IN-(设计中作为关闭控制)连在一起,以便通过单个控制信号关闭逆变器。

输入信号的滤波
抑制输入干扰的方法是在输入端接入简单的RC低通滤波器,以抑制影响正常工作的短脉冲。
阻容RC滤波器是抑制或减少串扰和寄生耦合效应的常用方法。然而,如图所示,外部简单的阻容滤波器并不精确,其误差不对称。尤其是当时间常数较大时,这可能会使得基于半桥的功率变换器需要更大死区时间,计算更加困难。

目前量产的EiceDRIVER™隔离型驱动都带有内置滤波,内部给电容充电的是电流源,实现具有对称容差和高精度的集成低通噪声滤波器。集成噪声滤波器可以减少对外部RC滤波器依赖。与没有集成噪声抑制滤波器的栅极驱动器集成电路相比,这种组合解决方案的性能更为出色。

窄脉冲抑制
IN+和IN-定义了最小脉冲宽度,使驱动电路能够抵御意外的小脉冲干扰,见下图A区和C区。
下图的时序是基于使能模式和关闭模式,A区NI-(设计中作为关闭控制)是低电平,关闭无效,这时IN+的脉冲应该出现的输出端。但是却没有,因为tIN+<tinfit,即脉冲宽度小于最小脉冲宽度,1ED332x系列的典型值为35ns。

图2. 窄脉冲和延迟
传输延时
上图B区中,IN+的脉冲宽度大于允许的最小脉冲宽度tinfit,驱动器就有输出了,但输出的前沿和后沿都有了一定的延时,分别为tPDON和tPDOFF,由于前沿后沿的延迟并不一致,会影响到输出脉冲宽度,尤其在脉冲宽度比较窄的时候影响更明显。细化的输出边沿特性和延时定义见下图,IN+以30%70%计,而输出OUT以20%80%计。

动态参数
驱动器的动态参数在时序设计中是比较重要,而且会受温度和负载的影响,在1ED332xMC12N数据手册表11中给出了18个项参数。
从下表中可以看出,由于采用的变压器隔离,其开通上升沿和关断的下降沿的延时偏差很小,比如上升延时,典型值80ns,最小值是74ns,最大是84ns。由于上下偏差仅10-11ns,对死区设计时很“省时间”,在高频开关应用也游刃有余。

参考资料
1.英飞凌工业半导体驱动技术合集
2.《IGBT模块:技术、驱动和应用》机械工业出版社
3.Infineon 1ED332xMC12N Technical Description Application Notes

浙公网安备 33010602011771号