安全门继电器的应用原理
一、基本介绍
1.由来
2.关键词
急停、安全门锁、门磁、手动准备按钮
3.电气符号 KS1
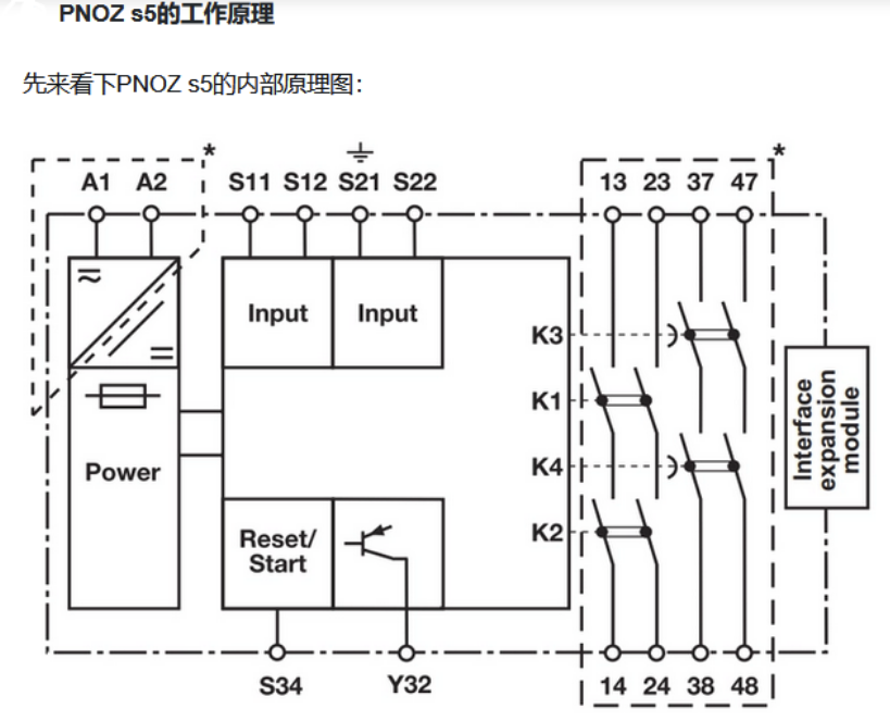
4.原理:由硬件和电路组合。

市面上常用皮尔磁安全继电器,由两对通道,三对触点,一对复位构成。
其工作条件:两对通道(理解为一个继电器内有两对串联的线圈)必须同时且持续接通,按下复位按钮后,其三对触点就响应相应的接通断开动作。
若有通道断开,则其触点立即响应相应的断开或接通动作,工作暂停,直到通道恢复持续接通状态,再进行复位才能继续工作。
5.应用场景
从硬件层面,安全快速响应。特别是急停按钮特别多,安全门比较多,一般情况两个安全继电器串连使用。如KS1的通道串联KS2的触点形成回路控制,KS2暂停工作则KS1也暂停工作。其触点信号一般会引入伺服驱动器,再引一个作为急停反馈信号。

二、再单独介绍一下皮尔兹安全门锁和门磁
皮尔磁作为公认的工控领域安全代表品牌之一,如果客户不知道选啥选这准没错。
这里有意思的东西是它的,门锁配套的门磁集成了磁性控制,无需单独供电 ,接触到磁性物体就能接通,供应商还特意介绍说做了技术专利保护。
门锁有两对插销常开触点【串入KS的通道中】,一对锁定反馈常开触点【反馈IO信号】,一组是锁定线圈【另加中继KA控制】。
门磁有两对触点信号【串入KS的通道中】。

浙公网安备 33010602011771号