二、UML图
1.什么是UML?
unified modeling language又称统一建模语言或标准建模语言,始于1997年一个OMG标准。
2.画UML图的工具
- IBM Rational
- Rose
- StartUML、Visio(流程图)
3.UML图分类
(1)类图(Class Diagram):描述类的信息(属性、方法),以及类和类之间的关系信息;
(2)用例图(Use Case Diagram):站在系统用户(系统角色)的角度分析系统存在哪些功能

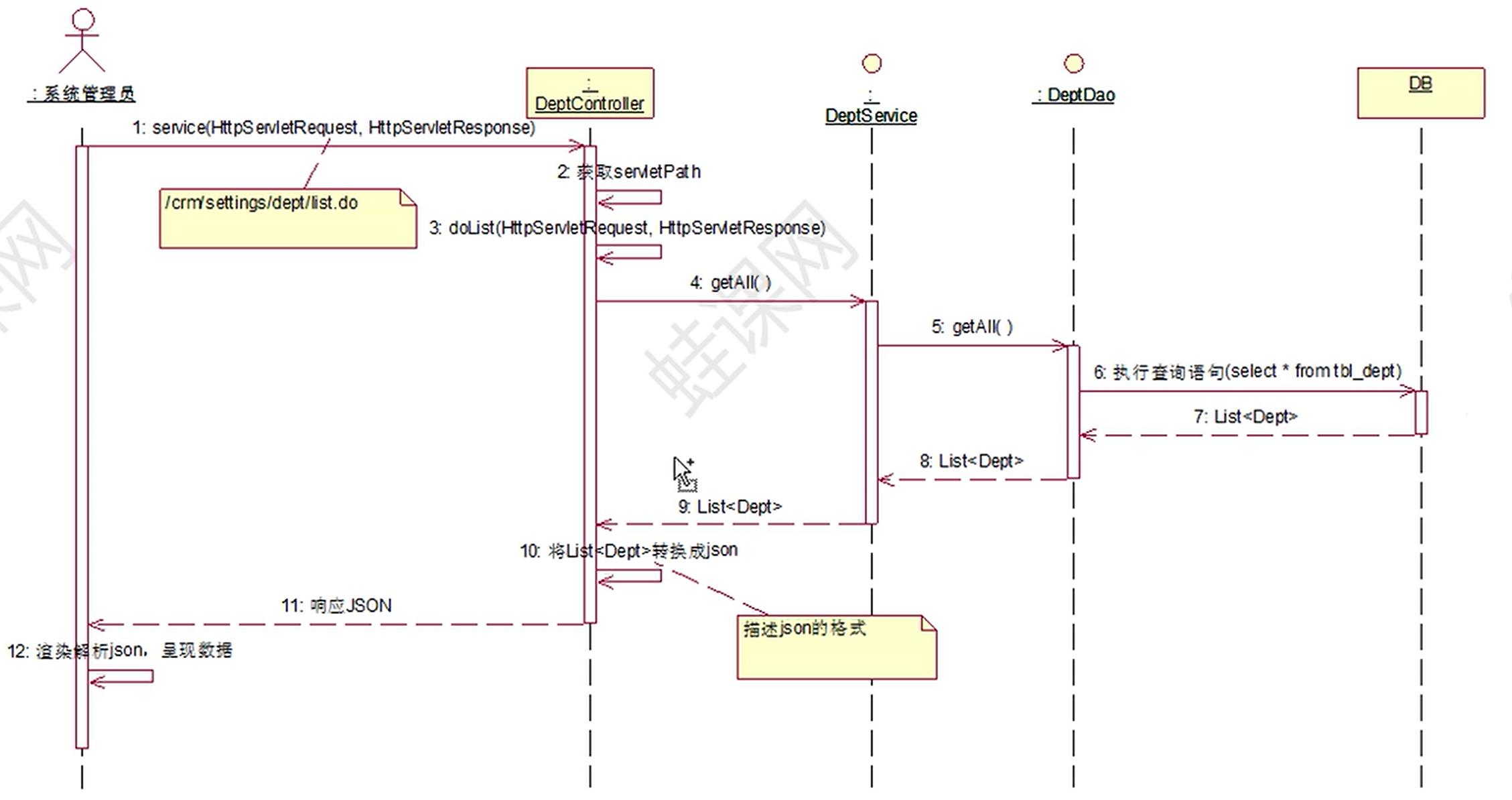
(3)时序图(Sequence Diagram):描述程序的执行过程,方法的调用过程,方法的返回值等信息。(程序是一步一步怎么执行)
用例图当中的一个用例会对应时序图当中的一个时序图


- 小人:动作的发起人
- 矩形/小圆圈:对象
- 实线箭头:调用
- 虚线箭头:返回
- 柱状:对象的生命周期,柱状不能断,在同一个流程中不能断
- 回折线:当前类的方法执行过程中调用自己当前类中其他的方法

4.类和类之间的关系
(1)泛化(is a:Cat is a Animal-->继承)
体现在类和类、接口和接口的继承
类图(实线三角形箭头,指向父类)

(2)实现(like a:Cooker like a Foodmenu)
体现在类的实现
类图(虚线三角形箭头,指向父类)

(3)关联(has a:Programmer has a Computer)

自关联
style="zoom:50%"

(4)聚合
聚合关系描述的是整体和部分的关系,聚合关系是比较特殊的关联关系,比如:一个教室当中有很多个学生,教室和学生之间的关系就是整体和部分的关系,在聚合关系描述的是整体和部分的关系,聚合关系是比较特殊的关联关系,比如:一个教室当中有很多个学生,教室和学生之间的关系就是整体和部分的关系,在聚合关系中,整体的生命周期不会决定部分的生命周期,例如:教室没了,学生还在,或者说学生走了,教室还在。

(5)组合
组合关系可以看做是一种特殊的聚合关系,整体的生命周期决定部分的生命周期,部分是依附在整体上面的,部分离开了整体是无法“存活的”。例如:人和四肢的关系。

体现在成员变量中
在IntelliJ IDEA以实线+菱形箭头+普通箭头表示,菱形箭头指向整体,普通箭头指向部分,箭头两端的数字表示实例的个数
(6)依赖
依赖关系是所有关系中最弱的一种,通常体现在类和局部变量之间。
体现在局部变量、方法的参数或者对静态方法的调用
类图(虚线普通箭头,指向被调用者,其中带有create的虚线是指创建(new)被调用者)
5.IDEA自带UML图
(1)选中所需要的类,右键单击Diagrams,之后点击show Diagrams PopUp,或者快捷键Ctrl+Alt+U
(2)工具栏

参考链接:
【2】顺序图的语法和功能
浙公网安备 33010602011771号