北方人North组合【电子公文传输系统·团队项目】第三次作业 确定分工
项目名:电子公文传输系统
成员:20201301龚天翼、20201302姬正坤、20201306吴龙灿、20201309李响、20201331黄文刚
撰写:20201309李响
日期:2021.11.3
一、规格需求说明书的修改
·对于功能方面,在此之前我们忽略了数据库,于是这次补充了数据库功能和数据库管理员角色
·我们在表达方式上有欠缺,没有更好的体现层次。
为了更好地描述,我们决定采用分层叙述的方式,据此,我们分了几个层次来描述此项目:
1.引言
1.1使用说明
1.2背景
2.用户场景
3.类图
4.界面原型
5.功能描述
5.1用户功能
5.2系统管理员功能
5.3数据库管理员
5.4安全审计员
5.5系统功能补充
6.验收验证标准
更改之后的规格需求说明书网址:https://gitee.com/north_4/dzgw/issues/I5YFEJ
二、代码规范和编码
1.代码风格规范
代码风格的原则是:整洁、清晰明了、层次感鲜明。
缩进:将Tab键扩展定义为4个空格。不使用tab键的原因是它在不同的情况下会显示不同的长度。使用空格可读性高。
行宽:行宽限制为100字符。
括号:在复杂的条件表达式中,用括号清楚地表示逻辑优先级;左右小括号和字符之间不能出现空格。
断行与空白的{}行:每个{和}都单独占一行,互为一对的{和}要位于同一列,并且与引用它们的语句左对齐。
代码行:if、else、for、while、do 等语句自占一行。不论执行语句有多少行,就算只有一行也要加{},并且遵循对齐的原则。
命名:
代码中的命名只能由字母、数字、下划线组成;不能以下划线或美元符号开始,也不能以下划线或美元符号结束。
命名不能直接使用中文。
不可以是系统的关键词比如if、else等。
常量命名全部大写,单词用下划线隔开。
注释:保证代码与注释的一致性,要简洁明了,注释的双斜线与注释内容之间有且仅有一个空格复杂的注释放在函数头,注释中应只使用ASCII字符。
2.代码设计规范
函数:
一个函数最好仅完成一件功能。
函数的功能应该是可以预测的。
检查函数所有参数输入的有效性与作用。
函数名应准确描述函数的功能,便于查找和修改。
明确函数功能。
变量:
去掉没必要的公共变量。
制造仅单一模块或函数可以修改、创建的公共变量,防止多个不同模块或函数都可以修改、创建同一公共变量的现象。
定义并明确公共变量的含义、作用、取值范围及公共变量间的关系。明确公共变量与操作此公共变量的函数或过程的关系,如访问、修改及创建等。
当向公共变量传递数据时,要十分小心,防止赋与不合理的值或越界等现象发生。
局部变量与公共变量不能同名。
严禁使用未经初始化的变量。声明变量同时对变量进行初始化。
注意数据类型的强制转换。
编写:
注意随时保存与备份避免代码丢失。
使用相同编辑器与选项设置。
编写代码过程中互相帮助,随时找出代码中的错误并进行改进,相互学习。
三、通过Powerdesigner完成团队项目的数据库设计,并提供相应ER图。

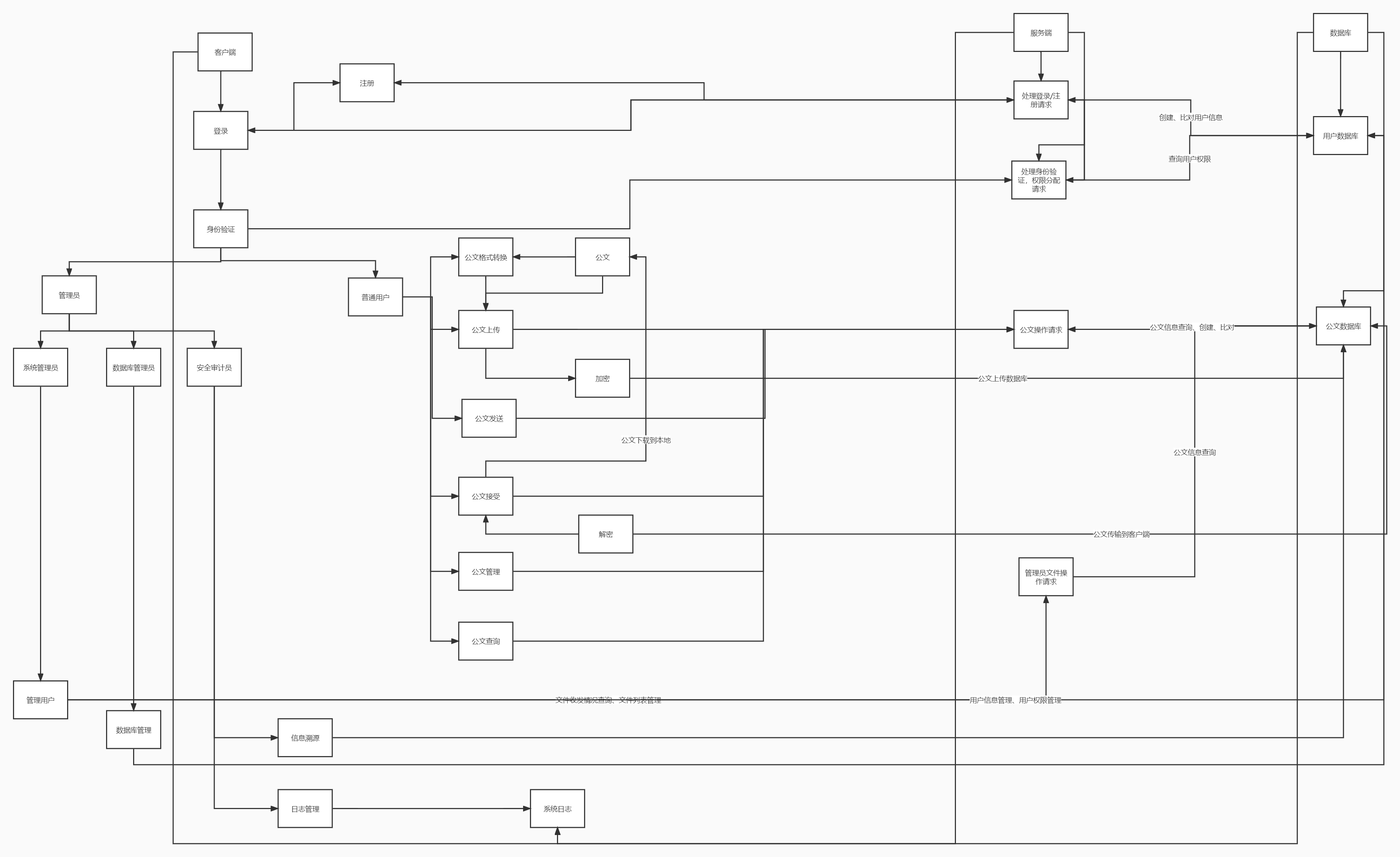
四、进行项目的后端架构设计

五、确定团队分工
利用象限法确定各个核心需求的优先级并给出相应的WBS图
象限法表示优先级

WBS图

确定每个子功能的工作量
| 子功能 | 工作量(小时数) |
|---|---|
| 前端界面设计 | 8 |
| 各类用户权限设置规范 | 12 |
| 后端搭建 | 15 |
| 访问控制实现 | 8 |
| 文件管理实现 | 6 |
| 数据库设计 | 12 |
| 公文的传输以及加解密的实现 | 12 |
| 用户权限验证 | 4 |
团队的TODOList

六、描述组员在本次任务中的分工和工作量比例
| 组员 | 分工 | 工作量比例 |
|---|---|---|
| 20201306吴龙灿 | 前端界面设计;公文的传输以及加解密的实现;后端搭建;数据库设计 | 31.2% |
| 20201301龚天翼 | 访问控制实现;文件管理实现 | 15.6% |
| 20201302姬正坤 | 后端搭建 | 16.8% |
| 20201309李响 | 各类用户权限设置规范;用户权限验证 | 18.8% |
| 20201331黄文刚 | 数据库设计 | 17.6% |

浙公网安备 33010602011771号