Pro SQL Server Internals, 2nd edition》CHAPTER 1 Data Storage Internals节选翻译
翻译原文:《》
作者:Dmitri Korotkevitch
数据页和数据行
数据库中的空间被划分为很多个大小为8KB的逻辑页。这些逻辑页从0开始连续编号,并且它们可以被文件编号和页码引用。这些页面编号总是连续的,这样当SQL Server添加数据库文件的时候,新页面在文件中最大页面编号的基础上加一进行编号。类似地,当SQL Server压缩文件时,它会从文件中删除编号最大的页面。

一般来说,SQL Server存储和处理数据库中的数据有三种不同的方法或技术。使用传统的行存储模式,这些数据将与来自所有列的数据组合在一起存储在数据行中。
SQL Server 2012引入了列存储索引和列式存储。这种技术是以每列而不是每行存储数据。我们将在本书的第七章节介绍列式存储。
最后,SQL Server 2014中引入了内存计算技术并在SQL Server 2016中进一步改进了。尽管是怕出现冗余它们还是继续将数据保存在磁盘中,但行式存储和列式存储的存储格式还是有很大的不同的。我们将在本书的第8章中讨论该内存计算技术。
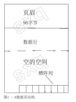
书的这一部分讨论的是行式存储和经典的B(B指的是Balanced平衡而不是Binary二叉)树索引和堆。图1-6显示了数据页的结构

一个96字节的页眉包含一页的各种信息,如页面所属的对象(对象页面)、行数和在页面的空余可利用空间,以及如果一个界面在索引页链时它链接到前一页和后一页,等等。
页眉后面是实际数据存储的区域。紧接着是空闲空间。最后,还有一个槽阵列,它是一个由两个字节的条目组成的块,指示相应的数据行从该页开始的偏移量。
槽阵列表示页面上数据行的逻辑顺序。如果页面上的数据需要按照索引键的顺序排序,SQL Server不会对页面上的数据行进行物理排序,而是根据索引排序顺序填充槽阵列。槽0(图1-6最右边)存储页上键值最小的数据行的偏移量;槽1,第二小的键值;等等。我们将在下一章更深入地讨论索引。
SQL Server提供了一系列丰富的系统数据类型,根据逻辑可以分为不同的两组:固定长度组和可变长度组。固定长度的数据类型,如int, datetime, char,以及其他类型,他们总是使用相同数量的存储空间不管他们的大小是多少,即使它是空的。例如,int列总是使用4字节,而nchar(10)列总是使用20字节存储信息。
相反,对于可变长度的数据类型,如varchar、varbinary和其他一些类型,他们使用的存储空间与存储数据所需的空间相同,在此基础上再加两个字节。例如,nvarchar(4000)列仅使用12字节存储5个字符的字符串,在大多数情况下,使用2字节存储空值。我们将在本章后面讨论变长列不为空值使用存储空间的情况。
让我们看看数据行的结构,如图1-7所示。

行的前两个字节,称为状态位A和状态位B,是其中包含关于行的信息的位图,比如行的类型,是记录如果行已经被逻辑删除(重定向)和如果行有NULL值、可变长度列和版本控制标记的位图。
行中接下来的两个字节用于存储固定长度的数据长度。然后是固定长度数据本身。
在固定长度的数据部分之后,有一个空位图,它包含两个不同的数据元素。第一个两个字节的元素是行中的列数。第二个是空位图数组。这个数组对表的每一列使用一位,不管它是否为可空类型。
空位图总是出现在堆表或聚集索引叶行的数据行中,即使没有可空类型列。但是,当索引中没有可空类型列时,空位图不会出现在非叶索引行中,也不会出现在非聚集索引的叶级行中。
在空位图之后,是行中可变长度的数据部分。它从行中可变长度列的两字节数开始,然后是列偏移量数组。SQL Server为行中每个变长列存储一个两字节偏移量,即使该值为空。然后是数据的实际可变长度部分。最后,行末尾有一个可选的14字节版本控制标记。此标记用于需要行版本控制的操作,例如在线索引重建、乐观隔离级别、触发器和其他一些操作。
提示:我们将在第6章讨论索引维护,在第9章讨论触发器,在第21章讨论乐观隔离级别。
让我们创建一个表,填充一些数据,并查看实际的行数据。代码如列表1-4所示。复制函数将第一个参数提供的字符重复10次。
列表1 - 4 数据行格式:表创建



一个为标准化化但众所周知的DBCC IND命令返回关于表页面分配的信息。你可以在图1-8中看到该命令的输出。
表1-8 DBCC IND 输出
有两页是属于这个表的。第一个它的页面类型=10,是一种特殊类型的页面,称为IAM分配映射。这个页面属于特定对象的页面。但是,现在不要把焦点放在这里,因为我们将在本章后面讨论分配映射页面。
提示:SQL Server 2012引入了另一个未标准化的数据管理功能(DMF) ,sys.dm_db_ database_page_allocations可以用作DBCC IND命令的替代。与DBCC IND相比,此DMF的输出提供了更多信息,并且可以与其他系统dmv和/或目录视图连接。
页面类型=1的页面是包含数据行的实际数据页。页面文件编码和页码列显示了页面的实际文件和页码。你可以使用另一个未标准化的命令DBCC PAGE来检查其内容,如列表1-5所示。
列表1-5 数据行格式:DBCC PAGE 调用

列表1-6显示了对应于第一行数据的DBCC页面的输出。SQL Server以字节交换的顺序存储数据。例如,两个字节的值0001将存储为0100。


图1-9 第一数据行
正如你所看到的,行从两个状态位开始,然后是值为0800的两个字节。0008是字节交换值,是行中列数属性的偏移量。这个偏移量告诉SQL Server行中固定长度的数据部分在哪里结束。接下来的4个字节用于存储固定长度的数据,在我们的示例中是ID列。然后是两个字节的值,该值显示数据行有四列,然后是一个一个字节的空位图。如果只有四列,位图中的一个字节就足够了。它以二进制格式存储04的值,即00000100。它表示行中的第三列包含空值。接下来的两个字节存储行中可变长度列的数量,即3(字节顺序为0300)。它后面是一个偏移量数组,其中每两个字节存储变量列数据结束的偏移量。如您所见,即使Col2为NULL,它仍然使用偏移数组中的插槽。最后,还有来自可变长度列的实际数据。现在,让我们看看第二个数据行。清单1-7显示DBCC页面输出,图1-10显示行数据。

第二行中的NULL位图表示二进制值00001010,这表明Col1和Col3是NULL。即使表有三个可变长列,行中可变长列的数量表明偏移数组中只有两列/槽。SQL Server不维护行中尾随的空变长列的信息。
提示:你可以通过创建表来减少数据行的大小,方法是将通常存储null值的变长列定义为CREATE TABLE语句中的最后一列。这是CREATE TABLE语句中列的顺序唯一重要的情况
固定长度的数据和内部属性必须适合单个数据页上可用的8060字节。如果不是这样,SQL Server不允许你创建表。例如,列表1-8中的代码产生了一个错误。

创建或更改表“BadTable”失败,因为最小行大小为8067,包括7字节的内部开销。这超过了表行大小为8060字节的最大允许值。

浙公网安备 33010602011771号