双馈风机调频,风电调频,风火水调频,虚拟惯性控制,
双馈风机调频,风电调频,风火水调频,虚拟惯性控制,下垂控制
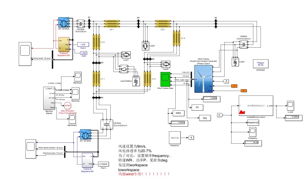
参与系统一次调频的Matlab/Simulink模型
系统为三机九节点模型,所有参数已调好且可调,可直接运行,风电渗透率20%
也可研究风火联合,火电调频等。
有同步机调速器。
风机带有两种控制
转子动能控制
价格实惠,仿真速度快。
有火电调频,和风火联合调频对比。
火电厂辅助调频。
可改变不同负荷增量,对比不同负荷扰动下的频率特性。
主要是风火联合。
ID:58300682972768519






浙公网安备 33010602011771号