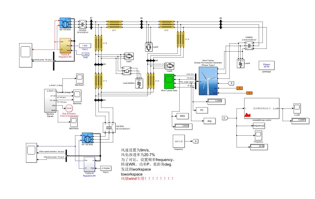
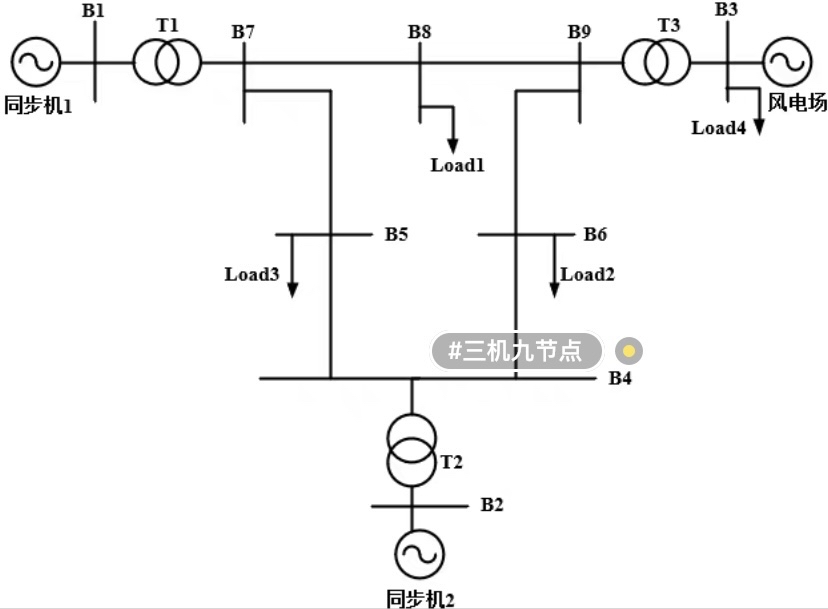
simulink 风电调频,双馈风机调频,VSG虚拟同步机控制,风电场调频,三机九节点,带有虚拟惯性控制,下垂控
simulink 风电调频,双馈风机调频,VSG虚拟同步机控制,风电场调频,三机九节点,带有虚拟惯性控制,下垂控制。
同步机为火电机组,水轮机,可实现同步机调频,火电调频,水轮机调频等。
风电渗透20%,phasor模型,仿真速度快,只需要20秒!
ID:84220675055396298







simulink 风电调频,双馈风机调频,VSG虚拟同步机控制,风电场调频,三机九节点,带有虚拟惯性控制,下垂控制。
同步机为火电机组,水轮机,可实现同步机调频,火电调频,水轮机调频等。
风电渗透20%,phasor模型,仿真速度快,只需要20秒!
ID:84220675055396298






