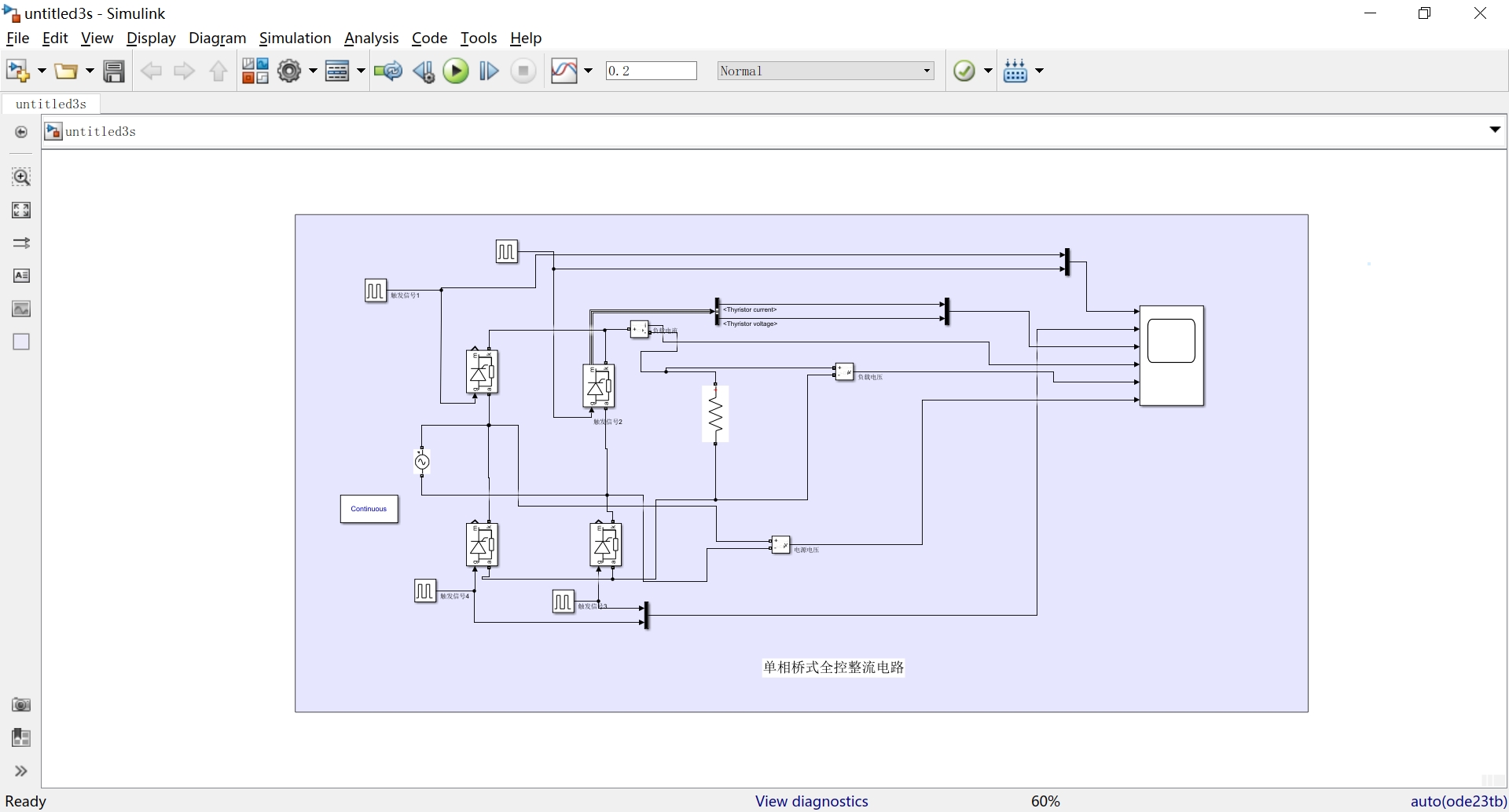
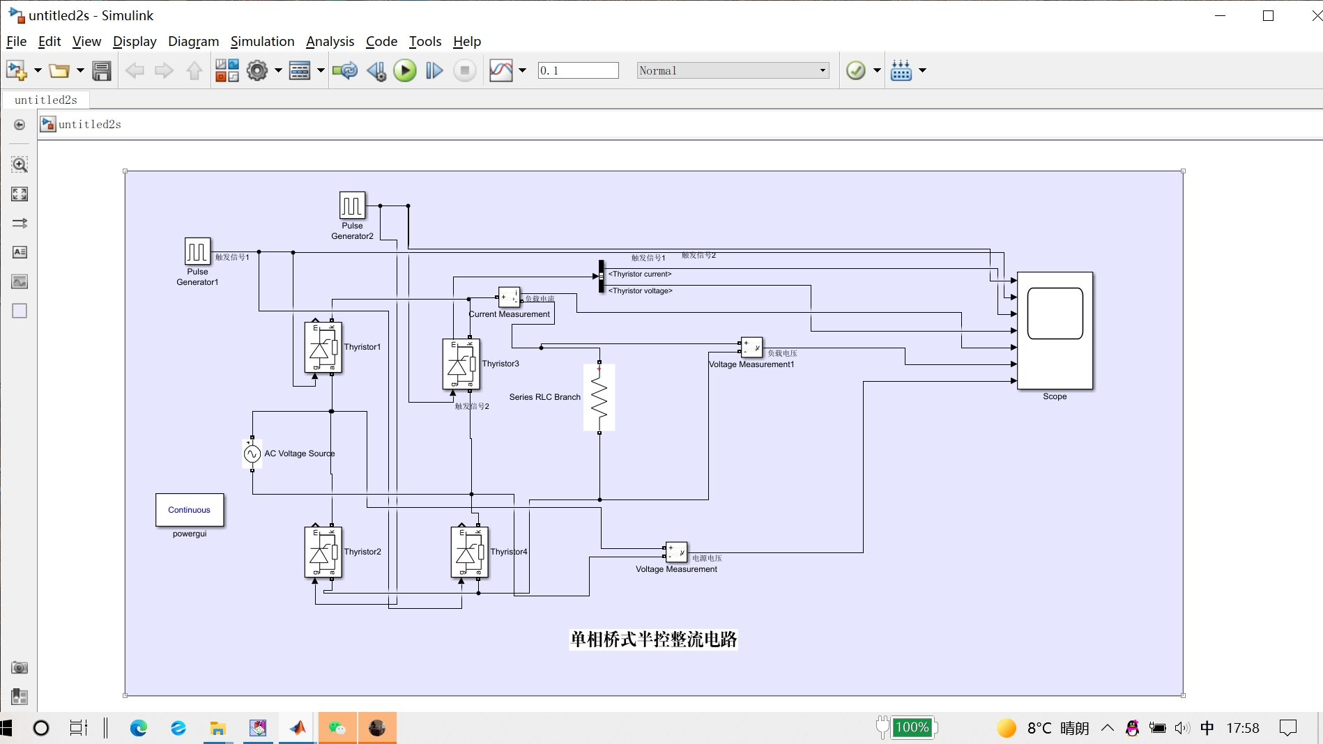
单相桥式有源逆变电路,单相半波可控整流电路,单相桥式半控整流电路,单相桥式全控整流电路,单相交流调压
单相桥式有源逆变电路,单相半波可控整流电路,单相桥式半控整流电路,单相桥式全控整流电路,单相交流调压电路simulink仿真,还有相应说明图(触发角不同时和负载不同时的波形)。
ID:4620671284785838






单相桥式有源逆变电路,单相半波可控整流电路,单相桥式半控整流电路,单相桥式全控整流电路,单相交流调压电路simulink仿真,还有相应说明图(触发角不同时和负载不同时的波形)。
ID:4620671284785838





