会员
周边
新闻
博问
闪存
众包
赞助商
Chat2DB
所有博客
当前博客
我的博客
我的园子
账号设置
会员中心
简洁模式
...
退出登录
注册
登录
mysyn900
博客园
首页
新随笔
新文章
联系
管理
订阅
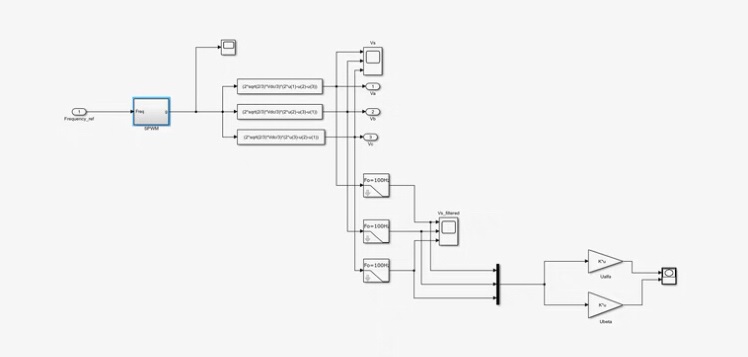
电机过调制算法模型从线性调制区到过调制区,算法已在量产车中验证过
电机过调制算法模型从线性调制区到过调制区,算法已在量产车中验证过
电子文件产品
ID:65490
675862786288
posted on
2023-05-16 12:38
mysyn
阅读(
29
) 评论(
0
)
收藏
举报
刷新页面
返回顶部
公告