http://www.51ele.net/forum.php?mod=viewthread&tid=1319&extra=page%3D1
振荡器就像电子系统中的电源一样无处不在,有人认为它们的重要性等同于电源,在任何需要时序信号的东西中都能发现它们的应用,从数字手表到电视和PC。
振荡器就是可以产生一定频率的交变电流信号的电路。是一种能量转换装置——将直流电能转换为具有一定频率的交流电能。其构成的电路叫振荡电路。
振荡器简单地说就是一个频率源,一般用在锁相环中。详细说就是一个不需要外信号激励、自身就可以将直流电能转化为交流电能的装置。一般分为正反馈和负阻型两种。所谓“振荡”,其涵义就暗指交流,振荡器包含了一个从不振荡到振荡的过程和功能。能够完成从直流电能到交流电能的转化,这样的装置就可以称为“振荡器”。
时钟振荡器的原理与作用-时钟振荡器的基本概念
时钟振荡器是利用了晶体的压电效应制造的,当在晶片的两面上加交变电压时,晶片会反复的机械变形而产生振动,而这种机械振动又会反过来产生交变电压。
晶体振荡器,以下简称晶振,是利用了晶体的压电效应制造的,当在晶片的两面上加交变电压时,晶片会反复的机械变形而产生振动,而这种机械振动又会反过来产生交变电压。当外加交变电压的频率为某一特定值时,振幅明显加大,比其它频率下的振幅大得多,产生共振,这种现象称为压电谐振。晶振产生振荡必须附加外部时钟电路,一般是一个放大反馈电路,只有一片晶振是不能实现震荡的。
于是就有了时钟振荡器,将外部时钟电路跟晶振放在同一个封装里面,一般都有4个引脚了,两条电源线为里面的时钟电路提供电源,又叫做有源晶振,时钟振荡器,或简称钟振。好多钟振一般还要做一些温度补偿电路在里面,让振荡频率能更加准确。晶振振荡器的等效电路也可以认为是一个LCR振荡电路。
时钟振荡器的原理与作用-时钟振荡器的作用是什么?
时钟振荡电路中精确地确定振荡频率,它与所属电路系统中的主芯片内部的振荡电路配合,共同组成“石英晶体谐振器”(简称“晶振”),产生主板上各个系统所必需的时钟信号。工作时,首先由主芯片内部的“多谐振荡器”产生一个频谱很宽的振荡,这个包含有多种“谐频”的振荡信号从主芯片输出后,直接加到晶体的两端,通过晶体的“精确选频”作用,确定一个所需要的时钟频率之后,再反馈回芯片内部去控制“多谐振荡器”的振荡频率。这样,整个时钟发生器就在晶体选定的频率上工作,产生一个频率稳定、幅度恒定的时钟脉冲,提供给主芯片内部的各个系统,使这些结构不同、功能各异的电路在“时钟”的控制下,按照统一的“节奏”、数据传输速率( bit/s)以及规定的“时序”(时间顺序)相互配合、互相协调地工作,从而完成这个单元电路系统中的主芯片所担负的功能。
简单的说时钟电路就是一个振荡器,给单片机提供一个节拍,单片机执行各种操作必须在这个节拍的控制下才能进行。因此单片机没有时钟电路是不会正常工作的。时钟电路本身是不会控制什么东西,而是你通过程序让单片机根据时钟来做相应的工作。
几乎所有的数字系统在处理信号都是按节拍一步一步地进行的,系统各部分也是按节拍做的,要使电路的各部分统一节拍就需要一个“时钟信号”,产生这个时钟信号的电路就是时钟电路。
时钟电路的核心是个比较稳定的振荡器(一般都用晶体振荡器),振荡器产生的是正弦波,频率不一定是电路工作的时钟频率,所以要把这正弦波进行分频,处理,形成时钟脉冲,然后分配到需要的地方。让系统里各部分工作时使用。
时钟振荡器的原理与作用-时钟振荡器的原理
主要有由电容器和电感器组成的LC回路,通过电场能和磁场能的相互转换产程自由振荡。要维持振荡还要有具有正反馈的放大电路,LC振荡器又分为变压器耦合式和三点式振荡器,很多应用石英晶体的石英晶体振荡器,还有用集成运放组成的LC振荡器。
由于器件不可能参数完全一致,因此在上电的瞬间两个三极管的状态就发生了变化,这个变化由于正反馈的作用越来越强烈,导致到达一个暂稳态。暂稳态期间另一个三极管经电容逐步充电后导通或者截止,状态发生翻转,到达另一个暂稳态。这样周而复始形成振荡。
时钟振荡器的原理与作用-典型应用电路图
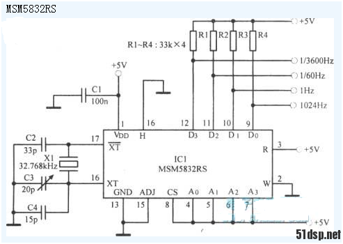
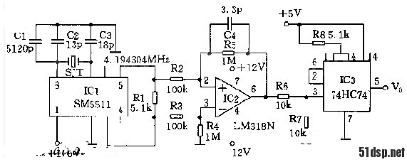
在数字电路中常常需要用精确的秒脉冲信号来对检测的信号进行采样取值。实际中多采用高频振荡器产生高频信号,然后经多级分频电路得到。这里介绍一种利用高频石英钟集成电路SM5511产生精确的秒脉冲的电路。
工作原理:电路如图所示。IC1通电后,在其3脚与5脚分别产生正的与负的窄幅脉冲信号。两路脉冲信号经高速运算放大器IC2比较放大后合并成周期为1秒的窄幅脉冲信号,经IC3 D型触发器后变成周期为2秒,占空比为1的秒脉冲信号。
调节微调电容C1可以改变石英谐振器SJT的振荡频率。配合高精度的高频计数器调节电容C1便可以得到精确的秒脉冲信号。
<ignore_js_op>

精确的秒脉冲信号产生器电路图
<ignore_js_op>

精确的基准时钟振荡电路:冲信号产生器
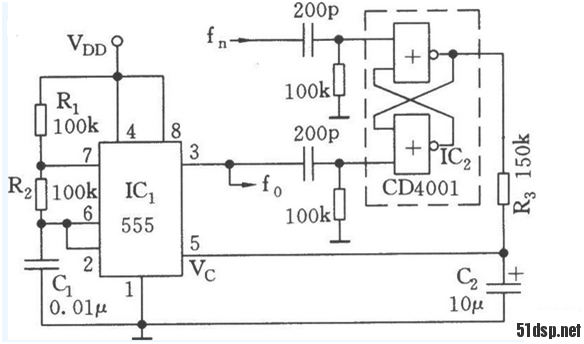
如图所示,由555和R1、R2、C1组成可控的多谐振荡器,它的振荡频率除与RC时间常数有关外,还可由控制端的直流电平来调节。而该直流电平由基准频率f。和555输出的振荡波频率fo=Nfn共同锁定的RS触发器输出的方波,经低通滤波后产生。CD4001的两个或非门电路组成RS触发器,RS触发器在锁定情况下,输出的占空比不变,因而滤波后的直流电平不变。若555的振荡频率f0向高漂移(或fn下降),则占空比加大,直流控制电平会相应增加,会使频率下降;反之亦然。
<ignore_js_op>

时钟同步的振荡器电路
<ignore_js_op>

可编程的时钟振荡器电路图
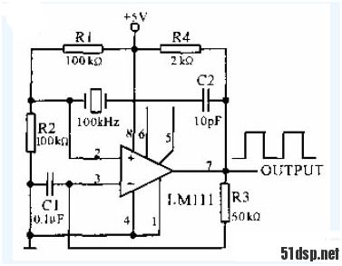
石英晶体矩形波振荡器电路主要用于比较新颖的数字系统的时钟脉冲发生器。该电路的石英晶体处于谐振状态时传输量最大,这时便按晶体的谐振荡率振荡。由于LM111的高输出阻抗与C2的隔离作用,使得石英晶体的负载非常轻。振荡频率的稳定度极高。该电路右获得100KHz的矩形波输出。
<ignore_js_op>

石英晶体矩形波振荡器电路图
浙公网安备 33010602011771号