全面解读OVP过压保护芯片:40V/70V耐压,电流覆盖0.5A至6A

功能描述:
1, PW2605, 适用于输出电流 1A 以下; 输入过压关闭保护阈值 6.1V,当输入电压超过 6.1V,输出为 0V,输入6.1V 以下时,输出约等于输入, 输出电压=输入电压-内阻压差(输入电流 x 内阻 0.35Ω) , 输入高耐压 40V,可以防止输入高压输入损坏后级电路和芯片, 平芯微 PW2605 采用 SOT23-3 封装

2, PW2606B, 适用于输出电流 1A, 是 PW2605 的 SOT23-6 版本, 输入过压关闭保护阈值 6.1V,当输入电压超过 6.1V,输出为 0V,输入 6.1V 以下时,输出约等于输入,输出电压=输入电压-内阻压差可输入电流 x 内阻 0.35Ω) , 输入高耐压 40V,可以防止输入高压输入损坏后级电路和芯片, 平芯微 PW2606B 采用 SOT23-6 封装

3, PW2606, 适用于输出电流 2A 以下, 是 PW2606B 的低内阻,低压差版本, 输入过压关闭保护阈值 6.1V,当输入电压超过 6.1V,输出为 0V,输入 6.1V 以下时,输出约等于输入,输出电压=输入电压-内阻压差可输入电流 x 内阻 0.1Ω) , 输入高耐压 40V,可以防止输入高压输入损坏后级电路和芯片, 平芯微 PW2606 采用SOT23-6 封装, PW2609A 比 PW2606 更多客户用,量更多,所以价格上面 PW2609A 反而更低些

4, PW2609A, 适用于输出电流 3A 和以下, 是更低内阻,更低压差版本, 输入过压关闭保护阈值可调 4V-24V范围和默认 6.1V,如当输入电压超过 6.1V,输出为 0V,输入 6.1V 以下时,输出约等于输入,输出电压=输入电压-内阻压差可输入电流 x 内阻 0.035Ω), 输入高耐压 40V,可以防止输入高压输入损坏后级电路和芯片, PW2609A 采用 SOT23-6 封装

5, PW1600, 适用于输出电流 2.5A 和以下, 是更高耐压版本, 输入过压关闭保护阈值可调 4V-55V 范围和默认6.1V,如当输入电压超过 6.1V,输出为 0V,输入 6.1V 以下时,输出约等于输入,输出电压=输入电压-内阻压差可输入电流 x 内阻 0.08Ω), 输入高耐压 70V,可以防止输入高压输入损坏后级电路和芯片, PW1600 采用 SOT23-6 封装

6, PW1515, 适用于输出电流 2A 和以下, 是过压保护+可调限流的二和一版本,可调限流 0.2A-2A 范围, 输入过压关闭保护阈值 6.1V,当输入电压超过 6.1V,输出为 0V,输入 6.1V 以下时,输出约等于输入,输出电压=输入电压-内阻压差可输入电流 x 内阻 0.12Ω) , 输入高耐压 32V,可以防止输入高压输入损坏后级电路和芯片, 平芯微 PW1515 采用 SOT23-5 封装,主要用于其他限流 IC 因为低耐压导致不良高的应用,如磁吸充电线, U 盘接口限流等等多拔插和要求高的应用,这些应用因为频率拔插和开关导致正常 5V 电压,产生的瞬间尖峰电压过高,如 7V,9V 等,打坏芯片,才需要 PW1515 高耐压来

7, PW1605, 适用于输出电流 1A-5A, 是可调过压保护+可调限流的二和一版本,输入过压关闭保护阈值可调4V-51V 范围, 输入电压 4V-48V,可调设定限流 1A-5A, 同样具有输入过压关闭保护和输出限流功能。输入高耐压 60V,可以防止输入高压输入损坏后级电路和芯片, 平芯微 PW1605 采用 QFN16 封装

8, PW1558A,适用于输出电流 1A-6A,是可调过压保护+可调限流+双向(输入/输出)限流的三和一版本,输入过压关闭保护阈值可调 4V-24V 范围,输入电压 4V-24V,可调设定限流 1A-5A, 同样具有输入过压关闭保护和输出限流功能。输入耐压可达 28V,采用 QFN16 封装
9, PW2602C/A,适用于输出电流 2.4A 和以下,是过压保护+可调限流+内置 LDO 的三和一版本,,可调限流0.2A-2.4A 范围,输入过压关闭保护阈值 6.8V,当输入电压超过 6.8V,输出为 0V, 输入 6.8V-5.45V 时启动LDO 稳压输出模式,输出等于 5.45V;输入低于 5.45V 时, 输出电压=输入电压-内阻压差可输入电流 x 内阻 0.12Ω), 输入高耐压 32V,可以防止输入高压输入损坏后级电路和芯片, 平芯微 PW2602 系列采用 DFN8封装。 PW2602 系列亮点: 输入 6.8V-5.45V 时启动 LDO 稳压输出模式,输出等于 5.45V; 保证在输入过压关闭 6.8V 时,输出也不会有过高输出, LDO 稳压功能。 PW2606A 是自恢复恒流模式, PW2602C 是采用输出过流后,需要重新拔插输入才能恢复模式

10, PW2601,适用于输出电流 1.5A 和以下, 是过压保护+可调限流+内置 LDO 的三和一版本,,可调限流 0.2A-1.5A 范围,输入过压关闭保护阈值 6.8V,当输入电压超过 6.8V,输出为 0V,输入 6.8V-5.1V 时启动 LDO稳压输出模式,输出等于 5.1V;输入低于 5.1V 时,输出电压=输入电压-内阻压差可输入电流 x 内阻 0.4Ω),输入高耐压 24V,可以防止输入高压输入损坏后级电路和芯片, 平芯微 PW2601 系列采用 DFN8 封装。PW2601 亮点: 输入 6.8V-5.1V 时启动 LDO 稳压输出模式,输出等于 5.1V;保证在输入过压关闭 6.8V 时,输出也不会有过高输出, LDO 稳压功能。 6 脚 VBAT 电池检测叫不用可以接地

11, PW1555A,适用于 1A-5A 输出应用,是分段过压保护+可调限流的二和一版本,可调限流 1A-5A 范围,平芯微 PW1555A 采用分段模式, 即 3.3V, 5V, 12V 三段过压保护, 只能适用于这三个电压输入范围的,如 3.3V 是支持输入 2.5V-3.6V,其他电压输入负载为 0V; 5V 是支持输入 3.8V-5.4V,其他电压输入负载为0V; 12V 是支持输入 9V-12.6V,其他电压输入负载为 0V; 输入高耐压 30V,可以防止输入高压输入损坏后级电路和芯片, PW1555A 系列采用 DFN10 封装

12, PW1503,适用于 1A-3A 输出应用, 是可调限流版本,可调限流 1A-3A 范围,低内阻, USB 输入范围: 2.4V-6V,输出电压=输入电压-内阻压差可输入电流 x 内阻 0.05Ω) , 采用 SOT23-5 封装。

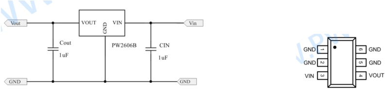
如需增 输入过压保护,可以在前面增 平芯微 PW2609A 即可。如下图电路。也可以把过压保护设置成 6V,5.6V, 5.5V 等,因为 PW2609A 就是可调过压保护点的。

13, PW4054H,适用于锂电池充电应用,是过压保护+4054 锂电池充电芯片二合一版本,适用于 18650 或者小聚合物锂电池 3.6V 和 3.7V 的电池上,充满电压 4.2V,可调充电电流高到 500mA。单 LED 充电指示灯。 平芯微 PW4054H 亮点: 1,输入高达 28V 耐压,输入过压关闭充电阈值 6.8V; 2,双高耐压, PW4054H 充电脚 BAT 脚耐压也是高耐压 20V,比常规的 4054 耐压高 300%以上。 更具有安全性。

14, PW4057H,适用于锂电池充电应用,是过压保护+4057 锂电池充电芯片二合一版本,适用于 18650 或者小聚合物锂电池 3.6V 和 3.7V 的电池上,充满电压 4.2V,可调充电电流高到 500mA。 双 LED 充电指示灯。 平芯微 PW4057H 亮点: 1,输入高达 28V 耐压,输入过压关闭充电阈值 6.8V; 2,双高耐压, PW4057H 充电脚 BAT 脚耐压也是高耐压 20V,比常规的 4057 耐压高 300%以上。 更具有安全性。
,
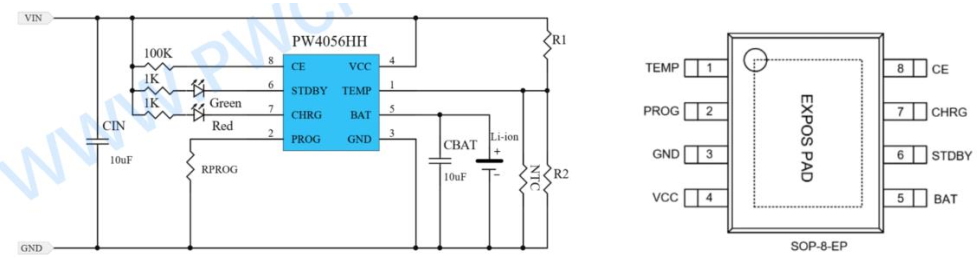
15,PW4056HH,适用于锂电池充电应用,是过压保护+4056 锂电池充电芯片二合一版本,适用于 18650或者小聚合物锂电池 3.6V 和 3.7V 的电池上,充满电压 4.2V,可调充电电流高到 1000mA。双 LED 充电指示灯。PW4056HH 亮点:1,输入高达 28V耐压,输入过压关闭充电阈值 6.8V;2.双高耐压,平芯微 PW4056HH充电脚 BAT 脚耐压也是高耐压 20V,比常规的 4056 耐压高 300%以上。更具有安全性


OVP过压:防止输入尖峰高压和高压输入时,导致后面电路或IC损坏,如达到输入过压关闭阈值6.1V以上时,输出为0V。
OCP限流:限制最大通过电流值。超过如:如恒流;打;关闭需要输入重新上电激活(仅PW2602C属于)三种表现根据不同负载类型(负载仪,手机,水泥电阻等等),超过限流值表现不同有恒流或打。
相关了解|DC-DC升压芯片代理|DC-DC降压芯片代理商|升降压芯片|锂电池充电芯片1节,两串,三串,四串等|LDO稳压芯片|MOS管|传感芯片等|夸克微科技
浙公网安备 33010602011771号