LTC1861HMS#TRPBF LTC1861HMS模数转换器 12 bit 250ksps ADC
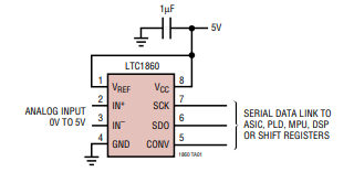
LTC1860/LTC1861是12位A/D转换器,提供MSOP和SO-8包,并在单个5V电源上工作。在250ksps时,电源电流只有850 μ A。由于LTC1860/LTC1861在转换之间自动降低到典型的1nA电源电流,所以在较低的速度下电源电流下降。这些12位开关电容逐次逼近adc包括采样和保持。LTC1860有一个可调参考引脚的差分模拟输入。LTC1861在MSOP版本上提供了一个可软件选择的2通道MUX和一个可调节的参考引脚。
三线制,串行I/O, MSOP或SO-8封装和极高的采样率-功率比使这些adc成为紧凑,低功耗,高速系统的理想选择。
这些adc可用于比率测量应用或与外部参考。高阻抗模拟输入和工作范围缩小至1V全量程的能力,允许在许多应用中直接连接信号源,消除了对外部增益级的需要。
应用
高速数据采集
便携式或紧凑型仪器
低功率电池操作的仪器
隔离和/或远程数据采集
产品参数
位数:12
采样率(每秒):250k
输入数:2
输入类型:差分,单端
数据接口:SPI
配置:S/H-ADC
比率 - S/H:ADC:1:1
A/D 转换器数:1
架构:SAR
参考类型:外部
电压 - 供电,模拟:5V
电压 - 供电,数字:5V
特性:-
工作温度:-40°C ~ 125°C
封装/外壳:10-TFSOP,10-MSOP(0.118",3.00mm 宽)
供应商器件封装:10-MSOP
安装类型:表面贴装型
基本产品编号:LTC1861
型号:LTC1861HMS#TRPBF LTC1861HMS
类型:模数转换器ADC
封装:10MSOP
批次:新

注:本文部分内容与图片来源于网络,版权归原作者所有。如有侵权,请联系删除!
明佳达电子-Mandy

浙公网安备 33010602011771号