基于多智能体系统 一致性算法 电力系统分布式经济调度策略
关键词:一致性算法 多智能体 分布式调度
仿真平台:MATLAB平台
参考文档:中文复现,效果非常好,想看文献和运行效果加好友
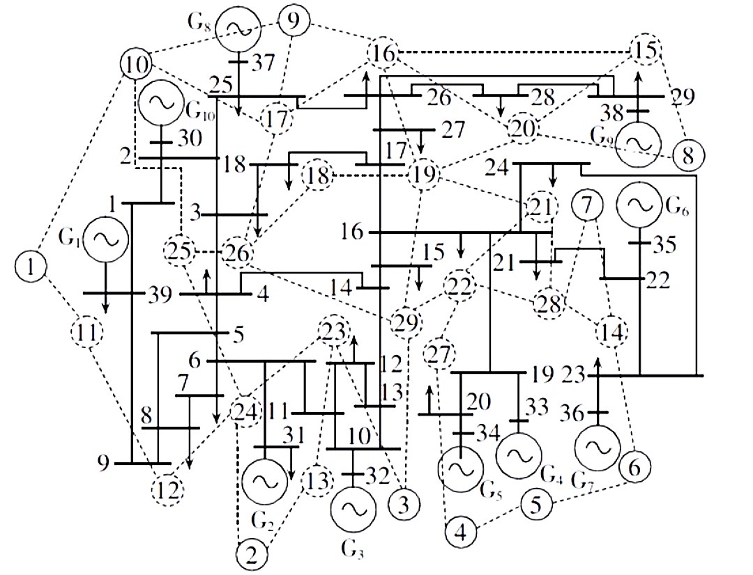
主要内容:代码主要做的是电力系统的分布式调度策略,具体为基于多智能体一致性算法的分布式经济调度方法,其中,一致性变量为发电机组的增量成本和柔性负荷的增量效益,并在此基础上,通过分布式优化的方法解决电力系统的经济调度问题,测试算例是一个10机19负荷系统,系统数据来源可靠,代码运行稳定迅速,是研究一致性算法以及分布式优化的必备!
ID:2850691927254623




浙公网安备 33010602011771号