BMS仿真电池平衡控制策略仿真similink 动力电池管理系统仿真 BMS + Ba
BMS仿真电池平衡控制策略仿真similink
动力电池管理系统仿真 BMS + Battery Simulink 控制策略模型, 动力电池物理模型,需求说明文档。
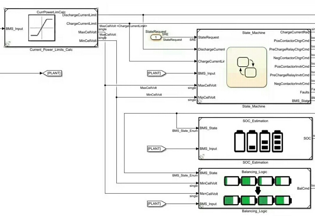
BMS算法模型包含状态切换模型、SOC估计模型(提供算法说明文档)、电池平衡模型、功率限制模型等,动力电池物理模型包含两种结构的电池模型。
通过上述模型可以实现动力电池系统的闭环仿真测试,亦可根据自身需求进行算法的更新并进行测试验证。
ID:6916683806032545



浙公网安备 33010602011771号