MATLAB代码:基于纳什谈判理论的风–光–氢多主体能源系统合作运行方法
关键词:合作博弈 纳什谈判 风–光–氢系统 综合能源
参考文档:《基于纳什谈判理论的风–光–氢多主体能源系统合作运行方法》基本复现
仿真平台:MATLAB平台
优势:代码具有一定的深度和创新性,注释清晰,非烂大街的代码,非常精品!
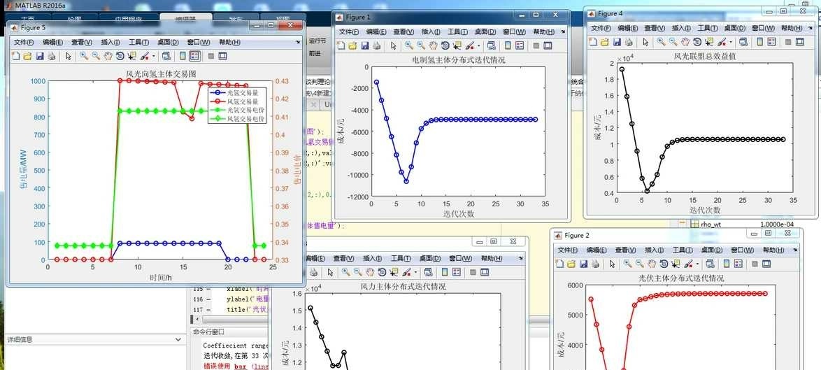
主要内容:代码主要做的是一个基于合作博弈的风光氢能源交易的问题,首先,考虑主体间的电能交易建立各主体的优化运行模型, 然后基于纳什谈判理论建立风–光–氢多主体合作运行模型, 接着将其等效为联盟效益最大化和电能交易支付谈判两个子问题,运用交替方向乘子法提出上述两个子问题的分布式求解方法,求解效果非常好,店主已经对代码进行了深入的加工和处理,出图效果非常好
ID:6450667996614874



浙公网安备 33010602011771号