基于递归最小二乘法(RLS)估算的车辆前后轮胎的侧偏刚度,如仿真结果图可知,在恒定转角,变化车速度工况
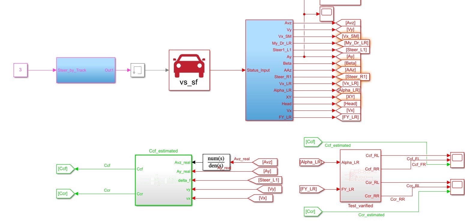
基于递归最小二乘法(RLS)估算的车辆前后轮胎的侧偏刚度,如仿真结果图可知,在恒定转角,变化车速度工况下,能够良好的估算出前后轮胎的平均刚度,该估算算法可生成代码,能够用于实车实验验证其他的算法参数需要,如横摆稳定性控制,路面附着系数估算算法等,为开发和学习节省大量时间。
ID:33100694314583935




基于递归最小二乘法(RLS)估算的车辆前后轮胎的侧偏刚度,如仿真结果图可知,在恒定转角,变化车速度工况下,能够良好的估算出前后轮胎的平均刚度,该估算算法可生成代码,能够用于实车实验验证其他的算法参数需要,如横摆稳定性控制,路面附着系数估算算法等,为开发和学习节省大量时间。
ID:33100694314583935



