会员
众包
新闻
博问
闪存
赞助商
HarmonyOS
Chat2DB
所有博客
当前博客
我的博客
我的园子
账号设置
会员中心
简洁模式
...
退出登录
注册
登录
maylue2
博客园
首页
新随笔
新文章
联系
管理
订阅
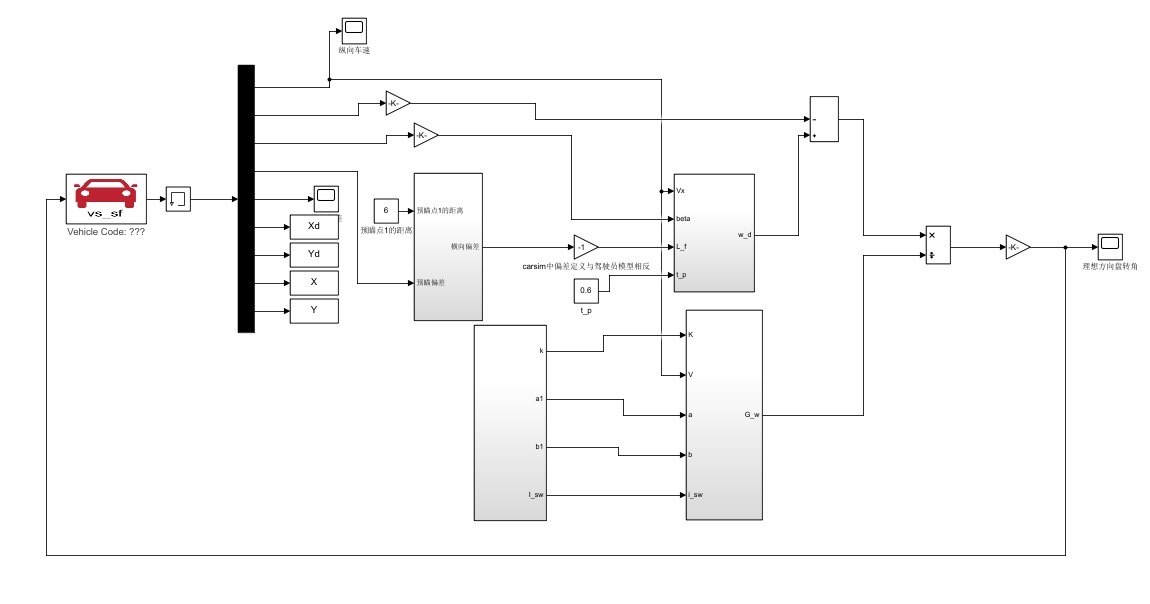
基于轨迹预测的驾驶员方向控制方法实现的单点预瞄,通过carsim与simulink仿真发现,该方法能够良好的实现车
基于轨迹预测的驾驶员方向控制方法实现的单点预瞄,通过carsim与simulink仿真发现,该方法能够良好的实现车俩的轨迹跟踪控制。
有对应信息和文件说明。
ID:23100
684398458311
posted on
2023-05-14 09:07
maylue2
阅读(
74
) 评论(
0
)
收藏
举报
刷新页面
返回顶部
公告