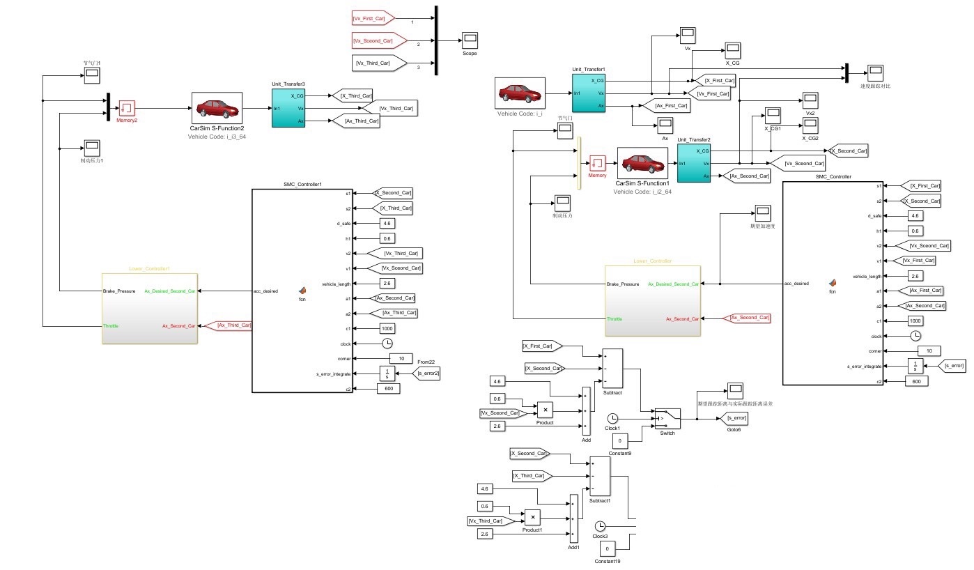
基于滑膜控制smc的3辆协同自适应巡航控制,上层滑膜控制器产生期望加速度,下层通过油门和刹车控制车速,实现自适应巡航控制。

个人觉得从结果图中看出基于滑膜控制的效果非常好,不亚于模型预测控制mpc!!!并且在实车试验很方便。

文件包含acc巡航建模资料和滑膜控制的资料,还有详细教你运行仿真的步骤,非常的详细,比一般只给文件仿真详细多啦,还有我本人滑膜控制的总结,对于滑膜控制的学习很有帮助。

ID:23150681779117560

posted on 2023-05-14 08:46  maylue2  阅读(62)  评论(0)    收藏  举报