链表的动态建立,插入、删除节点学习记录
(一)单向链表的动态建立
假设有如下情景:用一个函数实现创建3个学生的数据的动态链表,包含学生的学号num、成绩score;
思路:

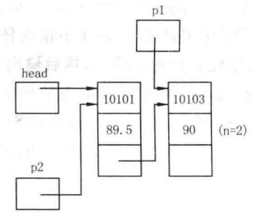
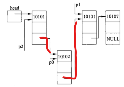
(1)先定义3个变量,head,p1,p2;然后用malloc函数开辟一个节点,让p1、p2两个指针指向这个节点。
(2)从键盘上读取一个学生的数据赋值给这个节点。在此约定学号不能为0,当输入学号为0时候,则代表建立链表结束。
(3)如果这个输入的p1->num!=0,则代表输入的是第一个节点,把这个节点给头指针。即head=p1; 如上图所示

(4)然后再开辟另一个节点,并使得p1指向它,接着从键盘输入数据,如果从键盘的读取到数还是不为0,那么该节点有效。如上图所示

(5)把p1的值赋值给p2->next, 即p2->next=p1; 那么现在两个节点就连到一起了。如上图所示

(6)接着把p2=p1,这样p2就跟上了p1的步伐了,可以开始下一次同样的操作; 如上图所示如上图所示

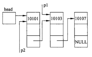
(7)再开辟一个新节点,并使得p1指向它,如果num不为0,那么就吧p1赋值给p2->next,这样3个节点就连接到一起了。如上图所示

(8)以此类推,知道最后输入的num 为0 ,建立结束。如上图所示
更为具体代码如下:
//动态链表的创建; #include<stdio.h> #include<stdlib.h> #define LEN sizeof(struct Student) struct Student //结构体声明 { int num; float score; struct Student* next; }; int n; struct Student *creat(void) { struct Student* head,*p1,*p2; //定义三个指针; n = 0; head = NULL; //头指针初始化为NULL; p1 = p2 = (struct Student*)malloc(LEN); //开辟一个节点,让p1 p2都指向它; scanf_s("%ld,%f", &p1->num, &p1->score); //给这个节点赋值; while (p1->num != 0) //当这个节点的num不为0的时候,说明此节点有效 { n = n + 1; //节点数加1; if (n == 1) head = p1; //如果这是第一个节点,那么就让头指针指向它; else p2->next = p1; //如果不是第一个节点,就让p2指向它,此时的p2是上一个节点的指针; p2 = p1; //之后,让P2跟上P1的步伐,现在p1和p2都指向新的节点了; p1= (struct Student*)malloc(LEN);//开辟一个 新新的节点,让p1指向它,重复之前的步骤 scanf_s("%ld,%f", &p1->num, &p1->score);//输入给新新节点的数据; } p2->next = NULL; //退出while循环的条件是p1->num=0;说明链表建立结束了,之后把p2的后驱指为null即可; return head; //返回头指针; } int main() { struct Student* pt; pt = creat(); printf("\nnum:%ld\nscore:%5.1f\n", pt->num, pt->score); return 0; }
(二)链表的删除节点
知道了链表的建立,那么如何删除这个节点呢?
现在我们指定一个学号,删除该学号的学生;
思路:

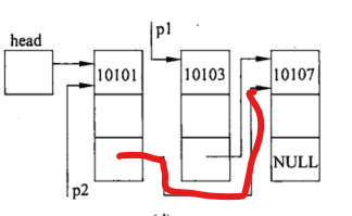
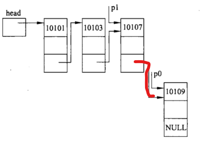
(1)先定义两个指针p1,p2,使p1 指向第一个节点,然后检查第一个节点的num值,如果不是我们想删除的节点,就后移动一个,p2=p2->next;
(2)在p1 向后移动之前,要把p1的值赋值给p2,让p2跟随p1的步伐,p2=p1;让p2 指向刚刚检查过的节点。
(3)p1一次次进行比较,然后向后移动,直到找到需要删除的节点或者压根就找不到要删除的节点,这里有两种情况;

(4) 情形1:找到了要删除的节点,根据节点所处的位置,由可以分为两种情况:是第一个节点和非第一个节点;当要删除的节点是第一个节点的时候,很好办,直接将头指针向后移动一下即可;head=p1->next;如上图所示;

情形2:找到的这个节点,不在第一节点,那就把p1->next给p2->next;
(5) OK,上面就把要删除节点的大部分内容讲完了,接下来就是如果没有这个节点的情况了。没有这节点就直接输出no found 即可;
更为具体代码如下:
//删除节点 struct Student* del(struct Student* head, int num) { struct Student* p1,*p2; //定义两个指针 if (head == NULL) { printf("这是一个空表\n"); return head; } p1 = head; p2 = NULL; while ((p1->num != num) && p1->next != NULL) //如果p1没有匹配上就跳过; { p2 = p1; p1 = p1->next; } if (p1->num==num) //如果找到了这个节点,分两种情况 { if (p1 == head) //第一种,这个节点是头节点 { head = head->next; } else //第二种,这个节点非第一个节点 { p2->next = p1->next; printf("delete num is %d\n", num); n--; //节点数减1; } } else //如果是最后一个也没匹配上,那么No found { printf("no found\n"); } return head; }
(三)链表的插入节点
现在要新增一个学生的节点,按照学号大小,插入到已有的链表里面;
思路:
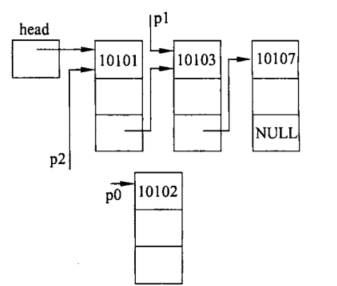
(1)首先新建立一个新的节点,输入这个学生的信息,这是必须的吧。

(2)定义一个指针变量p0,让这个指针指向这个节点,如上图。

(3)比较p1->num值与p0->num的大小,如果p1->num的数值小于p0->num,那么就让p1后移,并且让p2指向p1呆过的位置,如上图;

(4)一直到p1->num 的值,小于了p0->num的值了,那么插入的位置找到了,接下来要开始插队了。这时候要分三种情况,在末尾和在头部和在中间;
情形1:当不在中间的时候,很好办,直接把p0的值赋给p1->next; 把p1的值赋给p0->next;这样就插入了一个新节点进去了。

情形2:如果这个节点在末尾,将p0的赋给p1->next,NULL赋值给p0->next;

情形3:如果这个节点在头部,将p0赋值个head,将p1赋值给p0->next;
更为具体的代码如下:
//插入新节点 struct Student* insert(struct Student* head, struct Student* stud) { struct Student* p0, * p1, * p2; p0 = stud; p1 = head; p2 = NULL; if (head == NULL) //如果是一个空链表,那么把插入的这个节点作为头节点; { head = p0; p0->next = NULL; } while ((p0->num > p1->num) && (p1->next != NULL)) //当p0->num>p1->num时候,且p1后面还有数据时候,
//就让p1向后移动,并且p2跟随p1的步伐; { p2 = p1; p1 = p1->next; } if (p0->num < p1->num) //跳出while循环的条件之一:如果 p0->num < p1->num (也就是找到了插入的位置) { if (p1 == head) //如果这个节点在头部 { head = p0; //把P0插入到头节点 } else //这个节点在中间 { p2->next=p0; p0->next=p1; } } else //跳出while循环的条件之二: p1->next=NULL ,将p0插入到尾部; { p1->next=p0; p0->next = NULL; //把p0插入到尾部; } n++; //节点数+1; return head; }
OK 关于链表的动态建立,插入、删除节点就到这了
本文参考 谭浩强的c程序设计;

浙公网安备 33010602011771号