时钟树
一、认识时钟树
1、什么是时钟

简单来说,时钟是具有周期性的脉冲信号,最常用的是占空比50%的方波
时钟是单片机的脉搏,搞懂时钟走向及关系,对单片机使用至关重要!
时钟是单片机的脉搏,搞懂时钟走向及关系,对单片机使用至关重要!
2、认识时钟树(F1)
| 时钟源名称 | 频率 | 材料 | 用途 |
|---|---|---|---|
| 高速外部振荡器(HSE) | 4~16MHz | 晶体/陶瓷 | SYSCLK/RTC |
| 低速外部振荡器(LSE) | 32.768KHz | 晶体/陶瓷 | RTC |
| 高速内部振荡器(HSI) | 8MHz | RC | SYSCLK |
| 低速内部振荡器(LSI) | 40KHz | RC | RTC/IWDG |
H:high
L:low
S:speed
I:internal
E:external
| 符号 | 作用 |
|---|---|
| 时钟安全系统(CSS) | 如果HSE启动失败,切换到HSI,可进NMI中断 |
| 自由运行时钟(FCLK) | 用于采样中断和调试模块计时,休眠仍有效 |



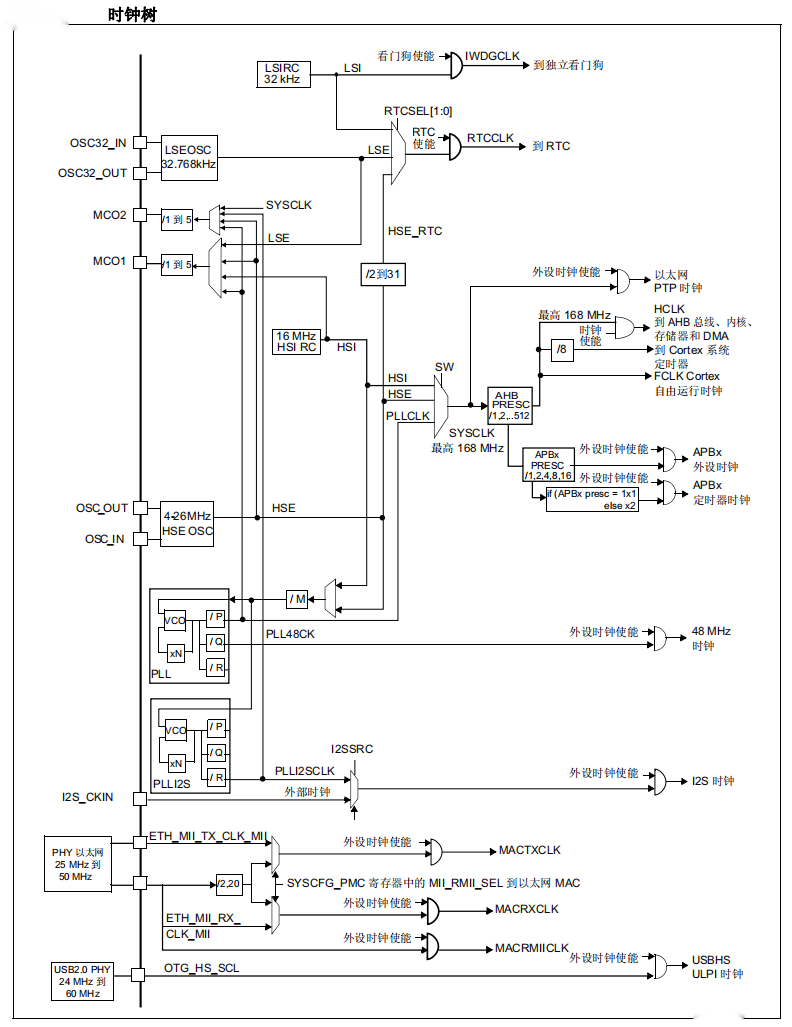
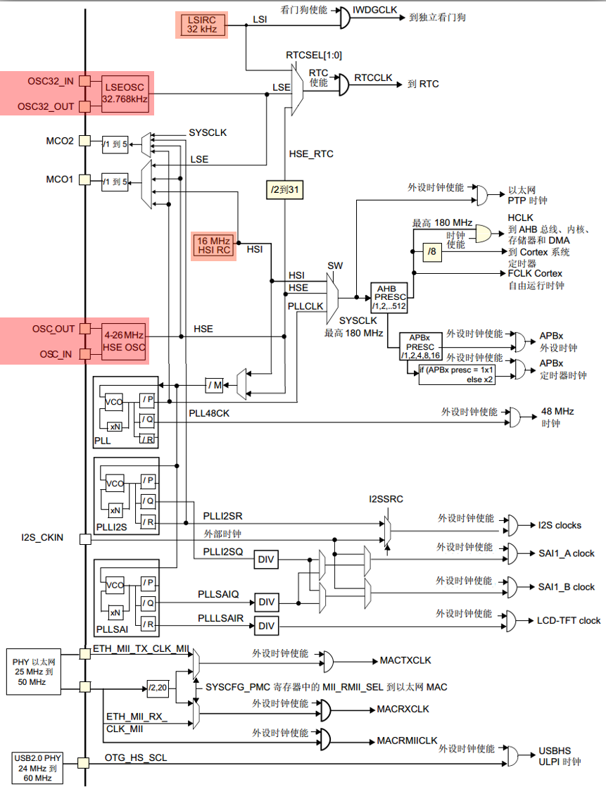
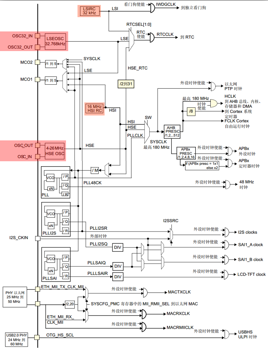
3、认识时钟树(F4)
| 时钟源名称 | 频率 | 材料 | 用途 |
|---|---|---|---|
| 高速外部振荡器(HSE) | 4~26MHz | 晶体/陶瓷 | SYSCLK/RTC |
| 低速外部振荡器(LSE) | 32.768KHz | 晶体/陶瓷 | RTC |
| 高速内部振荡器(HSI) | 16MHz | RC | SYSCLK |
| 低速内部振荡器(LSI) | 32KHz | RC | RTC/IWDG |
H:high
L:low
S:speed
I:internal
E:external




二、配置时钟系统
1、系统时钟配置步骤

2、外设时钟使能和失能

3、sys_stm32_clock_init 函数(F1)


4、sys_stm32_clock_init 函数(F4/F7)



时钟是单片机的脉搏,搞懂时钟走向及关系,对单片机使用至关重要。。。
浙公网安备 33010602011771号