会员
众包
新闻
博问
闪存
赞助商
HarmonyOS
Chat2DB
所有博客
当前博客
我的博客
我的园子
账号设置
会员中心
简洁模式
...
退出登录
注册
登录
luoganttcc
博客园
首页
新随笔
联系
订阅
管理
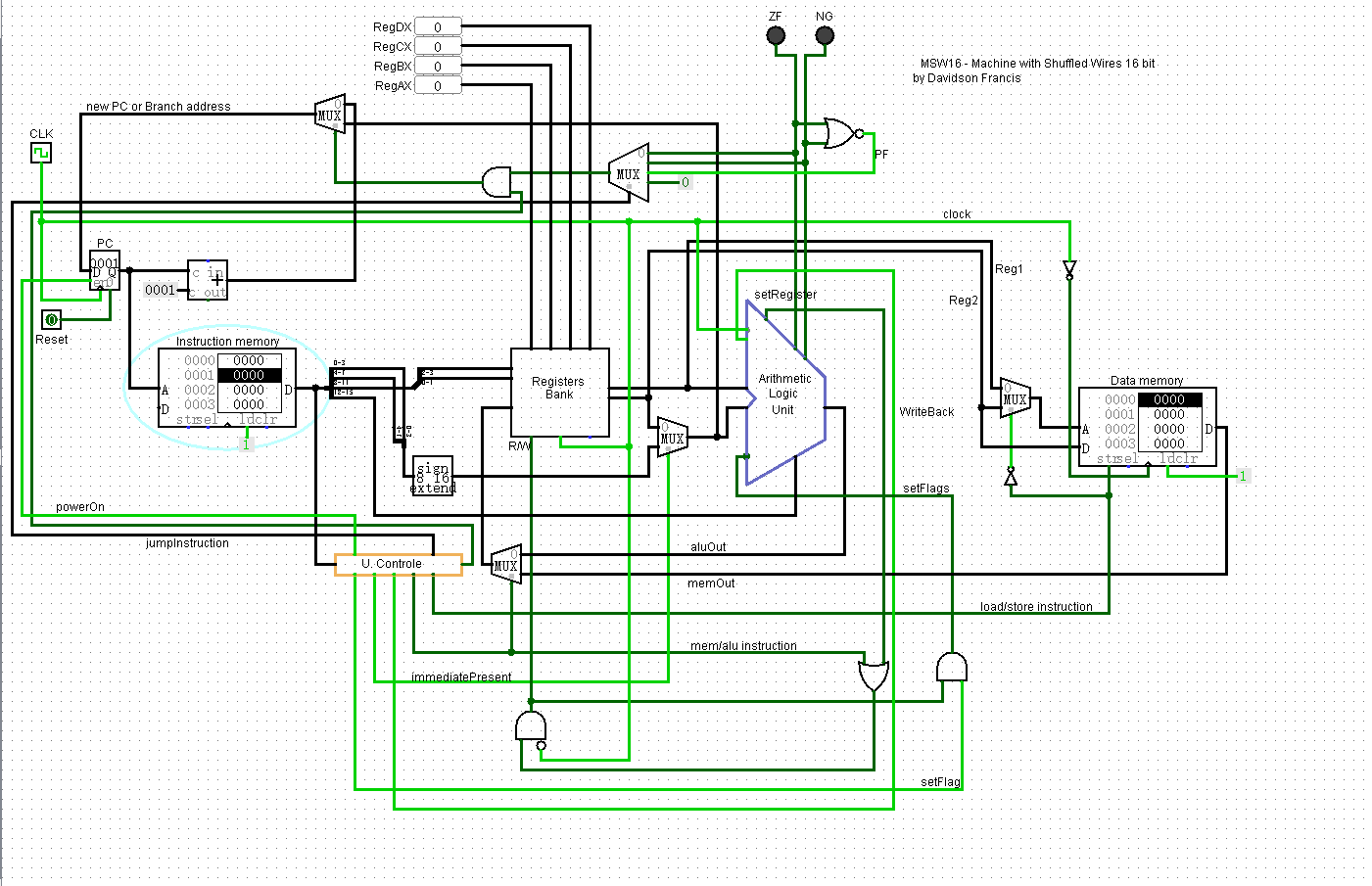
用 logisim写一个 cpu
https://github.com/leijurv/Logisim-RISC-V
posted @
2022-08-19 22:44
luoganttcc
阅读(
27
) 评论(
0
)
收藏
举报
刷新页面
返回顶部
公告