AirMICROSD_1000直插小板:快速扩容,释放设备存储空间
AirMICROSD_1000直插小板的核心功能是实现设备存储空间的快速扩容。通过直插方式接入设备,小板借助MICROSD卡快速扩展存储容量,无需额外操作即可释放设备的存储空间,快速解决因空间不足导致的性能下降、数据无法保存等问题,适配多种设备类型,满足快速扩容需求。
本文特别分享AirMICROSD_1000+Air8101系列核心板应用示例demo,可结合实际需求灵活运用。
一、硬件接线方式
AirMICROSD_1000配件板采用排母设计,直接插到Air8101核心板对应排针即可;建议选择主流品牌SD卡,确保性能稳定。

AirMICROSD_1000配件板引脚功能说明:
3V3
SD卡的供电电压,通常为3.3V,确保卡内电路稳定运行。
GND
地线/接地,电路中的零电位参考点,用于稳定电压、保障安全,并消除静电或电磁干扰。
CD
卡检测(Card Detect),检测信号。
DO
数据输出(Data Out),在SPI模式下DO引脚用于从SD卡向主机发送数据,是单向数据输出通道。
CMD
命令(Command),用于向SD卡发送命令信号,控制卡的操作,如读取、写入、擦除等。
CLK
时钟(Clock),主机到SD卡的时钟信号,用于同步数据传输,控制通信节奏。
Air8101系列核心板通过Type-C USB口供电(核心板背面的功耗测试开关,拨到OFF一端)。此种供电方式下,VBAT引脚为3.3V,可以直接给配件板供电。
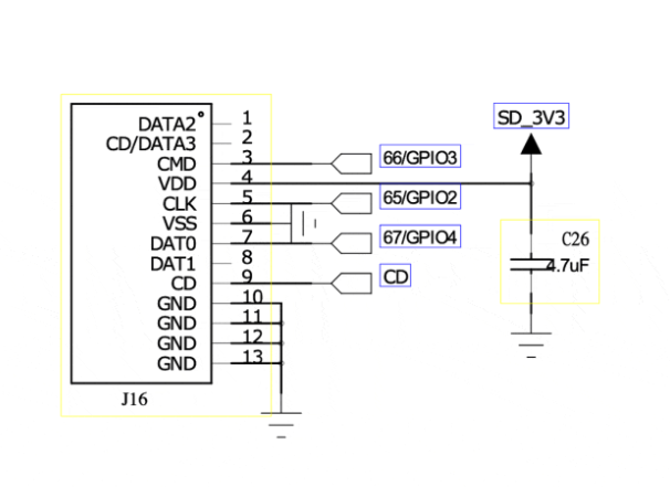
对应管脚如下图表:

二、软件demo下载
本示例demo核心功能为:使用Air8101系列核心板对Micro SD卡(TF卡)实现完整操作流程,覆盖了从文件系统挂载到高级文件操作的完整功能链。
最新示例源码:https://gitee.com/openLuat/LuatOS/tree/master/module/Air8101/demo/accessory_board/AirMICROSD_1000
main.lua:主程序入口,主要用于初始化项目,加载应用模块。
AirMICROSD_1000.lua:TF卡基础应用模块,实现文件系统管理、文件操作和目录管理功能。
http_download_file.lua:HTTP下载模块,实现网络检测与文件下载到TF卡的功能。
部分示例代码说明如下,完整demo详见源码仓库最新文件。
▼ AirMICROSD_1000.lua ▼
1)文件系统管理
挂载:挂载FAT32文件系统到/sd路径;自动格式化检测与处理;
空间信息获取:实时查询TF卡可用空间;输出详细存储信息(总空间/剩余空间)。
2)文件操作
创建目录:io.mkdir("/sd/io_test")
创建/写入文件:io.open("/sd/io_test/boottime", "wb")
检查文件存在:io.exists(file_path)
获取文件大小:io.fileSize(file_path)
读取文件内容:io.open(file_path, "rb"):read("*a")
启动计数文件:记录设备启动次数
文件追加:io.open(append_file, "a+")
按行读取:file:read("*l")
文件关闭:file:close()
文件重命名:os.rename(old_path, new_path)
列举目录:io.lsdir(dir_path)
删除文件:os.remove(file_path)
删除目录:io.rmdir(dir_path)
3)结果处理
资源清理(卸载)

今天的内容就分享到这里了~

浙公网安备 33010602011771号