简化音频硬件开发,Air8000参考设计:一招打通技术瓶颈
音频开发中,技术瓶颈往往卡在硬件环节。Air8000参考设计通过优化电路架构与提供标准化接口,降低开发复杂度,无论是初创团队还是资深工程师,都能快速突破设计难点。
Air8000系列工业引擎通过4G、Wi-Fi、BLE、GNSS等多功能“All in One”的高集成设计,对工业级可靠性与功耗的深度优化,以及对开发者极为友好的生态支持,成为物联网和工业自动化领域的优选方案。
Air8000全系支持音频功能,无论VoLTE还是TTS,都支持。
但是Air8000本身并未内置Audio Codec和Audio PA,因此如需使用Air8000系列的音频功能——需要在外部增加Audio codec和Audio PA。
一、开发板参考设计

以Air8000开发板为例,我们的选型是:
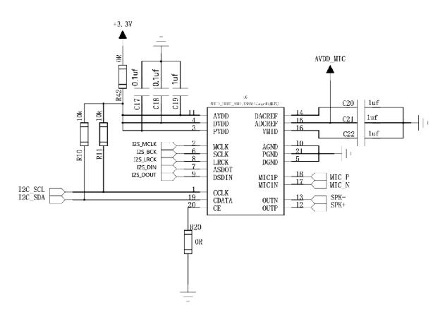
Audio codec:推荐顺芯ES8311,I2S接口传输PCM数据,I2C接口传输控制命令;
Audio PA:开发板选用的是纳芯微D类音频放大器NS4150B,可以驱动4Ω 3W的喇叭。
开发板原理图如下图示:

最新参考设计及开发资料下载:https://docs.openluat.com/air8000/product/shouce/
U3为一颗3.3V LDO,用于给ES8311供电,由8311_EN控制打开或关闭;
ES8311即为顺芯Audio Codec,支持一路上行Mic,一路下行Speaker;
MIC1选用的是一颗驻极体Mic,大家也可以根据自己的需要灵活选择硅麦;
U1为纳芯微NS4150B,最高可驱动4Ω 3W的喇叭(5V供电时),由PA_EN单独控制打开或关闭。
二、相关设计建议
大家在自己设计原理图和PCB时,我们的建议是:
8211_EN控制给ES8311供电的LDO打开或关闭,可以在不使用音频功能的时候关闭ES8311,以达到尽可能降低功耗的效果。
NS4150B由系统主电源4V直接供电,最大输出功率实际可达2W(5V供电时最高可达3W,详见NS4150B规格书说明);
由于输出功率较大,因此在PCB走线时,从NS415B的PIN5:VON和PIN8:VOP到Speaker的走线,需要适当加粗到0.5mm以上。
由于ES8311的输出和NS4150B的输入皆为差分信号,因此ES8311的PIN12:OUTP可以接到NS4150B的PIN3:INP,也可以接到NS4150B的PIN4:INN;ES8311的PIN13:OUTN也一样,只要两个差分信号保持成双成对即可。
大家可以根据自己的情况灵活选择任意音频放大器,但Audio Codec推荐选择顺芯ES8311,合宙在Air8000系列型号上已经做好了驱动适配。
三、特别注意事项
接下来,给大家介绍一个在Audio应用中经常遇到的“坑”,请大家务必避雷!
细心的朋友可能已经发现了,Air8000开发板原理图中——由8311_EN和PA_EN两个GPIO分别控制Audio Codec和Audio PA。
为什么不合二为一用一个GPIO控制呢?
当开始音频播放时,GPIO拉高,同时打开Audio Codec和Audio PA;
当结束音频播放时,GPIO拉低,同时关闭Audio Codec和Audio PA。
原理上没问题,但实际应用中:
同时打开Audio Codec和Audio PA时,喇叭会有不受控制的POP音产生。
大概的原因是ES8311的初始化需要时间,而Audio PA的打开是即时的,在ES8311初始化的过程中,POP音就产生了。
因此,实际应用中Audio PA要相对Audio Codec的打开稍晚一定的时间。
所以,再次提醒:
Audio Codec和Audio PA的使能管脚务必通过两个独立的GPIO分别控制。
我们推荐的是:
Audio Codec使用GPIO164;
Audio PA使用GPIO162。
Audio API函数都已经设置好了,大家只需要按照要求输入相应的两个GPIO即可:

四、标准配件

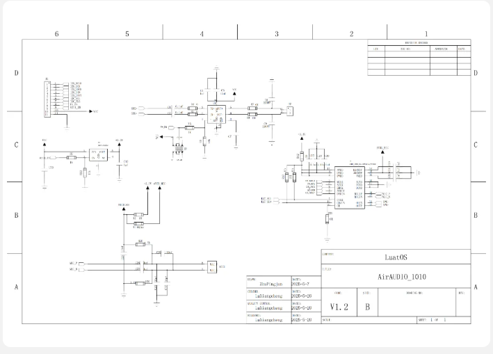
为了方便大家测试,我们还设计了AirAUDIO_1010标准配件,供大家结合Air8000系列核心板测试音频功能。
AirAUDIO_1010包含了Audio Codec、Audio PA、为Audio Codec供电的LDO、Mic、Speaker插头,以及两个独立的Codec和PA使能GPIO。
相关原理图与PCB、硬件参考设计、音频应用示例等资料,持续更新开放。
最新资料下载:
https://docs.openluat.com/accessory/airaudio_1010/

今天的内容就分享到这里了~

浙公网安备 33010602011771号