解锁音质真相!AirAUDIO_1000:还原声音的“原始密钥”
声音的真实魅力,往往藏于细节之中。AirAUDIO_1000作为音频配件板,解锁了高保真音质的还原能力,精准捕捉每一个声波动态,让听众直抵声音的本源,感受纯粹听觉体验。

AirAUDIO_1000——是支持2路上行Mic,1路下行Speaker的音频配件板。
今天一起来细聊聊AirAUDIO_1000——出镜率高,绝不“默默无闻”的音频配件板。
一、AirAUDIO_1000使用说明
AirAUDIO_1000配件板包含了Audio PA、为Audio Codec供电的LDO、Mic、Speaker插头、以及一个独立的PA使能GPIO。
使用要点说明如下:
1. MIC1:
MIC1的特点是配件板无Micbias偏置电压电路,需要搭配使用的模组已内置Micbias偏置电压电路。
1)适配型号:
可搭配Air780EHV、Air8101、Air8101A使用。
Air780EHV只支持1路Mic,已内置Micbias偏置电压电路;
Air8101、Air8101A支持2路Mic,其中Mic1已内置Micbias偏置电压电路。
2)注意事项:
Mic+、Mic-有正负之分,不可以接反,否则Mic无法正常工作;MIC1有板载贴片式驻极体Mic,也预留了焊接式驻极体Mic焊盘,以便调试需要时方便焊接。
2. MIC2:
MIC2的特点是配件板有Micbias偏置电压电路,需要搭配使用的模组未内置Micbias偏置电压电路。
1)适配型号:
可搭配Air8101、Air8101A使用。
Air8101、Air8101A支持2路Mic,其中Mic2未内置Micbias偏置电压电路,直连AirAUDIO_1000的MIC2+、MIC2-;
同时也需要将Mic_bias偏置电压,直连AirAUDIO_1000的MIC_BIAS。
2)注意事项:
Mic+、Mic-有正负之分,不可以接反,否则Mic无法正常工作;MIC2有板载贴片式驻极体Mic,也预留了焊接式驻极体Mic焊盘,以便调试需要时方便焊接;MIC_BIAS不连接时,Mic2无法正常工作。
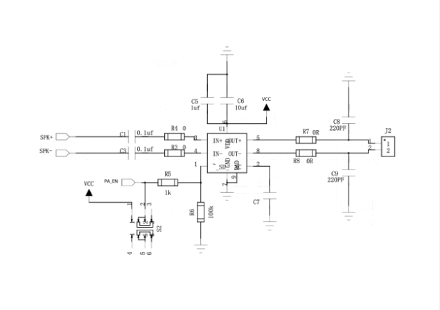
3. Speaker
可直接驱动2.5W 4欧姆喇叭,已内置D类音频 PA(PAM8302),官配喇叭配件。
Air780EHV、Air8101、Air8101A的Speaker,直连AirAUDIO_1000的SPK+、SPK-。

4. PA_EN
即AirAUDIO_1000板载音频PA的使能脚;高,开启;低,关闭。
AirAUDIO_1000上的拨动开关,是手动的“PA_EN”。
当PA_EN不方便由主控控制时,可直接将拨动开关拨至ON侧;
当PA_EN由主控软件控制时,需要将拨动开关拨至OFF侧。

5. VCC
VCC为AirAUDIO_1000的板载PA供电,电压供电范围2.0V-5.5V,但只有在5V供电时才能输出2.5W功率。
建议由为模组供电的VBAT给VCC供电,虽然实际输出功率可能小一些,但调试时连接会比较方便。
二、原理图及参考示例
相关原理图与PCB、硬件参考设计、音频应用示例等资料,持续更新开放。
最新资料下载:https://docs.openluat.com/accessory/airaudio_1000/

今天的内容就分享到这里了~
 
                    
                     
                    
                 
                    
                
 
                
            
         
         浙公网安备 33010602011771号
浙公网安备 33010602011771号