支持CAN和以太网,开发板最新资料一篇搞定!

工程师朋友们已安排!Air780EPM最新固件新增支持以太网/CAN/OneWire,需要的朋友可下载调试。硬件手册、原理图及PCB封装、参考设计原理图等硬件资料,也都可以从资料中心下载。
最新固件和demo下载:
https://docs.openluat.com/air780epm/luatos/firmware/
最新硬件资料下载:
https://docs.openluat.com/air780epm/product/shouce/


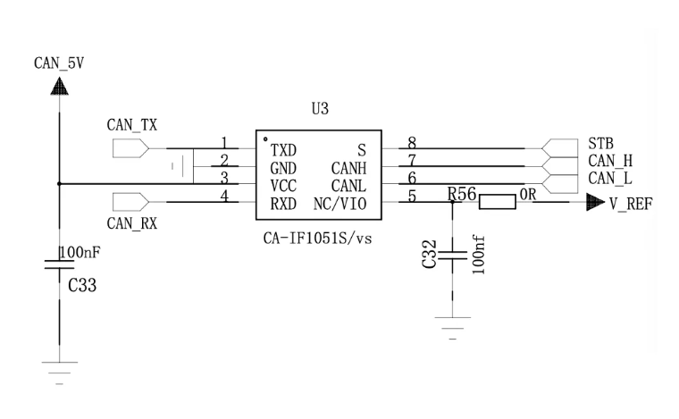
一、CAN接口电路参考设计
Air780EPM开发板及参考设计,采用的是川土微CAN收发器芯片。
川土微CAN收发器芯片,本封装共有两个型号:
一个是CA-IF1051S;
一个是CA-IF1051VS;

区别是PIN5逻辑电平供电管脚的不同:
CA-IF1051S的PIN5保持悬空,逻辑电平同PIN3 VCC电压;CA-IF1051VS的PIN5单独供电VREF,逻辑电平同VREF。
Air780EPM的VREF默认3.0V,与Air780EPM IO电平一致,因此即便在CA-IF1051VS的VCC电压是5V的情况下,也可以不需要电平转换电路。
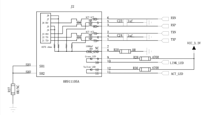
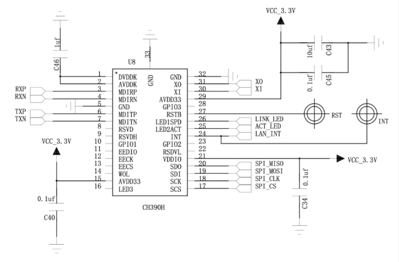
二、以太网RJ45电路参考设计
Air780EPM既可以支持WAN功能,也可以支持LAN功能。实际应用场景中,我们最常用到的功能是4G模组的LAN功能,也就是大家常说的4G转以太网功能。
所以,Air780EPM开发板只有一个RJ45接口,默认支持LAN功能。

同时支持WAN和LAN功能,则需要预留两路RJ45接口电路(包括两个CH390H)。

Air780EPM开发板使用的是沁恒CH390H作为参考,当然,您也可以直接使用沁恒CH390D替代,二者硬件封装不同,但软件一致。

今天的内容就分享到这里了~
 
                    
                
 
                
            
         浙公网安备 33010602011771号
浙公网安备 33010602011771号