手机信号放大器的作用和原理
手机信号放大器的作用和原理
来源 https://zhuanlan.zhihu.com/p/81832467
所谓手机放大器,并非指安装上这种器材在原地就能改善通信效果,手机信号单单经过放大是不能改善信号质量的。信号质量,在很大程度上取绝于信噪比,信噪比指标是不可能通过简单的放大来改善的,因为在放大有用信号的同时,噪声信号也得到了同样的放大。
改善信号质量有两个途径,一个是主要的,就是尽可能提高天线在空中拾取到的信号能量,另一个是次要的,就是尽可能压低系统噪声。之所以将压低系统噪声放在次要的地位,是因为压低系统噪声非常困难,很不现实。所以,提高信号质量最有效的途径是设法提高天线的输出。但是,天线的输出取决于信号场强,只要手机天线所处的位置确定,那么,无论用什么方法来改善信号质量所起的作用都是很有限的。

信号不好时,手机用户往往会拿着手机按照手机上面的信号指示到处找信号,这是很有效的办法,但是很不方便,因为信号比较好的位置不一定是手机使用者能够常呆的地方。所以,选一付高增益天线,架设到信号更好的地方,然后将天线用射频同轴电缆连接到手机使用者常用地并连接手机,这样,在没有信号的地方使用手机就成为可能的了。
上述方法肯定是非常有效的,但是有很多不便。其一是手机拖一条电缆使用很难让人接受,其二是很多手机没有外接天线的插口。即便是有插口,也不一定能够买到配套的插头,所以,要想方便地利用高增益天线接收到的较高质量的信号,必须解决高增益天线与手机无线连接的问题。

若是高增益天线能够安装在很近的强信号处,如大城市的地下室,内部几乎没有信号,而外面不远就可以找到很强的信号,那么用下图示意的方式就能解决问题。

将高增益天线架设到外面强信号处,用几米长的射频同轴电缆引入无信号的室内,在终端接一个小天线,将手机靠近小天线,就可以在无信号的室内实现可靠地通信。
但是,上述只是一种比较极端的情况,更多的场合是没有这么好的条件的,往往需要在十米二十米以外才能找到强信号,这时,用这种简单的方法就不能奏效了。因为在900MHz频段,电缆的损耗是比较大的,而小天线与手机之间的信号传输也有不小的衰减量,这样高增益天线和手机之间无法实现有效地传输,当然也就无法通信了。解决的办法是在传输途径中插入放大器来弥补传输损耗,如下图所示。

实践证明,插入一个20分贝的放大器,即便是需要20-30米长的电缆,这种装置也还是很有效的,只要是高增益天线所安装的位置信号足够强,手机距离小天线1-2米,即可显示较强的信号。但是,这样的装置是无法实现通信的,因为手机通信要靠两个传输通道,一个是上行通道,用来发话和应答基站指令,另一个是下行通道,用来接受基站指令和接听电话,这两个通道缺一不可,假如只有上图所示的下行通道,虽然可以很好地接收到基站发来的相关指令,但是没有上行通道手机无法应答,系统不会接通通信链路,整个通信就不可能实现。所以,必须在上图所示的装置中在增加一个传输通道,通信才能实现,如下图所示。

不要指望用两支室外天线、两个室内天线、两个放大器组成上图的系统就能工作,实际上是行不通的。实际上这样必然自激,不可能工作。所以,放大器一定要具有很好的选频特性,集上行和下行于一体,但又可以分工的信号放大器,即上行信号放大器只允许上行信号通过,而下行信号放大器只允许下行信号通过,这样,系统就可以稳定地工作了。如下图

5G射频PA架构
来源 https://zhuanlan.zhihu.com/p/542881969
作者:彭洋洋博士
自2019年5G元年开始,过去3年5G建设如火如荼的进行。5G快速发展中,受益最大的就是射频前端芯片。根据Yole的预测,至2026年,全球射频前端总市场将达到216.7亿美金,与2019年的124.1亿美金相比,7年增长率达74.6%。
射频前端芯片是无线通信的核心器件,是指天线之后、收发机之前的功能模块,因为位于通信系统的最前端,所以被称为“射频前端”,一般包含功率放大器、滤波器/双工器、开关以及低噪声放大器。

图:射频前端的构成及功能
射频PA(Power Amplifier,功率放大器)是射频前端中的重要器件,其性能直接决定信号的强弱、稳定性、功耗等重要因素,决定用户体验。其核心参数包括增益、带宽、效率、线性度、最大输出功率等,众多平衡的性能指标非常考验设计能力。

图:射频PA在芯片设计中的位置
随着5G的发展,对射频PA的技术性能需求再次拉升,需要PA有更高的工作频率、更高的功率、更大的带宽,同时模组化的到来也需要PA设计满足高集成度模组化的需求。
于是,不同架构设计的PA被大家关注起来,除了日常听说的单端PA,近年来手机应用中还出现了如Push-pull PA、Balance PA、Doherty PA等等多种PA架构。这些PA架构分别指的是什么?它的原理是什么?应用时有什么特点?本文将对以上问题进行讨论。
PA的设计理念
PA是Power Amplifier(功率放大器)的缩写,是一类主要用于功率放大输出的放大器类型。与其他放大器,如低噪声放大器、驱动放大器不同,功率放大器的主要目的是从直流榨取出尽量多的射频信号,而不是仅仅关注增益。
为了达到足够高的功率输出,PA的输出放弃了用来最大信号“传输”的共轭匹配,而采用了可以实现最大功率“输出”的负载线匹配。另外,为了实现可控的直流消耗,PA设计必须考虑效率优化设计。
负载线匹配使得PA的电压与电流摆幅均达到最大,也即达到了最大功率输出的目标。有关PA负载线设计的理念,可参考文章《5G PA的Load-line与Load-pull》。

图:负载线理论与电压/电流摆幅
以上仅为单个PA单元的设计思路与方法,在实际应用中,有可能单个器件的电流、电压摆幅不足以满足PA整体指标需求;也有可能需要结合架构设计,实现改善效率、改善驻波的需求。这时,就需要在PA架构侧做改进。
PA的核心目标就是 “功率” ,不同PA的架构也是围绕 “功率合成” 这一理念进行的。在功率合成中,根据功率合成类型的不同,可以将功率合成分为“简单功率合成”与“特殊功率合成”。
“简单功率合成”是指将多个小功率器件进行合成,直到合成至足够大的功率。简单功率合成的方式有:电流合成、电压合成、功率合成。
“特殊功率合成”是指利用较为特殊的合成方法,在合成的时候完成一些特殊的特性设计。常见的合成方法有Push-pull(推挽)、Balance(平衡)、Doherty(多尔蒂)等。
以下将对几种PA架构的设计进行讨论。
简单功率合成
电流合成
电流合成是最简单的功率合成方式,实现方式是将多个较小的器件进行并联连接,将电流进行并联。

图:功率放大器的电流合成
在实现上,电流合并即在Layout中将多个晶体管的基极、集电极、发射极分别连接,由于实现简单,在功率放大器的设计中被广泛采用。
下图为典型的GaAs功率放大器功率级版图,图中末级的功率输出级由4列功率阵列(Power Array)构成,每个功率阵列包含5个功率单元(Power cell),共计20个功率单元,一起完成末级功率放大输出。

图:典型功率放大器功率级版图
虽然电流合并实现简单,但在设计的时候也有许多要点需要注意:
- 单个功率阵列不易过长,以确保电流是同相叠加
- 不同阵列之间合并时要注意走线的对称性,保证电流合成时的相位相同
- 用于电流合并的走线较宽,要注意合理设计,减少走线带来的寄生电容效应
电流合并由于设计简单,实现方便,在功率放大器中被广泛使用。
电压合成
除了电流合并方式外,还有一种简单合并方式是将电压进行合并。电压合并的优点是可以提高最优输出阻抗点,在做阻抗匹配时可以实现更低的阻抗匹配损耗。
下图为电压合并方式的典型实现电路,以及实现示例[1]。

图:采用电压合并的典型电路,以及典型实现案例
电压合并的方式适用于供电电压远大于器件耐受电压的场景,如有高压供电环境;或者采用低压器件进行PA设计时。
当前手机PA设计所使用的GaAs HBT 击穿电压VBCEO一般在10~25V之间,单个器件适用于5V以内的直流Vcc偏置电压。在2016年,业界公司尝试将电池电压由3.8V先升至11V左右,再供电给Cascode电压合并的PA设计,以达到提高输出最优阻抗,进而提升PA整体效率的设计目的。此方案在2016年前后的一些旗舰手机中得到了成功采用。不过由于需要额外的升压电路,影响了方案的通用性,此方案并未在业界推广开来。
功率合成
其实电流、电压的合并都是在做功率合成,不过,还有一些功率合成方式不能严格的说是在做电流合成还是在做电压合成,就将其归类为“功率合成”。
典型的功率合成方式是用功合器进行功率合并,威尔金森(Wilkinson)功合器(功分器)就是一种简单的功合器。威尔金森功率合器与其设计的功率合成PA如下图所示 [2]:

图:典型的威尔金森功分器设计,以及其设计的功率合成PA
由于威尔金森功合器有三端口可以同时匹配的特性,所以采用其设计的功率合成PA设计简单,只需要单独设计好各路PA,再进行单独进行功率合成即可。不过,由于威尔金森功合器需要两段λ/4传输线,并且两支路之间需要并接100 Ohm电阻,在Layout实现时并不经济,在对面积有限制的设计中无法有效采用。
为了改善威尔金森功合器的面积制约,在一些设计中采用了直接二合一合并匹配(Binary Combine)的方式进行设计,虽然采用这种方式不能达到三端口的完全匹配,但由于所占面积小,实现方便,在MMIC设计中得到了广泛采用。下图为采用直接二合一合并方式实现的PA设计[3]。

图:采用二合一直接合并的方式实现的功率放大器
除了在功率合成器上的研究外,一些研究还采用变压器(Transformer)或者直接空间功率合并的方式进行功率合成[2]。

图:采用威尔金森、变压器,以及空间合并的功率合成示意图
特殊功率合成
在“简单功率合成”中,功率合成的思路是将功率进行简单合并,完成“1+1=2”的功率输出。除了功率的简单合成外,还可以在功率合成中加入特殊设计,完成功率合成的同时,也实现更复杂的特性。
一些常见的特殊功率合成方法有Push-pull(推挽)、Balance(平衡)、Doherty(多尔蒂)等。
Push-pull PA
Push-pull PA一般在中文中被译为推挽PA。Push-pull PA的设计是将两个分别正、反导通的放大器合并,完成整个周期波形合成输出。这样,每个单独的PA就可以设计为高效率的Class B工作模式,PA整体有高的效率。

图:Push-pull PA原理图示
上图所示的Push-Pull PA由NPN和PNP型两个晶体管构成,分别负责正半周期及负半周期的信号导通。在实际设计中,由于PNP型双极型晶体管一般不易做成高速,而且在集成电路实现中,一般的Epi(外延层)只含有一种类型的晶体管,所以在射频中常采用双NPN型晶体管设计电路。
这个时候输入和输出就需要用到不平衡到平衡的转换电路,即巴伦(Balun,Balance to Unbalance),来将两路信号进行反向。采用巴伦和双NPN晶体管设计的Push-pull PA如下图所示。不同于采用NPN+PNP设计的推挽 PA中有物理接地、两路功放均与地为参考流动,采用巴伦和双NPN晶体管设计的Push-pull PA电流在两路之间差分流动,射频以二者中间点为虚拟参考地。

图:采用双NPN型晶体管及巴伦设计的Push-Pull PA
需要说明的是,Push-Pull PA不止可以用两个Class B的PA进行PA效率的提升,还可以用两个Class A的PA合并,进行功率的合成提高。采用Class A进行设计时,单个PA的效率并没有提升,但输出功率合成增加。采用两个Class A PA进行功率合成的示意图如下图所示。

图:采用Class A PA设计的功率合成Push-Pull PA
巴伦是Push-pull PA的重要器件,巴伦是完成平衡信号(差分信号)与非平衡信号(单端信号)相互转换的电路。在平衡信号侧,信号以差分形式传输,相位相差180 °;在非平衡侧,信号以地为参考,单端传输。双线变压器绕线法是常见的一种巴伦实现方法,采用双绕线耦合的形式,可实现信号不平衡到平衡的相互转换[4]。并且,还可以改变线圈的比例,实现不同阻抗的变换。

图:双线变压器绕线法实现的巴伦
在芯片设计中,通常利用多层金属边缘耦合(Edge Couple)或者宽边耦合(Broad Side)的方式实现金属线圈间的耦合。下图为集成电路中的变压器巴伦的实现[5]。

图:集成电路中变压器巴伦的实现及其等效电路
为了产生对称的差分信号,巴伦在设计中一般注意线圈绕线的对称;另外Push-pull PA两个放大通路也需要对称设计,这也就使得Push-pull PA较易识别:
- 有对称的两个PA放大通路
- 两个PA放大通路的前后有对称的绕线巴伦
下图为典型的Push-pull PA芯片设计版图[6]。

图:典型的Push-pull PA芯片设计
Balance PA
Balance PA一般翻译为平衡放大器,是另外一种特殊的功率合成方式。Balance PA与Push-pull PA相同,也是采用两路PA进行功率合并。不过与Push-pull PA的180 °功率分配与合成不同,Balance PA采用的是90 °的功率分配与合成。下图为Balance PA的设计框图。

图:Balance PA设计框图
Balance PA最大的特点是,只要两路PA是完全对称的,则两路PA的反射信号将在输入与输出端口完全抵消,实现输入和输出在较宽范围内有较好的VSWR,适合于对S11/S22有特殊需求的场景。Balance PA中反射信号的抵消原理可用下图表示。

图:平衡放大器对输入驻波的改善作用
因为有以上特性,Balance PA有很好的S11/S22特性,文章[8]显示,Balance PA架构可以将以1.5GHz为中心频率PA的S22实现由-10dB至-35dB的优化,在1.4~1.6GHz范围内均实现-15dB以下的S22。
但由于Balance PA对S11/S22的抵消以及功率的合成依赖于耦合器90 °的精准相移,而耦合器的相移精度与频率相关,所以Balance PA只能在一定频率范围内控制有效。根据文章[8]显示,在1.2~1.7GHz之外,Balance PA的S11/S22与S21与单端相比反而出现了恶化,在1.0GHz及2.0GHz处,S22恶化5~10dB,S21恶化5~7dB。

图:Balance PA与单端PA的特性比较
由于在抵消点附近Balance PA表现出良好的S11/S22,同时有较好的负载不敏感特性,Balance PA在一些业界公司也被称为Load Insensitive PA(负载不敏感PA),简称LIPA。
Balance PA设计的关键器件是90°功率分配及合成器,其实现方式有多种方式,可以采用移相器的方式进行设计,也可以采用定向耦合器,或者90 °正交混合网络的方式进行设计。下图为采用移相的方式实现90 °功率分配与合成的Balance PA设计[9]。

图:采用移相的方式实现90 °功率分配与合成的Balance PA设计
在微波/毫米波频段,若采用集总的电感、电容移相,则器件值较小,较难实现。一般在微波/毫米波频段会采用90 °耦合器的方式来实现90 °的功率分配与合成。下图为采用定向耦合器方式实现90 °功率分配与合成的Balance PA设计[10]。

图:采用定向耦合器方式实现90 °功率分配
与合成的Balance PA设计
Balance PA设计和特性的特殊性也可以用来识别Balance PA:
- 有对称的两个PA设计通路
- 有不对称的功率分配/合成网络
- 测试S11/S22,在抵消点附近有较好的S11/S22
Doherty PA
Doherty PA近年来可谓是在手机射频PA使用中备受关注的架构,话题性非常强。Doherty PA引人注目的一个原因是它的高效特性,可以很好的缓解5G因为功率提升带来的功耗提升问题。
Doherty PA对于效率的优化是通过“动态负载调制效应”,是靠“两路工作在不同状态的PA相互配合,使得PA的负载发生变化,从而优化PA的回退特性”。虽然教科书上都是如此解释,但一个PA的负载竟然可以靠另外一个PA的工作状态来改变,听上去总是有些黑科技的意味,更加深了Doherty PA的神秘感。
Doherty PA近年来被手机PA设计所关注,但却不是最近才被研制出来的新架构。Doherty PA是由享有盛名的实验室:贝尔实验室的工程师William H. Doherty在1936年所发明的,距今已经有近90年历史。William H. Doherty最初研究的目标是开发KW量级的高效跨大洋传输功率放大器,在Doherty PA被发明后,由于匹配的应用场景还未出现,在整个20世纪的大部分时候,仅在AM发射机中有些应用。

图:William H. Doherty个人简介
虽然Doherty PA发明之后在很长时间里并没有广泛应用,但这一切都是藏器待时。1990年,随着全球移动通信的迅猛发展,对于高效、高功率的PA有了强烈需求。同时,硅基、III-V族半导体工艺的发展,数字信号处理技术带来的线性化技术,为Doherty PA在移动基站的应用提供了坚实的应用基础。Doherty PA技术在基站侧迅速发展,目前几乎统治了整个宏基站PA市场。
Doherty PA的核心原理是“负载调制”效应,基原理如下图所示。若一个负载R由两个源进行激励,分别为电压源及电流源,则电压源V1看到的阻抗可以由欧姆定律表示为:

若电流源的输出电流I2发生变化,则电压源V1看到的阻抗也将发生变化。即可以用电流源I2的大小,控制V1看到的阻抗,这就是“负载调制”的基本原理。

图:电压源及电流源激励下的负载调制效应
在实际PA设计中,一般是将PA等效为电流源。于是在实际设计中需要加入阻抗反转网络,将电流源转换为电压源。另外,为了满足阻抗匹配的需求,和相位对齐的需求,还会加入补偿线等,完成整个Doherty功放的设计。

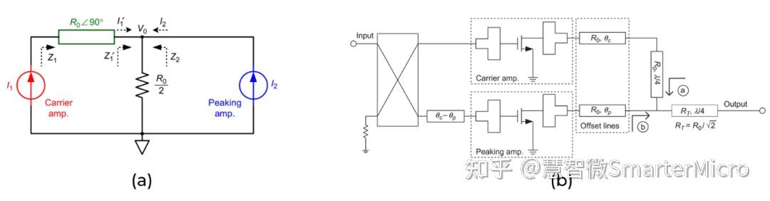
图:Doherty PA的原理和具体实现
Doherty PA由两个PA通路构成,分别是Carrier通路和Peak通路。在小功率工作时,只有Carrier功放开启,其负载线维持在较高位置,保持高的效率;在大功率时,Peak功放开启,Carrier功放负载线被调制至较低位置,产生较高功率输出。以此完成功率回退时效率的提升。(有关负载线与输出功率的关系,详见文章《5G PA的Load-line与Load-pull》点击蓝字跳转)。
实际在分析Doherty PA的工作时,并不像以上说明这么简单,在慧智微PA问答群中,Doherty PA设计专家表示:Doherty PA的推导需要在功率、电压、阻抗三个维度去考虑。推导Doherty理论,首先要有一个概念,就是要站在整体上把Doherty分解,从功率角度就是两个节点,一是回退功率,二是饱和功率,站在这两个点上去分析两个管子的阻抗变化,功率变化,电压变化。
下图展示为一个典型的Doherty PA效率曲线图,此设计为一款饱和功率为20dBm的60GHz Doherty PA。可以看到,在回退7dB时,Doherty功放的效率相比于Class-B功放有1.45倍的提升,相比于Class-A有2.9倍的提升[13]。

图:Doherty在功率回退时的效率改善特性
在手机应用中,Doherty PA并不常见。最主要的原因是手机使用环境复杂,需要支持的频段和模式众多,而Doherty PA负载敏感、较窄带,并且需要强大算法加持的特性使得传统意义Doherty PA在手机应用中并不兼容。手机与基站侧应用环境的比较如下表所示。

图:基站与手机应用环境差异
近年来随着5G手机中PA耗电的持续增加,Doherty PA被重新考虑是否可应用于手机应用。因为手机应用复杂,需要考虑在高低温、不同天线驻波比下均满足系统指标,Doherty PA在满足这些指标设计时,需要牺牲回退效率优化的特性,用以折中兼容以上手机应用中的必须特性。
下图为文章[14]中展示的Doherty PA设计实例。

图:Doherty PA设计示例
在实际分析中,可以根据Doherty PA在的特性来识别是否是Doherty PA:
- 至少有两路功放构成
- 两路功放呈非对称状态,或者是设计的不对称,或者是偏置状态的不对称
- 功率合成部分为非对称结构
- 测试S11/S22,以区分Doherty PA与Balance PA
以上不同的功率合成架构有不同的应用,将特殊功率合成

多种架构混合设计
不同PA架构之间也不是非此即彼,也是可以相互结合的。比如在Doherty PA或者Push-pull PA的每个PA单元中,都可以选择电流合并或者电压合并的结构进行设计。
甚至不同的特殊功率合成之间也可以相互组合,例如, Doherty PA的Carrier和Peak PA就可以选择Push-pull PA。甚至还可以将两个Doherty PA组合设计成Balance PA,减少Doherty PA的负载敏感特性。
下图为文献[15]中所设计的PA,其中利用到了威尔金森功分器、90 °正交耦合器、差分放大器以及Doherty PA架构。

图:多种架构组合的PA设计
总结
本文对工程中常见的PA架构做了简单整理,介绍了不同架构PA的设计思路,架构特点,以及主要的实现方式。
另外需要说明的是,PA架构并无优劣之分,只有合适与否。只有了解当前的需求和限制,了解不同PA的特性,才能选择恰到好处的PA架构。
欢迎留言,对PA架构做更深入的探讨,一起加深对不同架构PA的理解。
本文写作过程中,得到众多业界专家的指导,在此表示感谢!
参考文献
[1].Lei M F , Tsai Z M , Lin K Y , et al. Design and Analysis of Stacked Power Amplifier in Series-Input and Series-Output Configuration[J]. IEEE Transactions on Microwave Theory & Techniques, 2007, 55(12):2802-2812.
[2]. Atesal Y A , Cetinoneri B , Chang M , et al. Millimeter-Wave Wafer-Scale Silicon BiCMOS Power Amplifiers Using Free-Space Power Combining[J]. IEEE Transactions on Microwave Theory and Techniques, 2011, 59(4):954-965.
[3].Ping-Sung Chi, Research of HEMT and CMOS Microwave Power Amplifier, 2009, NTU.
[4].Mclean J . Analysis of the Distributed Bifilar Isolation Transformer and Current Balun[C]// 2020 IEEE International Symposium on Electromagnetic Compatibility & Signal/Power Integrity (EMCSI). IEEE, 2020.
[5].Lin Y C , Chen K S , Horng T S , et al. A 2.5-2.7 GHz pseudo-cascode CMOS receiver front-end with integrated unequal-turn-ratio transformer balun. 2010.
[6].An K H , Kim Y , Lee O , et al. A Monolithic Voltage-Boosting Parallel-Primary Transformer Structures for Fully Integrated CMOS Power Amplifier Design[C]// Radio Frequency Integrated Circuits. IEEE, 2007.
[7].Cripps S C . The evolution of the push-pull RFPA[C]// Microwave Symposium. IEEE, 2015.
[8].Olukoya O , Kodogiannis V , Budimir D . Highly Efficient Balanced Power Amplifiers for 4G Applications[C]// 2018 41st International Conference on Telecommunications and Signal Processing (TSP). 2018.
[9].Zhang G , Chang S , Chen S , et al. Dual mode efficiency enhanced linear power amplifiers using a new balanced structure[C]// Radio Frequency Integrated Circuits Symposium. IEEE, 2009.
[10].Lee J , Chen C C , Tsai J H , et al. A 68–83 GHz power amplifier in 90 nm CMOS[C]// International Microwave Symposium Digest. IEEE, 2009.
[11].Staudinger J . Doherty history, principles and key developments[C]// 2016 IEEE/MTT-S International Microwave Symposium - MTT 2016. IEEE, 2016.
[12].Kim B . Doherty power amplifiers: From fundamentals to advanced design methods. 2018.
[13].Nguyen H T , Wang H . A Coupler-Based Differential Doherty Power Amplifier with Built-In Baluns for High Mm-Wave Linear-Yet-Efficient Gbit/s Amplifications[C]// 2019 IEEE Radio Frequency Integrated Circuits Symposium (RFIC). IEEE, 2019.
[14].Kato T , Yamaguchi K , Kuriyama Y . A 4-mm-square 1.9 GHz Doherty power amplifier module for mobile terminals[C]// Microwave Conference. IEEE, 2005.
[15].Wang F , Wang H . A High-Power Broadband Multi-Primary DAT-Based Doherty Power Amplifier for mm-Wave 5G Applications[J]. IEEE Journal of Solid-State Circuits, 2021, 56(6):1668-1681.
往期推荐:
- 射频书籍推荐【第一期】- 慧智微问答群
- 射频表贴电感的选型与使用
- 为了更流畅地刷抖音,射频工程师都做了什么?
- 5G射频PA的Load-line与Load-pull
- 如何成为一名“优秀”的射频工程师
- 5G PA“记忆效应”的现象、形成与消除
- 5G协议再演进:慧智微3GPP提案正式立项
- 5G射频前端模组的前世与今生
- 如何才能不烧射频PA?
- PA“自激”问题的分析与解决
- 三星新一代A系列5G手机全球发布,慧智微Inside
- 传遍朋友圈的“iPhone 13支持卫星通信”,支持的究竟是什么?
- 从4G到5G,手机射频芯片十年之路
- 收音机为什么叫“半导体”?
- MIPI RFFE协议解
http://weixin.qq.com/r/GD-K0pbEnsvhrdKx92oK (二维码自动识别)
=========== End

浙公网安备 33010602011771号