会员
众包
新闻
博问
闪存
赞助商
HarmonyOS
Chat2DB
所有博客
当前博客
我的博客
我的园子
账号设置
会员中心
简洁模式
...
退出登录
注册
登录
健康一贴灵,专注医药行业管理信息化
健康一贴灵
医药行业、IT、ERP
博客园
首页
新随笔
联系
订阅
管理
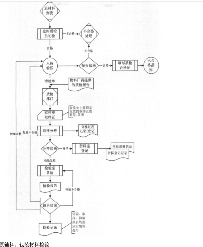
GMP-MES质量检验流程图(原料,请验,取样,检验,留样,报告,合格证)
检验单表
文件表
活到老,学到老。
posted @
2025-11-06 11:17
一贴灵
阅读(
6
) 评论(
0
)
收藏
举报
刷新页面
返回顶部
公告
学以致用,效率第一