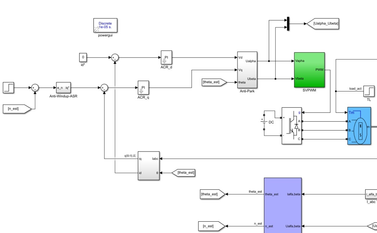
基于ESO的永磁同步电机无感FOC

1.采用线性扩张状态观测器(LESO)估计电机反电势,利用锁相环从反电势中提取位置和转速信息,从而实现无位置传感器控制;

2.提供算法对应的参考文献和仿真模型。

购买赠送PMSM控制相关电子资料。

仿真模型纯手工搭建,不是从网络上复制得到。

仿真模型仅供学习参考

ID:4868675880656281

posted on 2023-05-11 10:23  周槑  阅读(164)  评论(0)    收藏  举报