负载转矩观测 永磁同步电机FOC

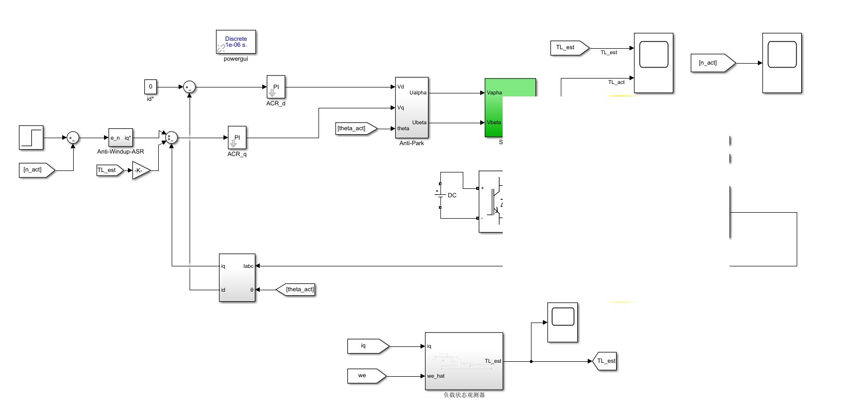
1.采用一种简单新颖的负载转矩观测器,相比传统的龙伯格等方法观测器设计巧妙,参数调节容易,观测负载转矩快速准确;赠送龙伯格负载转矩观测器用于对比分析。

2.将观测到的负载转矩用作前馈补偿,可提高系统抗负载扰动能力;

提供算法对应的参考文献和仿真模型,支持技术解答。

赠送PMSM控制相关电子资料。

仿真模型纯手工搭建,不是从网络上复制得到。

仿真模型仅供学习参考

ID:4868675816141279

posted on 2023-05-11 10:17  周槑  阅读(124)  评论(0)    收藏  举报