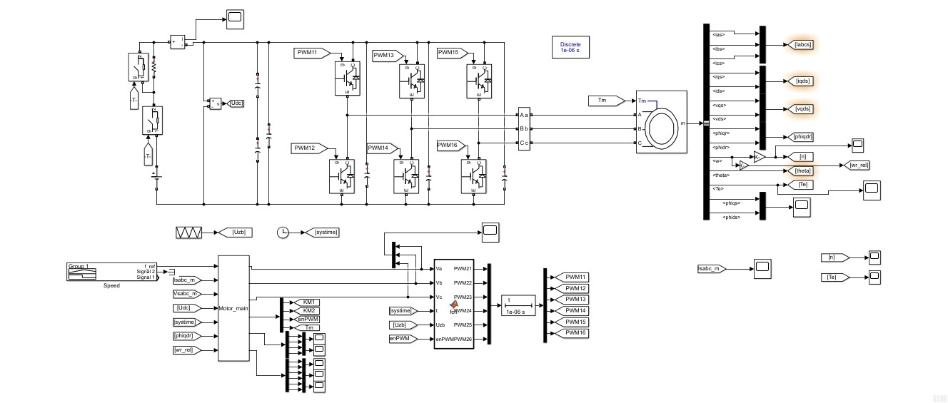
异步电机有速度传感器矢量控制算法的C代码+仿真模型,仿真采用C代码直接在Simulink模型里进行仿真的方式,当你不具备硬件调试的条件时,可以通过这种方法直接对代码进行仿真验证,所见即所得!

采用双闭环解耦控制算法,转速外环电流内环,转矩与励磁解耦控制,SVPWM空间电压矢量调制,电流谐波很小,转速控制精度高!可实现低速直接带满载启动!

ID:77162688079231922

posted on 2023-05-10 15:49  周槑  阅读(41)  评论(0)    收藏  举报