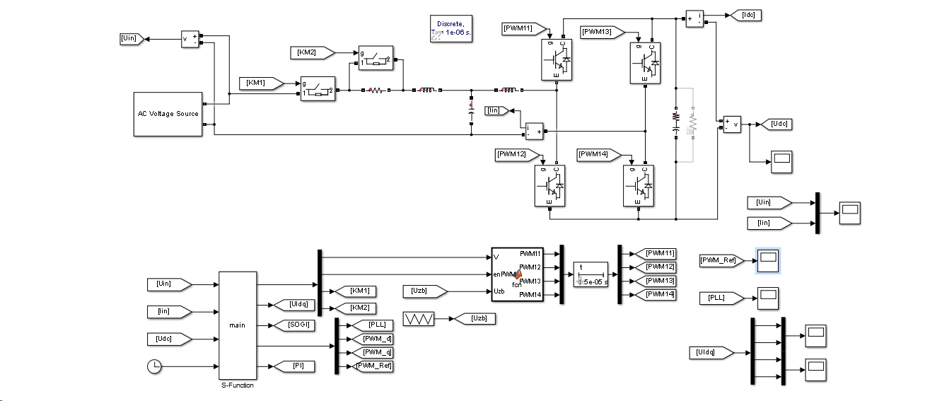
单相可控整流器的完整C代码+仿真模型,基于二阶广义积分器(SOGI)进行电网电压的锁相,四象限整流器:
1. 电压外环,电流内环,双闭环dq解耦控制,加前馈补偿,响应速度快,控制精度高,抗负载扰动性能优越!
2. 基于二阶广义积分器对电网电压进行锁相,可实现电网环境出现畸变、网压突变情况下的精准锁相;
3. 网侧单位功率因数运行;
4. 在一台额定功率为30kW的单相可控整流器上成功验证,算法代码可直接进行移植;
5. 整流器可在四个象限运行,即整流象限,逆变象限,感性无功象限,容性无功象限;6. 采用S-Function的方式将算法C代码直接在SIMULINK模型里调用进行仿真,所见即所得!
ID:63244676051104238






浙公网安备 33010602011771号