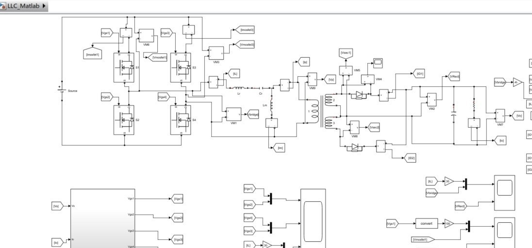
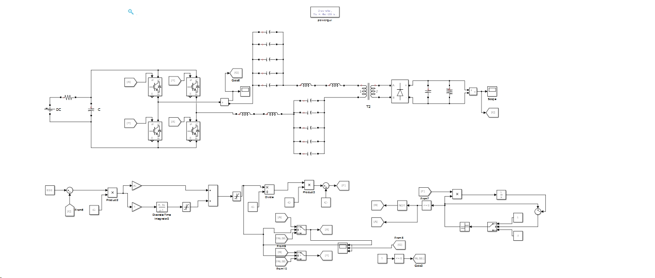
全桥LLC仿真模型,输出电压=650V,输入电压=750V,ZVS软开关。

功率为10kW,电压环响应速度快,控制精度高,抗负载扰动性能强。

输出电压纹波<±1%。

ID:6550668282418300

posted on 2023-05-10 14:16  周槑  阅读(191)  评论(0)    收藏  举报