数电基础 第四章
数电基础 第四章
组合逻辑电路
组合逻辑电路的特点
1.从功能上 :任意时刻的输出仅取决于该时刻的输入
2.从电路结构上:不含记忆(存储)元件
逻辑功能的描述


组合逻辑电路的设计方法
1.逻辑抽象
分析因果关系,确定输入/输出变量
定义逻辑状态的含意(赋值)
列出真值表
2.写出函数式
3.选定器件类型
4.根据所选器件:对逻辑式化简,变换,或进行相应的描述
5.画出逻辑电路图
设计举例
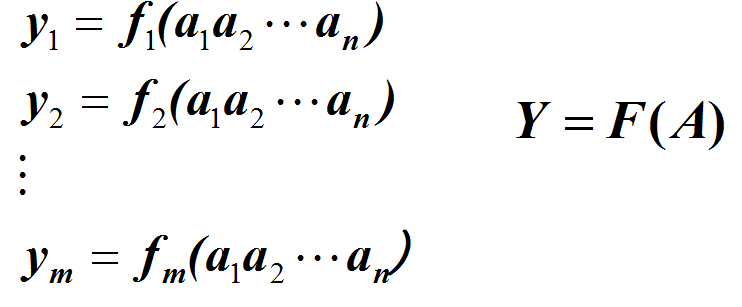
设计一个监视交通信号灯状态的逻辑电路

1.抽象
输入变量:红(R)、黄(A)、绿(G)
输出变量:故障信号(Z)
| 输入变量 | 输出 | ||
|---|---|---|---|
| R | A | G | Z |
| 0 | 0 | 0 | 1 |
| 0 | 0 | 1 | 0 |
| 0 | 1 | 0 | 0 |
| 0 | 1 | 1 | 1 |
| 1 | 0 | 0 | 0 |
| 1 | 0 | 1 | 1 |
| 1 | 1 | 0 | 1 |
| 1 | 1 | 1 | 1 |
2.写出逻辑表达式

3.选用小规模SSI器件
4.化简


5.画出逻辑图

若干常用组合逻辑电路
编码器
编码:将输入的每个高/低电平信号变成一个对应的二进制代码
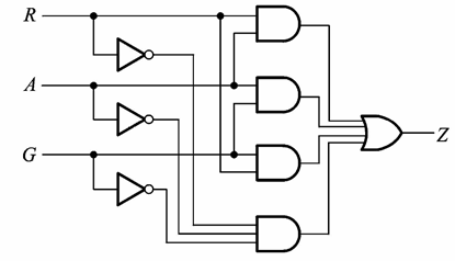
普通编码器
特点:任何时刻只允许输入一个编码信号。
例:3位二进制普通编码器

| 输 入 | 输 出 | |||||||||
|---|---|---|---|---|---|---|---|---|---|---|
| I0 | I1 | I2 | I3 | I4 | I5 | I6 | I7 | Y2 | Y1 | Y0 |
| 1 | 0 | 0 | 0 | 0 | 0 | 0 | 0 | 0 | 0 | 0 |
| 0 | 1 | 0 | 0 | 0 | 0 | 0 | 0 | 0 | 0 | 1 |
| 0 | 0 | 1 | 0 | 0 | 0 | 0 | 0 | 0 | 1 | 0 |
| 0 | 0 | 0 | 1 | 0 | 0 | 0 | 0 | 0 | 1 | 1 |
| 0 | 0 | 0 | 0 | 1 | 0 | 0 | 0 | 1 | 0 | 0 |
| 0 | 0 | 0 | 0 | 0 | 1 | 0 | 0 | 1 | 0 | 1 |
| 0 | 0 | 0 | 0 | 0 | 0 | 1 | 0 | 1 | 1 | 0 |
| 0 | 0 | 0 | 0 | 0 | 0 | 0 | 1 | 1 | 1 | 1 |
![]() |

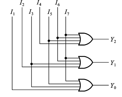
优先编码器
特点:允许同时输入两个以上的编码信号,但只对其中优先权最高的一个进行编码。
例:8线-3线优先编码器(设I7优先权最高…I0优先权最低)
| 输 入 | 输 出 | |||||||||
|---|---|---|---|---|---|---|---|---|---|---|
| I0 | I1 | I2 | I3 | I4 | I5 | I6 | I7 | Y2 | Y1 | Y0 |
| X | X | X | X | X | X | X | 1 | 1 | 1 | 1 |
| X | X | X | X | X | X | 1 | 0 | 1 | 1 | 0 |
| X | X | X | X | X | 1 | 0 | 0 | 1 | 0 | 1 |
| X | X | X | X | 1 | 0 | 0 | 0 | 1 | 0 | 0 |
| X | X | X | 1 | 0 | 0 | 0 | 0 | 0 | 1 | 1 |
| X | X | 1 | 0 | 0 | 0 | 0 | 0 | 0 | 1 | 0 |
| X | 1 | 0 | 0 | 0 | 0 | 0 | 0 | 0 | 0 | 1 |
| 1 | 0 | 0 | 0 | 0 | 0 | 0 | 0 | 0 | 0 | 0 |
![]() |
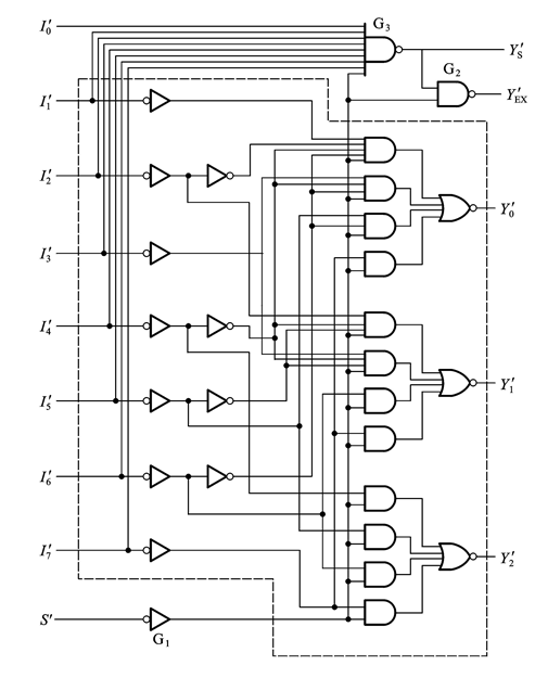
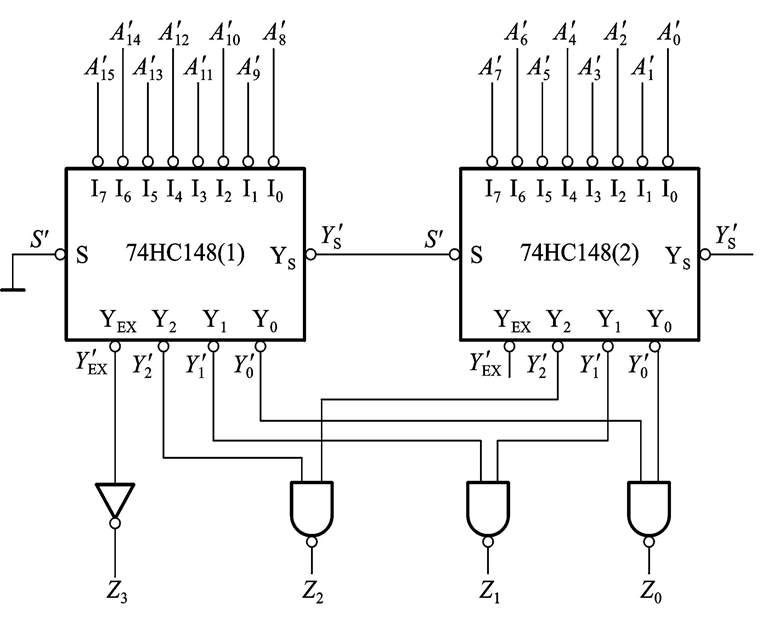
实例:74HC148


S`为选通信号

Ys`为0时电路工作无编码输入
YEX`为0时,电路工作有编码输入

附加输出信号的状态及含意

控制端扩展功能举例
用两片8线-3线优先编码器扩展16线-4线优先编码器

第一片为高优先权
只有(1)无编码输入时,(2)才允许工作
第(1)片![]()
时表示对
的编码
低3位输出应是两片的输出的“或”
译码器
译码:将每个输入的二进制代码译成对应的输出高、低电平信号。


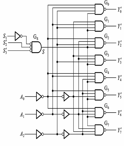
集成译码器实例:74HC138


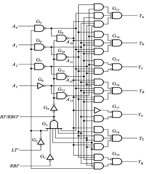
显示译码器


七段显示译码器7448的逻辑图


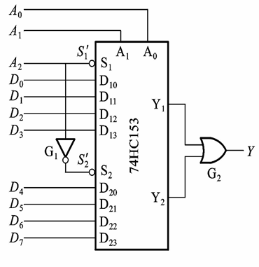
数据选择器


加法器
半加器,不考虑来自低位的进位,将两个1位的二进制数相加



全加器:将两个1位二进制数及来自低位的进位相加



多位加法器
串行进位加法器


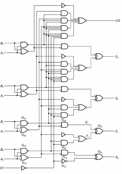
超前进位加法器

基本原理:加到第i位的进位输入信号是两个加数第i位以前各位(0 ~ j-1)的函数,可在相加前由A,B两数确定。
优点:快,每1位的和及最后的进位基本同时产生。
缺点:电路复杂。
数值比较器
用来比较两个二进制数的数值大小


多位数值比较器
原理:从高位比起,只有高位相等,才比较下一位。

比较两个8位二进制数的大小

组合逻辑电路中的竞争-冒险现象
两个输入“同时向相反的逻辑电平变化”,称存在“竞争”
因“竞争”而可能在输出产生尖峰脉冲的现象,称为 “竞争-冒险”。





浙公网安备 33010602011771号