数电基础 第三章
数电基础 第三章
CMOS门电路
MOS管的开关特性

S (Source):源极
G (Gate):栅极
D (Drain):漏极
B (Substrate):衬底
以N沟道增强型为例:

当加+VDS时,VGS=0时,D-S间是两个背向PN结串联,iD=0
加上+VGS,且足够大至VGS >VGS (th),D-S间形成导电沟道(N型层)
输入特性和输出特性
输入特性:直流电流为0,看进去有一个输入电容CI,对动态有影响。
输出特性:iD = f (VDS) 对应不同的VGS下得一族曲线 。

漏极特性曲线
截止区:VGS<VGS(th),iD = 0,ROFF > 10^9Ω
恒流区:iD 基本上由VGS决定,与VDS 关系不大
可变电阻区:当VDS 较低(近似为0), VGS 一定时,![]()
这个电阻受VGS 控制、可变。
MOS管的四种类型
增强型:

耗尽型:

CMOS反相器的电路结构和工作原理




输入噪声容限

在Vi偏离VIH和VIL的一定范围内,Vo基本不变。在输出变化允许范围内,允许输入的变化范围称为输入噪声容限。
其他类型的CMOS门电路
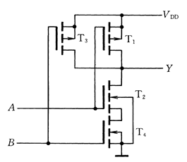
与非门

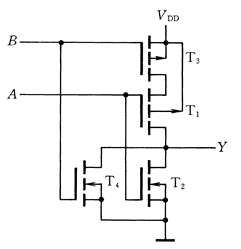
或非门

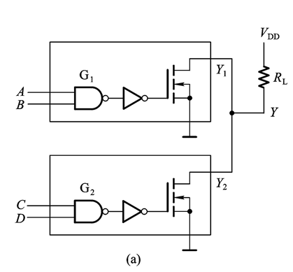
漏极开路的门电路(OD门)


特点:可将输出并联使用实现线与或用作电平转换、驱动器。使用时允许外接RL


CMOS传输门及双向模拟开关
传输门

双向模拟开关

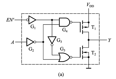
三态输出门



三态门的用途




浙公网安备 33010602011771号