【HDLBit】— 刷题
一、Getting Started
1.1 Step one
module top_module( output one ); assign one = 1; endmodule
1.2 Zero
module top_module(zero); output zero; assign zero = 1'b0; endmodule
二、Verilog language
2.1 Basics
2.1.1 wire
module top_module( input in, output out ); assign out = in; endmodule
2.1.2 Wire4
module top_module( input a,b,c, output w,x,y,z ); assign w = a; assign x = b; assign y = b; assign z = c; endmodule
2.1.3 Notgate
module top_module( input in, output out ); assign out = ~in; endmodule
2.1.4 Andgate
module top_module( input a, input b, output out ); assign out = a&b; endmodule
2.1.5 Norgate
module top_module( input a, input b, output out ); assign out = ~(a|b); endmodule
2.1.6 Xnorgate
module top_module( input a, input b, output out ); assign out = a?(b?1:0):(b?0:1); endmodule
2.1.7 Wire decl
module top_module( input a, input b, input c, input d, output out, output out_n ); wire w1,w2,w3; assign out_n = ~w1; assign out = w1; assign w1 = w2|w3; assign w2 = a&b; assign w3 = c&d; endmodule
2.1.8 7458
module top_module ( input p1a, p1b, p1c, p1d, p1e, p1f, output p1y, input p2a, p2b, p2c, p2d, output p2y ); assign p1y = (p1a & p1b & p1c)|(p1d & p1e & p1f); assign p2y = (p2a & p2b)|(p2c & p2d); endmodule
2.2 vectors
2.2.1 vector0
module top_module ( input wire [2:0] vec, output wire [2:0] outv, output wire o2, output wire o1, output wire o0 ); // Module body starts after module declaration assign outv = vec; assign o0 = vec[0]; assign o1 = vec[1]; assign o2 = vec[2]; endmodule
2.2.2 vector1
module top_module( input wire [15:0] in, output wire [7:0] out_hi, output wire [7:0] out_lo ); assign out_lo[7:0] = in[7:0]; assign out_hi[7:0] = in[15:8]; endmodule
2.2.3 Vector2
module top_module( input [31:0] in, output [31:0] out );// // assign out[31:24] = ...; assign out[7:0] = in[31:24]; assign out[15:8] = in[23:16]; assign out[23:16] = in[15:8]; assign out[31:24] = in[7:0]; endmodule
2.2.4 Bitwise vs. Logical Operators
module top_module( input [2:0] a, input [2:0] b, output [2:0] out_or_bitwise, output out_or_logical, output [5:0] out_not ); // 按位或 assign out_or_bitwise = a | b; // 逻辑或 assign out_or_logical = a || b; // 取反 assign out_not[2:0] = ~a; assign out_not[5:3] = ~b; endmodule
2.2.4 four-input gates:AND, OR, and XOR operators
module top_module( input [3:0] in, output out_and, output out_or, output out_xor );
// 写法一: assign out_and = in[0]&&in[1]&&in[2]&&in[3]; assign out_or = in[0]||in[1]||in[2]||in[3]; assign out_xor = in[0]^in[1]^in[2]^in[3];
// 写法二:
assign out_and = ∈
assign out_or = |in;
assign out_xor = ^in;
endmodule
2.2.6 反转8bit输入
因为Verilog中向量顺序,先高位再低位的顺序[7:0]不能改变,因此不能用out[7:0]=in[0:7]来实现反转操作
module top_module( input [7:0] in, output [7:0] out ); //assign {out[0],out[1],out[2],out[3],out[4],out[5],out[6],out[7]} = in; assign out = {in[0],in[1],in[2],in[3],in[4],in[5],in[6],in[7]}; endmodule
2.3 模块
2.3.5 移位寄存器+4选一
注意:case语句必须在always块中使用

module top_module ( input clk, input [7:0] d, input [1:0] sel, output [7:0] q ); wire [7:0]w1,w2,w3; my_dff8 a1(.clk(clk),.d(d),.q(w1)); my_dff8 a2(.clk(clk),.d(w1),.q(w2)); my_dff8 a3(.clk(clk),.d(w2),.q(w3)); always@(*)begin case(sel) 2'b00:q = d; 2'b01:q = w1; 2'b10:q = w2; 2'b11:q = w3; endcase end endmodule
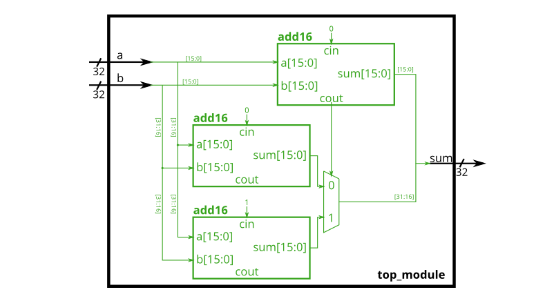
2.3.6 顶层模块和子模块之间连接
子模块的输入输出都是wire,只需要将其和顶层模块的输入输出使用assign相连即可

module top_module( input [31:0] a, input [31:0] b, output [31:0] sum ); wire [15:0]a1,a2,b1,b2,s1,s2; wire cin,c; assign cin = 0; assign a1 = a[15:0]; assign a2 = a[31:16]; assign b1 = b[15:0]; assign b2 = b[31:16]; add16 add16_inst01 ( .a(a1), .b(b1), .cin(cin), .cout(c), .sum(s1) ); add16 add16_inst02 ( .a(a2), .b(b2), .cin(c), .sum(s2) ); assign sum = {s2,s1}; endmodule
2.3.7全加器
add16可以直接用,add1全加器需要自己写

module top_module ( input [31:0] a, input [31:0] b, output [31:0] sum ); wire cout1; add16 add1_inst01 ( .a(a[15:0]),//将a的指定位宽和端口相连,就不用在外面单独声明变量 .b(b[15:0]), .cin(1'd0), .cout(cout1), .sum(sum[15:0]) ); add16 add1_inst02 ( .a(a[31:16]), .b(b[31:16]), .cin(cout1), .cout(), .sum(sum[31:16]) ); endmodule module add1 ( input a, input b, input cin, output sum, output cout ); // Full adder module here //输入信号:a+b+cin 相加产生的进位信号会自动给cout 输出信号:cout、sum, assign {cout,sum} = a+b+cin; endmodule
2.3.7 带有选择的加法器(用资源换速度)
3个模块同时计算,等第一个模块得到cout后,直接去选下面两个模块的输出

module top_module( input [31:0] a, input [31:0] b, output [31:0] sum ); wire wei; wire [15:0]sum1,sum2,sum3,sum4; add16 add1_inst01 ( .a(a[15:0]), .b(b[15:0]), .cin(1'd0), .cout(wei), .sum(sum1) ); add16 add1_inst02 ( .a(a[31:16]), .b(b[31:16]), .cin(1'd0), .cout(), .sum(sum2) ); add16 add1_inst03 ( .a(a[31:16]), .b(b[31:16]), .cin(1'd1), .cout(), .sum(sum3) ); always@(*)begin case(wei) 1'd0: sum4 = sum2; 1'd1: sum4 = sum3; endcase end assign sum = {sum4,sum1}; endmodule
2.3.8 加法器和减法器
减一个数,相当于加上这个数的补码,以此来实现减法功能
a-b=a+((~b)+1)
(~b)+1:原码按位取反得到反码,反码加1后得到补码
----------------------------------------------------------------------------------
加法器:(a + b + 0)
减法器 :(a + ~b + 1)
当输入端口sub为1时,add16就是减法器;当输入端口sub为0时,add16就是加法器

module top_module( input [31:0] a, input [31:0] b, input sub, output [31:0] sum ); wire cout1; wire [31:0]bb; assign bb = b^{32{sub}}; //按位异或,于是需要复制32个sub //end add16 add1_inst01 ( .a(a[15:0]), .b(bb[15:0]), .cin(sub), .cout(cout1), .sum(sum[15:0]) ); add16 add1_inst02 ( .a(a[31:16]), .b(bb[31:16]), .cin(cout1), .cout(), .sum(sum[31:16]) ); endmodule
2.3 过程块
过程块,是一个过程,中间有些东西需要被记忆,所以会用到寄存器
2.4.1 组合always块

// synthesis verilog_input_version verilog_2001 module top_module( input a, input b, output wire out_assign, output reg out_alwaysblock ); assign out_assign = a&b; always@(*)begin out_alwaysblock = a&b; end endmodule
2.4.2 时序always块
使用非阻塞赋值即可
2.4.3 使用if实现2-1复用器

// synthesis verilog_input_version verilog_2001 module top_module( input a, input b, input sel_b1, input sel_b2, output wire out_assign, output reg out_always ); // always always @(*)begin if(sel_b1 & sel_b2)// 为啥不能用sel_b1 == sel_b2 out_always = b; else out_always = a; end //assign assign out_assign = (sel_b1 & sel_b2)?b:a; endmodule
2.4.4、5 if语句、case语句产生的锁存器
在if语句和case语句中,需要将语句写完整,else和endcase要写出来,这样能避免出现锁存器
2.4.6 四输入的优先编码器
// synthesis verilog_input_version verilog_2001 module top_module ( input [3:0] in, output reg [1:0] pos ); always@(*)begin case(in) 4'b0000:pos = 2'b00; 4'b0001:pos = 2'b00; 4'b0010:pos = 2'b01; 4'b0011:pos = 2'b00; 4'b0100:pos = 2'b10; 4'b0101:pos = 2'b00; 4'b0110:pos = 2'b01; 4'b0111:pos = 2'b00; 4'b1000:pos = 2'b11; 4'b1001:pos = 2'b00; 4'b1010:pos = 2'b01; 4'b1011:pos = 2'b00; 4'b1100:pos = 2'b10; 4'b1101:pos = 2'b00; 4'b1110:pos = 2'b01; 4'b1110:pos = 2'b01; default:pos = 2'b00; endcase end endmodule
2.4.7 八输入的优先编码器(casez)
不关心z位置上的值是多少
// synthesis verilog_input_version verilog_2001 module top_module ( input [7:0] in, output reg [2:0] pos ); always@(*)begin casez(in) 8'bzzzzzzz1: pos = 3'b000; 8'bzzzzzz1z: pos = 3'b001; 8'bzzzzz1zz: pos = 3'b010; 8'bzzzz1zzz: pos = 3'b011; 8'bzzz1zzzz: pos = 3'b100; 8'bzz1zzzzz: pos = 3'b101; 8'bz1zzzzzz: pos = 3'b110; 8'b1zzzzzzz: pos = 3'b111; default:pos = 3'b000; endcase end endmodule
2.4.8 键盘输入
在case语句使用前,先对输出赋值,当满足case语句条件,再改变输出的值
对于出现多输出,需要在每种情况下,对每个输出进行赋值,不然会出现锁存器

// synthesis verilog_input_version verilog_2001 module top_module ( input [15:0] scancode, output reg left, output reg down, output reg right, output reg up ); always@(*)begin left = 1'b0;down = 1'b0; right = 1'b0; up = 1'b0; case(scancode) 16'he06b:left = 1'b1; 16'he072:down = 1'b1; 16'he074:right = 1'b1; 16'he075:up = 1'b1; endcase end endmodule
2.5 关于其他
2.5.1 条件判断 (a<b)?a:b
module top_module ( input [7:0] a, b, c, d, output [7:0] min);// // assign intermediate_result1 = compare? true: false; wire [7:0]w1,w2; assign w1 = (a<b)?a:b; assign w2 = (c<d)?c:d; assign min = (w1<w2)?w1:w2; endmodule
2.5.2 缩位运算(奇偶校验)
8bit数据位+1bit奇偶校验位


module top_module ( input [7:0] in, output parity); assign parity = ^in; endmodule
为什么奇偶校验不常用?
数据通信中的数据只能是1或者0,如果一个数据中的1位发生错误,那1的个数肯定就从奇数变为偶数(或者偶数变为奇数)。
但是如果数据中有多个数据位都发生错误了呢。举例来说,我们要发送11110000.如果有两位发生了错误,比如变成了11000000,那么1的个数还是偶数,那奇偶校验就检测不出来错误了。
所以说:如果数据中发生多位数据错误就可能检测不出来,更检测不到错误发生在哪一位
module top_module( input [99:0] in, output out_and, output out_or, output out_xor ); assign out_and = ∈ assign out_or = |in; assign out_xor = ^in; endmodule
2.5.4 for循环实现数据翻转
这里的out[i]代表数据的第几位
module top_module( input [99:0] in, output [99:0] out ); integer i; always@(*)begin for(i=0;i<100;++i)begin out[i] = in[99-i]; end end endmodule
2.5.5 求出255个输入数据中1的总数
module top_module( input [254:0] in, output [7:0] out ); integer i; always@(*)begin out = 0; for(i=0;i<$bits(in);++i) //写法一 if(in[i]) out = out+8'd1; //写法二 out = out+in[i]; end endmodule
2.5.6 使用generate重复例化实现100位全加器
module top_module( input [99:0] a, b, input cin, output [99:0] cout, output [99:0] sum ); generate genvar i; for(i=0;i<$bits(a);++i)begin:adder if(i == 0)begin fullder fullder_inst01( .a(a[i]), .b(b[i]), .cin(cin), .cout(cout[i]), .sum(sum[i]) ); end else begin fullder fullder_inst02( .a(a[i]), .b(b[i]), .cin(cout[i-1]), .cout(cout[i]), .sum(sum[i]) ); end end endgenerate endmodule module fullder ( input a,b,cin, output cout,sum ); assign {cout,sum} = a+b+cin; endmodule
2.5.7 使用generate重复例化实现100个BCD加法器
BCD:用4位2进制表示1个十进制数

module top_module( input [399:0] a, b, input cin, output cout, output [399:0] sum ); wire [100:0]mid; assign mid[0] = cin; generate genvar i; for(i=0;i<100;++i)begin:adder bcd_fadd bcd_fadd_inst( .a(a[4*i+3:4*i]), .b(b[4*i+3:4*i]), .cin(mid[i]), .cout(mid[i+1]), .sum(sum[4*i+3:4*i]) ); end endgenerate assign cout = mid[100]; endmodule
三、电路
3.1 基本门电路
3.1.3 或非门
这里取非,为什么用~或者!都可以啊?
~:按位取反——即在数值的二进制表示方式上,将0变为1,将1变为0
!:逻辑取反——即把所有非0的数值(相当于1)变为0,0变为1;
一般在设计门级电路时,常用逻辑取反
module top_module ( input in1, input in2, output out); assign out = ~(in1|in2); //assign out = !(in1|in2); endmodule
3.1.5 两个门级电路
分析:从输出端往前推,巧用括号

module top_module ( input in1, input in2, input in3, output out); assign out = (!((in1)^(in2)))^(in3); endmodule
3.1.8 真值表


module top_module( input x3, input x2, input x1, // three inputs output f // one output ); assign f = ((!x1)&x2&(!x3))|(x1&x2&(!x3))|(x1&(!x2)&x3)|(x1&x2&x3); endmodule
3.1.11 同或门
module top_module ( input x, input y, output z ); assign z = (x&y)|((!x)&(!y)); //assign z = !(x^y); 同或是异或取反 endmodule
3.1.12 多个小模块的例化
优点:只需要关注小模块的输出,在top顶层模块中进行例化

module top_module (input x, input y, output z); wire w1,w2,w3,w4; A A_inst01( .x(x), .y(y), .z(w1) ); A A_inst02( .x(x), .y(y), .z(w2) ); B B_inst01( .x(x), .y(y), .z(w3) ); B B_inst02( .x(x), .y(y), .z(w4) ); assign z = ((w3)&(w4))^((w1)|(w2)); endmodule module A (input x, input y, output z); assign z = (x^y)&x; endmodule module B (input x, input y, output z); assign z = !(x^y); endmodule
3.1.13 手机来电
门级描述

module top_module( input ring, input vibrate_mode, output ringer, output motor ); // When should ringer be on? When (phone is ringing) and (phone is not in vibrate mode) assign ringer = ring & ~vibrate_mode; // When should motor be on? When (phone is ringing) and (phone is in vibrate mode) assign motor = ring & vibrate_mode; endmodule
3.2 时序逻辑
3.2.1锁存器和触发器
3.2.1.3 带有同步复位
同步复位信号不再敏感信号里面;
要受到时钟上升沿控制;
高电平有效
module top_module ( input clk, input reset, // Synchronous reset input [7:0] d, output [7:0] q ); always@(posedge clk) if(reset) q <= 8'd0; else q <= d; endmodule
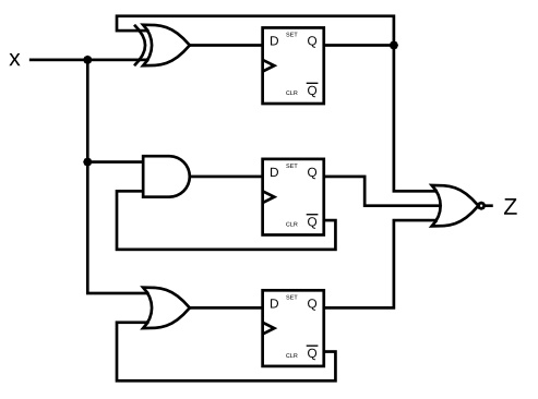
3.2.1.13 DFF和门
看到DFF模块,考虑建立一个DFF模块,然后调用它
在设计比较复杂的电路时,这种思维是很好的

module top_module ( input clk, input x, output z ); wire a,b,c,d,e,f; assign a = x^d; assign b = x&(~e); assign c = x|(!f); DFF DFF_inst_01 ( .clk(clk), .d(a), .q(d)); DFF DFF_inst_02 ( .clk(clk), .d(b), .q(e)); DFF DFF_inst_03 ( .clk(clk), .d(c), .q(f)); assign z = ~(d|e|f); endmodule module DFF( input clk, input d, output reg q ); always@(posedge clk) q <= d; endmodule
3.2.1.15 检测上升沿
打一拍

module top_module (
input clk,
input [7:0] in,
output [7:0] pedge
);
reg [7:0] Q1;
always @(posedge clk)begin
Q1 <= in;
pedge <= (~Q1) & in;
end
endmodule
3.2.1.16 检测上升沿和下降沿
使用异或,只要前后信号不一致,就检测
module top_module ( input clk, input [7:0] in, output reg[7:0] anyedge ); reg [7:0]Q; always@(posedge clk)begin Q <= in; anyedge <= Q^in; end endmodule
3.2.1.17 clk上升沿下降沿均变化
使用2个always分别检测上升沿和下降沿

module top_module ( input clk, input d, output reg q ); reg a,b; always @(posedge clk) a <= d; always @(negedge clk) b <= d; assign q = clk?a:b; endmodule
3.2.2 计数器
3.2.2.4 带暂停

module top_module ( input clk, input slowena, input reset, output [3:0] q); always @(posedge clk) if(reset) q <= 4'd0; else if(slowena)begin if(q == 4'd9) q <= 4'd0; else q <= q + 4'd1; end else q <= q; endmodule
3.2.2.5 没懂

module top_module ( input clk, input reset, input enable, output [3:0] Q, output c_enable, output c_load, output [3:0] c_d ); // assign c_enable = enable; assign c_load = (Q == 4'd12 && enable)||reset ? 1'b1 : 1'b0; assign c_d = 4'd1; count4 the_counter (clk, c_enable, c_load, c_d,Q); endmodule

浙公网安备 33010602011771号