干饭管家—软件工程项目日志2
本周我负责的是数据库设计和SpringBoot框架的搭建,完成E-R图以及相关数据库表并形成sql语句(使用mysql+navicat)
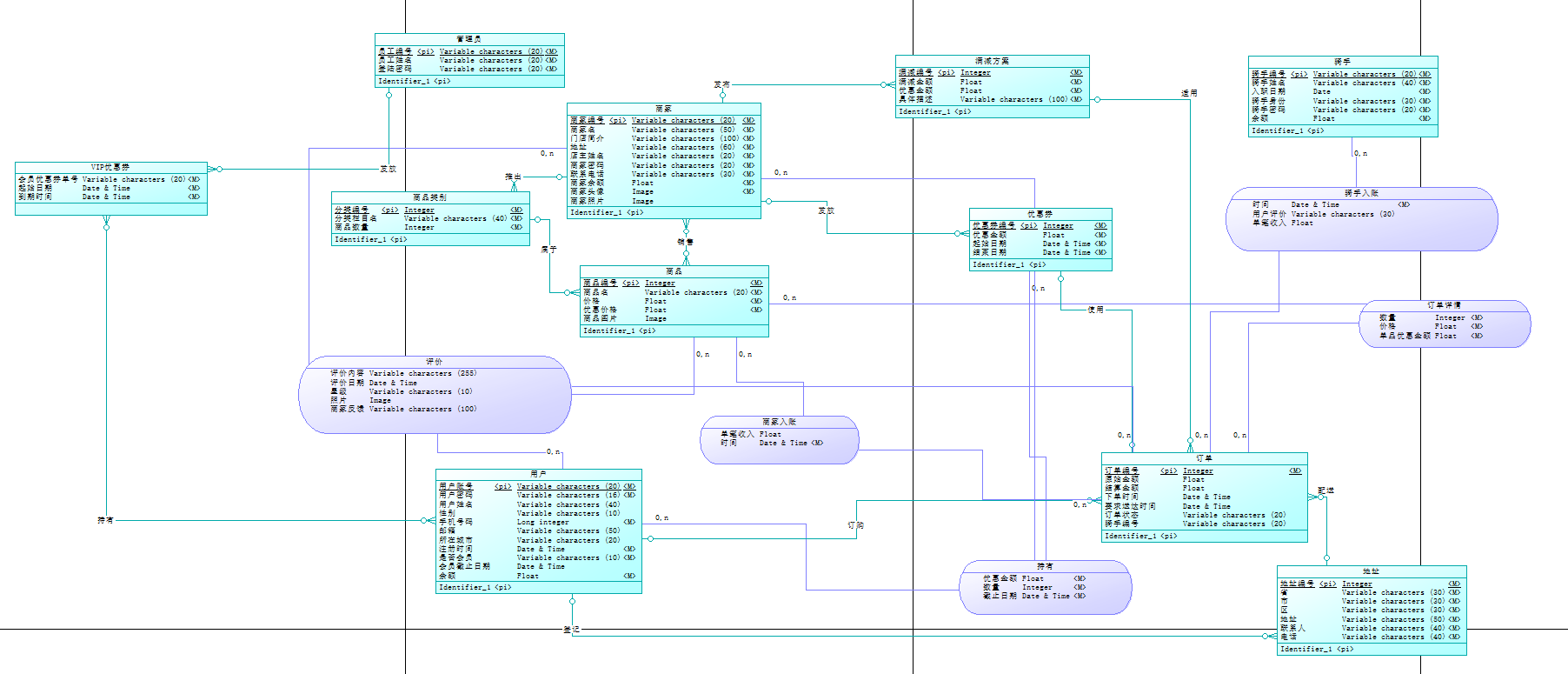
E-R图——概念模型

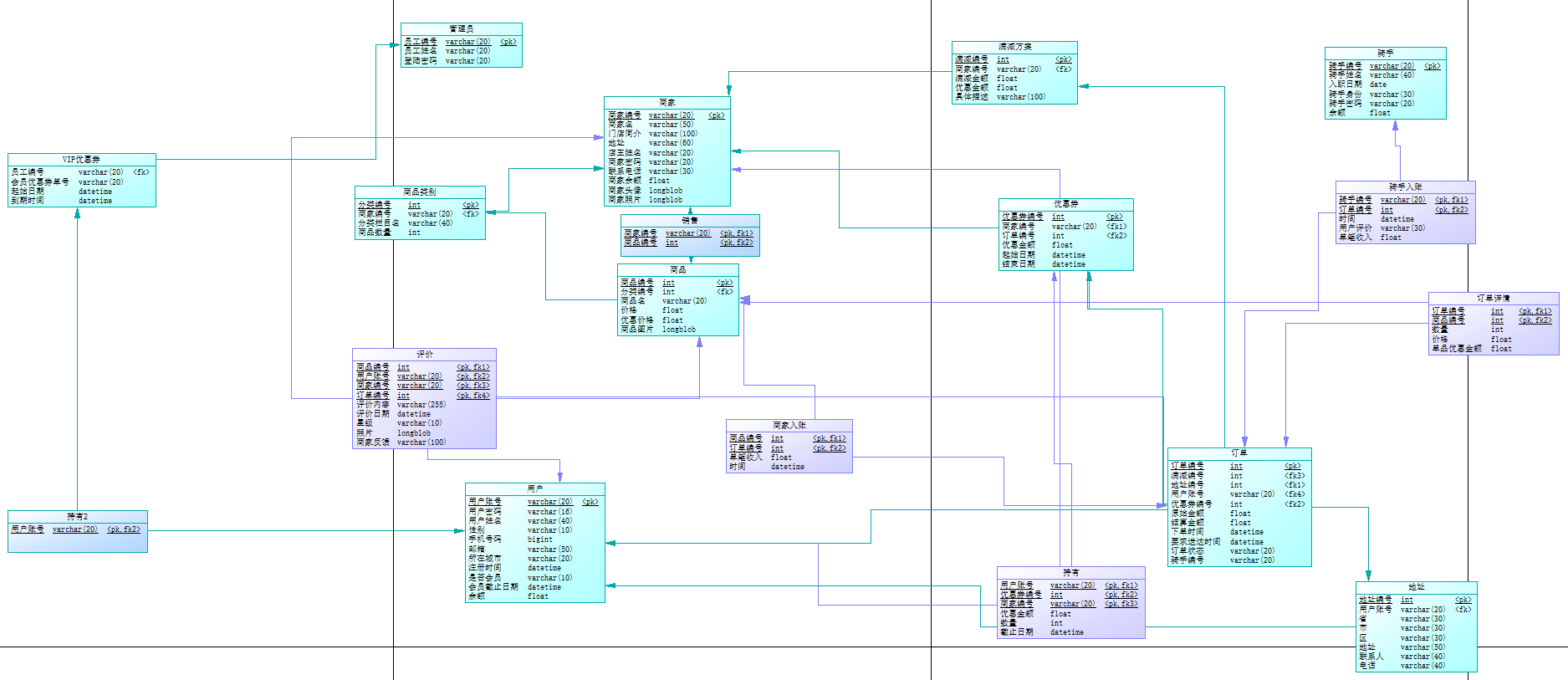
E-R图——物理模型

建表详情

在用户表插入一条用户信息

SpringBoot框架

具体目录如下

User类

UserMapper

UserService类

IUserService接口

连接数据库ebutler1

调试



具体.sql,cdm,pdm文件和SpringBoot框架压缩包已上传至我的github φ(゜▽゜*)♪ :https://github.com/SmellyCat44/EatButler.git
浙公网安备 33010602011771号