干饭管家—软件工程项目日志1
一、引言
1.1开发背景
现如今大学生自由时间较多,往往饭点已在寝室懒得出门吃饭,或者因为天气寒冷或炎热的种种问题而无法亲临食堂,此时外卖成了他们的首选。但由于疫情影响,校外的骑手暂时无法进入校园,非常不方便。这时候,校园版外卖app——干饭管家就派上用场了。
1.2开发目的
只需在网页或app中下订单,就会有热腾腾的食物送上门来,方便又快捷,省去不少麻烦,同时饭菜来自学校内食堂及店铺,更能保障饮食安全卫生。还能增加学校食堂及各家商铺的收益,拉动校园经济发展。
1.3小组成员
| 姓名 | 班级 | 学号 |
| 彭昕怡(组长) | 软工1802 | 31803160 |
| 张安硕 | 软工1802 | 31805379 |
| 宋倩雯 | 计算机1801 | 31805353 |
| 马佳敏 | 计算机1801 | 31802033 |
| 邢程宏 | 计算机1801 | 31803291 |
1.4开发工具
Eclipse
Android Studio
Mysql
SpringBoot
Vue.js
Postman
1.5参考资料
SpringBoot:https://www.bilibili.com/video/BV1Et411Y7tQ?from=search&seid=10914551383230419243
Android Studio: https://www.bilibili.com/video/BV1Rt411e76H?from=search&seid=5214077468234549804
Vue: https://www.bilibili.com/video/BV1r4411d7dn?from=search&seid=4155328767841381830
Postman: https://www.bilibili.com/video/BV134411v7Sj?from=search&seid=247253313318002227
二、项目综述
2.1项目内容
干饭管家的网页端供商家、管理员使用,app端供用户、商家、骑手使用。
2.2功能分析
2.2.1用户
账号管理:修改昵称、密码、地址等。
浏览商家及商品:浏览各商家,能进入商家查看商品信息,添加商品进购物车。
订单支付:结算购物车,进行支付(微信/支付宝)。
订单评价:对已完成的订单中的菜品、配送效率进行评分、评价。
VIP服务:开通VIP,可享受无门槛优惠券。
优惠券查看:查看拥有的优惠券。
购物车查看:查看购物车内的商品。
订单查看:查看历史订单(全部、待支付、待评价、退款)
2.2.2商家
账号管理:修改个人资料、店铺信息等
商品信息编辑:类型,菜名,图片,价格,月销售量,库存(增删改)
营销活动编辑:满减要求,优惠金额,具体描述(增删改)
账户明细:钱包总金额(提现),入账明细(时间,金额),待入账
订单管理:订单内容,下单时间,订单状态(已下单,配送中,已完成)
配送管理:快递员信息,配送任务,位置查看
评价管理:评价等级,评价内容,店家反馈
2.2.3骑手
账号管理:修改个人资料、设置工作时间、配送范围等
接单功能:查看新订单并接单。
配送订单:联系用户、联系商家、取消订单
历史订单:查看已送达和配送中订单
钱包管理:用户余额、账单明细、提现
骑手活动:骑手排行榜、骑手活动
紧急情况反应:骑手遇到出车祸等紧急情况
骑手宝典:骑手规则说明、配送路线攻略
2.3活动图
注册或登录验证

用户活动图

商家活动图

骑手活动图

2.4时序图

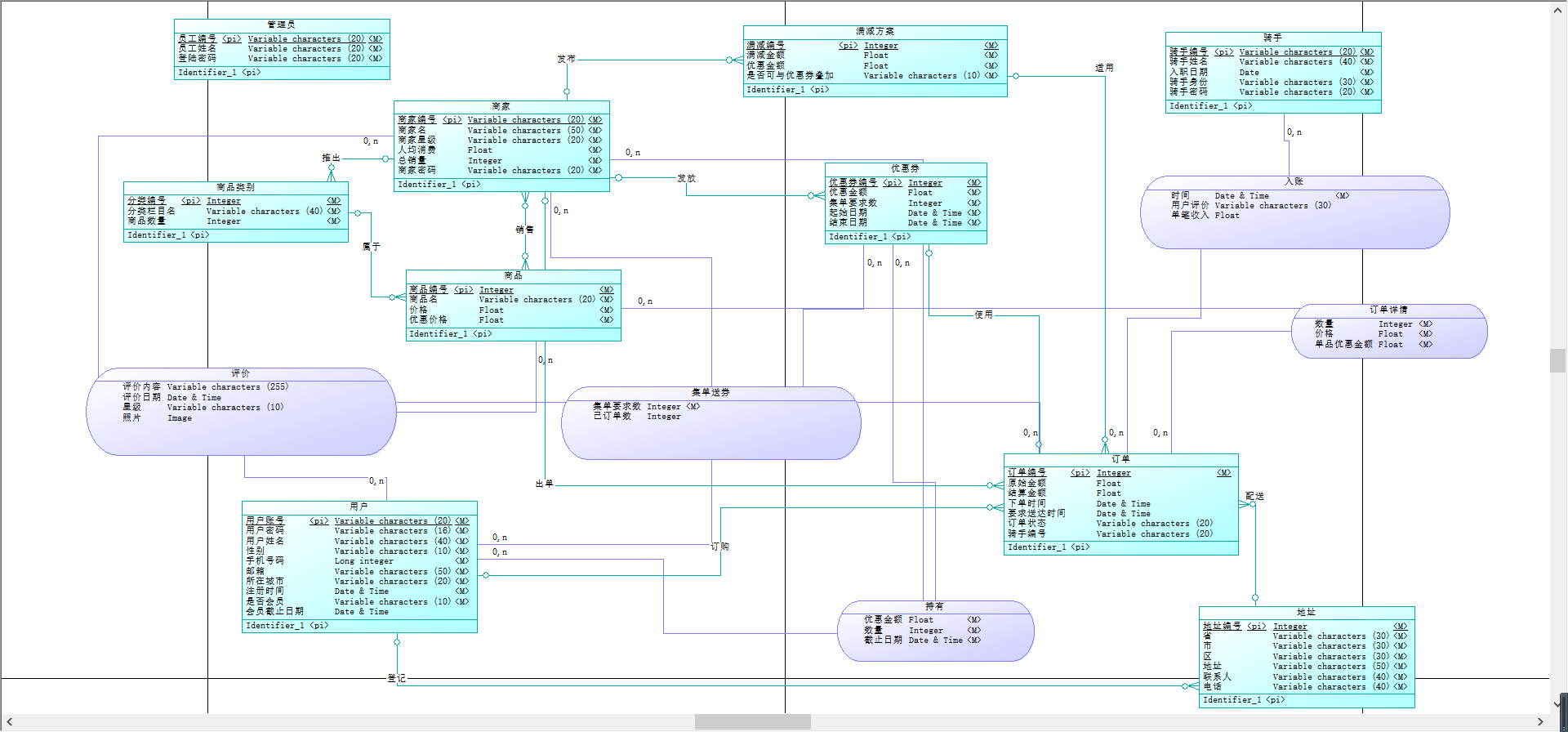
2.5 ER图

三、人员分工
| 任务 | 分工 |
| 功能分析,文档撰写 | 全体 |
| web端开发 | 张安硕 |
|
app端开发 |
马佳敏、邢程宏 |
| 数据库搭建 | 宋倩雯 |
| SpringBoot开发 | 彭昕怡 |
| 软件测试 | 全体 |
| 项目总结 | 全体 |
浙公网安备 33010602011771号