电荷泵原理及应用
在我们日常使用的电源里面,常常用到的是线性电源LDO和开关电源DCDC,而实际中用到另一种越来越常见的电源形式却在书籍中很少见,以下我们简单介绍下电荷泵的原理,再汇总我在工作中遇到的电荷泵的应用场景来加深对电荷泵的理解。
1、升压电荷泵
升压电荷泵思路如下图所示,通过对电容C1的充放电,实现电压的倍增。S1、S2 开关闭合,S3、S4开关打开,C1 充电值电压Vin;S3,S4开关闭合,S1,S2开关打开,Co电容上电压为2Vin,从而实现“倍压”。
升压电荷泵电路
2、降压电荷泵电路
在上图电路进行修改,S1接地端接到Vo,S3Vin端接到接地端,可以得到以下的电路结构。S1、S2 开关闭合,S3、S4开关打开,C1 充电值电压Vin-Vo;S3,S4开关闭合,S1,S2开关打开,Co电容上电压为Vo。通过计算Vin-Vo=Vo,可以得到Vo=Vin/2。从而获得一个“半压”的变换电路,该电路流行在手机的快充电源中,从而实现“降压增流”,实现电池在低压条件下获得大电流充电。
降压电荷泵电路
通过简单地分析(考虑稳态时没有净电荷传输)可以得到这一电荷泵的本征增(Vout/Vin):q=1/2. 对于理论上的最大效率,考虑系统在没有负载时的能量守恒,且能量正比于V*Q =V*I*T=PT,因此可以得到Vout/Vin=Qin/Qout=q=1/2。
考虑到 Pin=(Qin*Vin)/T1 以及 Pout=(Qout*Vout)/T2=((Qin/q)*Vout)/T2. 因此电路的效率:
η=Pout/Pin=T1/T2,从此处可以看出,当占空比为0.5时,此降压电荷泵效率最高。
3、电荷泵电路的应用
a、DCDC中自举电容的应用
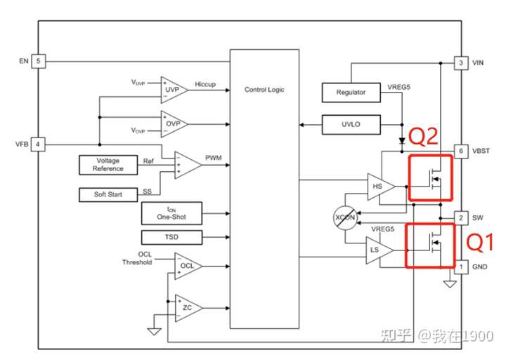
在很多BUCK电路或boost电路中,我们就常常可以看到自举电容的存在,我们打开TI厂家的DCDC芯片TPS563201的器件手册,如下,6PIN连接的电容就是自举电容。
如下图为TPS563201的内部框图,我们知道,在BUCK电路中,我们需要交替打开Q1和Q2这两个NMOS来实现充电回路及放电回路,打开Q1很简单,Q1的S极接地,仅需在G极施加高电压即可,从架构图中我们可以看出打开MOS管的GS电压为VREG5,而对于Q2而言,由于S极未接地,若要保证Q2导通,则要求Q2的G极电压必须比S极电压高。若S极电压为0V,VREG5可以轻松导通。但此时S极不接地,且当导通时此时一侧电压会抬高至VIN,怎么办呢?
自举电路的作用就彰显出来了。
还是如上图,首先VREGN产生,让Q1导通,同时VREGN通过二极管D,自举电容C,以及导通的Q1构成对地回路,电容C开始充电,充电完成后,电容两端电压几乎等于VREG5(忽略二极管D的导通压降),由于电容C并联在Q2的G极和S极上,对于Q2来讲,VGS两端电压同样可以达到VREG5,从而使得Q2可以导通。利用了电容两端不能突变,使Q2的G极电压升压VGS两端的电压一直保持在VREG5。
b、TCON中使用电荷泵将AVDD升压为VGH
这是笔者最早接触到的电荷泵电路,实际应用中发现了很多问题,比如在这个电荷泵电路中使用了二极管作为开关管,导致了实际有一部分压降损失在二极管上,而且随着流经二极管的电流越大,二极管的压降越大,温升也就越高,注定了这个电路带载能力偏弱,实际应用中一般不能超过100mA,从TI的电荷泵器件选型中也可以看出来,选型中最大的电流带载可选范围不超过300mA。
选型中最大输出电流不超过300mA
实际电荷泵的带载能力取决于飞电容的充放电时间,实际飞电容的充电时间必将大于其放电时间
c、电荷泵在快充中的应用
随着对手机充电越来越快的要求,电荷泵逐渐应用在手机的快充方案设计中,电荷泵是一种无感式DC-DC转换器,利用电容作为储能元件进行电压变换,可以使电压减半同时使电流增倍,所以在这里应用到的是降压电荷泵。且因整个电路中,其损耗实际只有走线和开关造成的损耗,而MOS管的内阻基本都在毫欧级别,故而其转换效率非常之高,可达到97%左右,远高于普通充电IC的89%。
以OPPO 125W 高压高电流充电方案为例,OPPO 125W 超级闪充通过接口、线缆、电池三方协同,实现20V6.25A的高压高电流充 电方案。为了承载这样的高压高电流:(1)在接口端,OPPO对接口处负责供电的针脚进行了更大接触面积的设计;(2)在线缆端,除了加粗设计之外,OPPO还定制了E-marker加密线缆,仅在识别到加密信息之后才可支持高达6.25A 的电流,防止不合格第三方数据线威胁用户使用安全;(3)在电池端,OPPO通过并联三电荷泵(转换效率高达 98%)的方案进行电压转换,防止电荷泵过载,通过串联双 6C 电芯使得电芯能够对外承载 10V12.5A 高压高电流,同时通过多极耳技术进一步降低电芯阻抗,最小化充电过程中的发热情况。
OPPO 125W 超级闪充简化示意图
结合此快充方案我们来了解一下手机的快充方案解决电源管理芯片,这里我们以TI家的bq25970为例,如下为其系统架构框图:
. bq25970 的系统架构的框图
移动设备通常的充电逻辑分为三个阶段,预充阶段,恒流快充阶段,恒压阶段。其预充过程和最后的恒压充电过程主要有框图所示的 bq2589x 来完成,其原因是 bq2589x 这一类 Buck 类充电 IC 能够支持固定输入电压的恒压充电模式和预充充电模式。由于 bq25970 的工作原理是一个开环的电荷泵 (Charge Pump) 其本身不具备一般 buck 类充电 IC 稳 压功能,因此恒流充电阶段和部分恒压充电阶段则需要 AP 或 MCU(MSP430)通过 USB PD 的协议来协商适配器端输出的电压值配合 bq25970 进行正常充电。当适配器电压调节到高于电池电压 2 倍的电压时,bq25970 就能够进行正常的恒流恒压充电。
这里不得不提到其实在充电过程中电池的电压是在不断提高的,正是因此,我们才会说PPS 规范使 USB PD 3.0 能实现「高压/小电流」及「低压/大电流」等两种快充模式。透过获得认证的受电产品每十秒就与供电器进行一次数据交换的方式,让 USB PD 3.0 供电器能配合受电装置的负载能力,动态调整输出电压(可在 3~21V 范围内以 20mV 幅度微调),来避免电线短路,甚至产品过热而爆炸等意外。此篇我们主要关注还是在电荷泵上,此处不再展开细讲,在这里讲这个点主要是为了串联起各个知识点,我们学习总结的时候,如果能够将不同的细节都能关联到,或许硬件相关的知识就不会显得这么驳杂和枯燥。
一点感想:
基本上介绍到这里就完了,相关的一些知识链接都放在下面,此篇本来是在看手机快充相关部分的知识点的时候萌生了写一篇关于电荷泵的应用总结,感慨自己应用了电荷泵电路这么久一些细节都没有考虑过,似懂非懂。但在后面的查询手机快充相关的资料时,发现其实是可以将PD协议和快充电荷泵的应用联系起来的,可以说两者是相辅相成的,知识一旦有了联系,理解和记忆就简单了很多,也是一个收获点,随意唠唠。
参考链接:
快充方案的资料





浙公网安备 33010602011771号