FPGA笔试面试




function只能做组合逻辑,不能做时间延续,不能用 @,也不能调用task。 task都能支持,触发之后,延时100ps 进行与




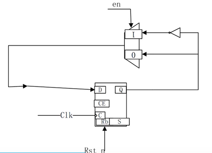
9级移位寄存器,下面表示异或
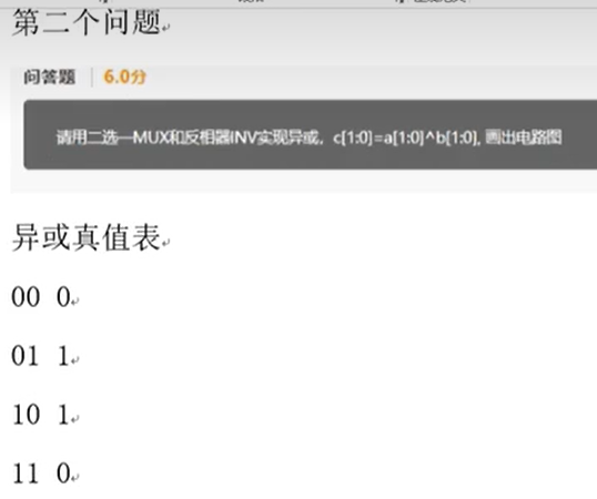
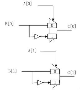
5.


6.

FULL条件 最高位不同,低位相同
empty条件 读写地址每一位都相同时,
注意,地址深度比fifo深一倍,作为空满判断条件


没办法检测写溢出,读溢出
7.

1. 使用计数器不太可能,太短了。FPGA内部逻辑没有专用的delay—buffer
2.IOB (input output block) iodelay

补充上面问题,写入侧使用100M时钟连续写入160个数据,


100M中后80M输出80个数据,后100前80M输出80个数据, 背靠背的写,顺时带宽最大。相当于160个100M时钟周期是连续的。数据压力最高
9.







10.



浙公网安备 33010602011771号