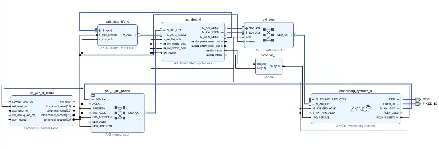
AXI DMA环路测试



hp AXI-FULL接口进行数据交互,GP接口 AXI-LITE进行对DMA的寄存器配置
smartconne带宽更高,大量数据,连接HP接口。

也可以直接回环,不连接到 AXI STREAM FIFO。为了模拟跟stream流的 io 外设 做数据搬运该如何操作













确保DMA的数据传到DDR3




hp AXI-FULL接口进行数据交互,GP接口 AXI-LITE进行对DMA的寄存器配置
smartconne带宽更高,大量数据,连接HP接口。

也可以直接回环,不连接到 AXI STREAM FIFO。为了模拟跟stream流的 io 外设 做数据搬运该如何操作













确保DMA的数据传到DDR3
