一、STM32是什么?

ST累计推出了 5大类、18个系列、1000多个型号的Cortex内核微控制器。
二、STM32芯片分类
ST中文社区网:https://www.stmcu.org.cn/
ST官网:https://www.st.com/

三、STM32命名规则

四、STM32选型
由高到低(性能),由大到小(SRAM、flash)
五、学会查看数据手册
芯片数据手册获取方式:
ST中文社区网:https://www.stmcu.org.cn/
ST官网:https://www.st.com/
六、芯片的基本参数
此处以STM32F103ZET6为例:

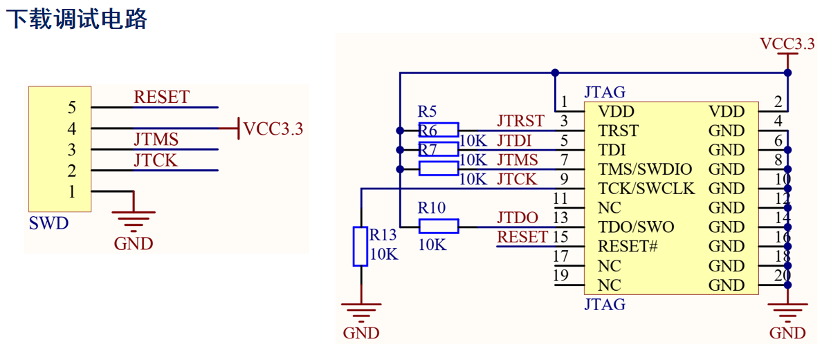
七、STM32引脚类型及电路
电源引脚:Vxx
晶振引脚:OSCxx

复位引脚:RST

下载引脚:



BOOT引脚:BOOTxx

GPIO引脚:Pxx


八、最小系统

浙公网安备 33010602011771号