



1.电子时钟模块
(1)用七个square led根据
的顺序建立一个数字单元,放进簇里,复制粘贴11个。如下图:

(2)创立一个字符串a。
(3)用ctrl+e快捷键打开后面板,画一个while loop,接下来的操作都在while loop里完成。
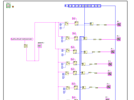
(4)找到Format Date/Time String函数,用%y年%m月%d日 %I时%M分%S秒的格式提取系统时间到字符串a。如图:
(5)用String Subset函数截取相对应的数字
,图上的数字0表示从第0位开始截取,数字1代表截取字符串的长度为1。
(6)用Scan From String函数将刚刚提取到的字符串转化为数字,
。
(7)建立一个数组,是七段数码管表示0-9数字的二进制,如图:


(8)用Index Array函数可以把刚刚从系统中提取的数字转换成相对应的二进制。
(9)Number To Boolean Array和Array To Cluster函数将二进制转换为能被布尔灯识别的信号数组再将信号数组转为适配于簇的类型。

(10)按照同样的思路完成剩下的10个数字单元。
2.流水灯模块
(1)建立5个round led放在一个簇里,用ctrl+e快捷键打开后面板,画一个while loop。
(2)创建一个数组,将true constant和false constant作为元素放入数组
(3)用Rotate 1D Array函数实现每一次循环都能让灯往前动一格。
(4)用Array To Cluster将信号数组转为适配于簇的类型。
(5)用寄位器将上一次的循环结果保存,这样就不会每一次循环都从第一个情况开始。
(6)用Wait (ms)可以控制流水灯的频率。如下图:

浙公网安备 33010602011771号