STM32RTC实时时钟实验讲解,从入门到放弃。
STM32RTC实时时钟实验讲解,从入门到放弃。
前言
本文参考了网上的博文,并加以归纳总结,帮助新手从入门到放弃 。
提示:以下是本篇文章正文内容:
一、RTC
RTC是什么?
RTC(Real Time Clock):实时时钟,是指可以像时钟一様输出实际时间的电子设备,一般会是集成电路,因此也称为时钟芯片。总之,RTC只是个能靠电池维持运行的32位定时器,并不像实时时钟芯片,读出来就是年月日。RTC就只一个定时器而已,掉电之后所有信息都会丢失,因此我们需要找一个地方来存储这些信息,于是就找到了备份寄存器(BKP)。因为它掉电后仍然可以通过纽扣电池供电,所以能时刻保存这些数据。 STM32 的实时时钟(RTC)是一个独立的定时器。 STM32 的 RTC 模块拥有一组连续计数的计数器,在相应软件配置下,可提供时钟日历的功能。修改计数器的值可以重新设置系统当前的时间和日期。
RTC和后备寄存器通过一个开关供电,在VDD有效时该开关选择VDD供电,否则由VBAT引脚供电。后备寄存器(10个16位的寄存器)可以用于在关闭VDD时,保存20个字节的用户应用数据。 RTC和后寄存器不会被系统或电源复位源复位;当从待机模式唤醒时,也不会被复位。实时时钟具有一组连续行的计数器,可以通过适当的软件提供日历时钟功能,还具有闹钟中断和阶段性中断功能。 RTC的驱动时钟可以是一个使用外部晶体的32.768kHz的振荡器、内部低功耗RC振荡器或高速的外部时钟经128分频。内部低功耗RC振荡器的典型频率为40kHz。为补偿天然晶体的偏差,可以通过输出一个512Hz的信号对RTC的时钟进行校准。 RTC具有一个32位的可编程计数器,使用比较寄存器可以进行长时间的测量。有一个20位的预分频器用于时基时钟,默认情况下时钟为32.768kHz时,它将产生一个1秒长的时间基准。
因为RTC 模块和时钟配置系统(RCC_BDCR 寄存器)是在后备区域,即在系统复位或从待机模式唤醒后 RTC 的设置和时间维持不变。但是在系统复位后,会自动禁止访问后备寄存器和 RTC,以防止对后备区域(BKP)的意外写操作。所以在要设置时间之前, 先要取消备份区域(BKP)写保护,我们就先看一下,RTC的工作过程。
RTC工作过程及寄存器

图中浅灰色的部分都是属于备份域的,在VDD掉电时可在VBAT的驱动下继续运行.这部分仅包括RTC的分频器,计数器,和闹钟控制器.若VDD电源有效,RTC可以触发RTC_Second(秒中断)、RTC_Overflow(溢出事件)和RTC_Alarm(闹钟中断).从结构图可以看到到,其中的定时器溢出事件无法被配置为中断.如果STM32原本处于待机状态,可由闹钟事件或WKUP事件(外部唤醒事件,属于EXTI模块,不属于RTC)使它退出待机模式.闹钟事件是在计数器RTC_CNT的值等于闹钟寄存器RTC_ALR的值时触发的.
因为RTC的寄存器是属于备份域,所以它的所有寄存器都是16位的.它的计数RTC_CNT的32位由RTC_CNTL和RTC_CNTH两个寄存器组成,分别保存计数值的低16位和高16位.在配置RTC模块的时钟时,把输入的32768Hz的RTCCLK进行32768分频得到实际驱动计数器的时钟TR_CLK = RTCCLK/37768 = 1Hz,计时周期为1秒,计时器在TR_CLK的驱动下计数,即每秒计数器RTC_CNT的值加1(常用)
RTC只是一个时钟,但与RTC相连的有两个系统时钟,一个是APB1接口的PCLK1另一个是RTC时钟。这样,RTC功能也就分为两个部分:第一部分,APB1接口部分,与APB1总线相连,MCU也就是通过这条总线对其进行读写操作。另一部分,RTC核,由一系列可编程计数器组成,这部分又再细分为两个组件:预分频模块与32位可编程计数器。预分频模块用来产生最长为1秒的RTC时间基准,而32位的可编程的计数器可被初始化为当前的系统时间。
RTC核心模块
第一模块:RTC的预分频模块(可编程产生1s的RTC时间基准TR_CLK)20位的预分频器,如果在 RTC_CR 寄存器中设置了相应的允许位,则在每个TR_CLK 周期中 RTC 产生一个中断(秒中断)。
第二模块:32位计数器(可初始化当前系统时间),可被初始化为当前的系统时间,一个 32 位的时钟计数器,按秒钟计算,可以记录 4294967296 秒,约合 136 年 左右,作为一般应用,这已经是足够了的。(RTC_CNT是一个32位寄存器,可存储的最大值为(232-1),这样的话就是在232秒之后溢出,大概换算为:Time = 2 32 /365/24/60/60大约等于136年)感兴趣的可以看一下UNIX时间戳;
闹钟寄存器RTC_ALR:
需要了解一下RTC的原理,先来看一下相关的寄存器。
RTC 的控制寄存器
RTC_CRL:
0位:进入秒中断后,可判断该位为1决定发生了中断,必须写0清除
3位:寄存器同步标志位,没有同步之前,不被允许修改RTC_CRT/CRL的值,必须先判断该位为1时,同步了。
4位:在修改RTC_CNT/RTC_ALR/RTC_PRL的值前,必须置该位为1,进入配置模式。
5位:RTC操作位,由硬件操作,软件只读,判断该位为1时,表示上一次操作已经完成,才可进行下一次操作。
RTC_CRH:0-3位置1,允许溢出中断、闹钟中断、秒中断。
RTC 总共有 2 个控制寄存器 RTC_CRH 和 RTC_CRL,且两个都是 16 位的。

该寄存器用来控制中断的,我们本次实验将要用到秒钟中断,所以在该寄存器必须设置最低位为 1,以允许秒钟中断。

本次我们用到的是该寄存器的 0、3~5 这几个位。
第 0 位是秒钟标志位,我们在进入闹钟中断的时候,通过判断这位来决定是不是发生了秒钟中断。然后必须通过软件将该位清零(写0)。
第 3 位为寄存器同步标志位,我们在修改控制寄存器 RTC_CRH/CRL 之前,必须先判断该位,是否已经同步了,如果没有则等待同步,在没同步的情况下修改 RTC_CRH/CRL 的值是不行的。
第 4 位为配置标位,在软件修改 RTC_CNT/RTC_ALR/RTC_PRL 的值的时候,必须先软件置位该位,以允许进入配置模式。
第 5 位为 RTC 操作位,该位由硬件操作,软件只读。通过该位可以判断上次对 RTC 寄存器的操作是否完成,如果没有,我们必须等待上一次操作结束才能开始下一次操作。
RTC 预分频装载寄存器
TRC_PRLH:低4位有效,存放PRL的19-16位
TRC_PRLL:存放PRL的前16位
也有 2 个寄存器组成, RTC_PRLH 和RTC_PRLL。这两个寄存器用来配置 RTC 时钟的分频数的,比如我们使用外部 32.768K 的晶振作为时钟的输入频率,那么我们要设置这两个寄存器的值为 32767,以得到一秒钟的计数频率。
RTC_PRLH 的各位描述如图 20.1.4 所示:

从图 20.1.4 可以看出, RTC_PRLH 只有低四位有效,用来存储 PRL 的 19~16 位。而 PRL的前 16 位,存放在 RTC_PRLL 里面,寄存器 RTC_PRLL 的各位描述如图 20.1.5 所示:

RTC 预分频器余数寄存器
该寄存器也有 2 个寄存器组成 RTC_DIVH 和 RTC_DIVL,这两个寄存器的作用就是用来获得比秒钟更为准确的时钟,比如可以得到 0.1 秒,或者 0.01 秒等。该寄存器的值自减的,用于保存还需要多少时钟周期获得一个秒信号。在一次秒钟更新后,由硬件重新装载。这两个寄存器和 RTC 预分频装载寄存器的各位是一样的。
RTC 计数器寄存器 RTC_CNT
2个16位寄存器组成,共32位RTC_CNTH、RTC_CNTL:用来存放秒钟值
该寄存器由 2 个 16位的寄存器组成 RTC_CNTH 和 RTC_CNTL,总共 32 位,用来记录秒钟值(一般情况下)。此两个计数器也比较简单,我们也不多说了。注意一点,在修改这个寄存器的时候要先进入配置模式。
RTC 闹钟寄存器
RTC_ALRH、RTC_ALRL:
用来记录闹钟产生的时间,当RTC_CNT与RTC_ALR的值相等时,则产生闹钟中断,条件是使能了中断且进入了寄存器的配置模式了。
该寄存器也是由 2 个 16 为
的寄存器组成 RTC_ALRH 和 RTC_ALRL。总共也是 32 位,用来标记闹钟产生的时间(以秒为单位),如果 RTC_CNT 的值与 RTC_ALR 的值相等,并使能了中断的话,会产生一个闹钟中断。该寄存器的修改也要进入配置模式才能进行。
STM32 的备份寄存器
执行如下操作对备份寄存器和RTC进行访问
1)设置寄存器RCC_APB1ENR的PWREN和BKPEN位打开电源和后备时钟
2)电源后备寄存器(PWR_CR)的DBP位使能对后备寄存器和RTC的访问。
备份寄存器是 42 个 16 位的寄存器(大容量),可用来存储 84 个字节的用户应用程序数据。他们处在备份域里,当 VDD 电源被切断,他们仍然由 VBAT (备用电源)维持供电。即使系统在待机模式下被唤醒,或系统复位或电源复位时,他们也不会被复位。此外, BKP 控制寄存器用来管理侵入检测和 RTC 校准功能,这里我们不作介绍。复位后,对备份寄存器和 RTC 的访问被禁止,并且备份域被保护以防止可能存在的意外的写操作。执行以下操作可以使能对备份寄存器和 RTC 的访问:
1)通过设置寄存器 RCC_APB1ENR 的 PWREN 和 BKPEN 位来打开电源和后备接口的时钟
2)电源控制寄存器(PWR_CR)的 DBP 位来使能对后备寄存器和 RTC 的访问。我们一般用 BKP 来存储 RTC 的校验值或者记录一些重要的数据,相当于一个 EEPROM,不过这个 EEPROM 并不是真正的 EEPROM,而是需要电池来维持它的数据。关于 BKP 的详细介绍请看《STM32 参考手册》的第 47 页, 5.1 一节。
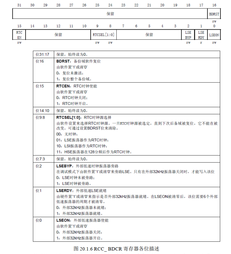
备份区域控制寄存器RCC_BDCR

RTC 的时钟源选择及使能设置都是通过这个寄存器来实现的,所以我们在 RTC 操作之前先要通过这个寄存器选择 RTC 的时钟源,然后才能开始其他的操作。
提到时钟源,就要讲解一下,RTC的时钟源来源:
1,高速外部时钟的128分频:HSE/128;
2,低速内部时钟LSI;
3,低速外部时钟LSE;
二、实验部分
步骤分解
1. 使能电源时钟和备份区域时钟
2. 取消备份区写保护
3. 复位备份区域,开启外部低速振荡器
4. 选择 RTC 时钟,并使能
5. 设置 RTC 的分频,以及配置 RTC 时钟
6. 更新配置,设置 RTC 中断分组
7. 编写中断服务函数
RTC 相关的库函数在文件 stm32f10x_rtc.c 和 stm32f10x_rtc.h 文件中, BKP 相关的库函数在
文件 stm32f10x_bkp.c 和文件 stm32f10x_bkp.h 文件中
1、RTC时钟源和时钟操作函数;
void RCC_RTCCLKConfig(uint32_t CLKSource);//时钟源选择;
void RCC_RTCCLKCmd(FunctionalState NewState);//时钟使能;
2、RTC初始化函数
ErrorStatus RTC_Init(RTC_InitTypeDef* RTC_InitStruct);
trypedef struct
{
uint32_t RTC_HourFormat;//小时格式:24/12
uint32_t RTC_AsynchPrediv;//异步分频系数
uint32_t RTC_SynchPrediv;//同步分频系数;
}RTC_InitTypeDef;
3、日历配置相关函数
ErrorStatus RTC_SetTime(uint32_t RTC_Format,RTC_TimeTypeDef* RTC_TimeStruct);
void RTC_GetTime(uint32_t RTC_Format,RTC_TimeTypeDef* RTC_TimeStruct);
ErrorStatus RTC_SetDate(uint32_t RTC_Format,RTC_Dae TypeDef* RTC_DataStruct);
void RTC_GetDate(uint32_t RTC_Format,RTC_Date TypeDef* RTC_DateStruct);
uint32_t RTC_GetSubSecond(void);
4、RTC闹钟相关函数
ErrorStatus RTC_AlarmCmd(uint32_t RTC_Alarm,FunctionalState NewState);
void RTC_SetAlarm();
void RTC_GetAlarm();
void RTC_AlarmSubSecondConfig();
uint32_t RTC_GetAlarmSubSecond(uint32_t RTC_Alarm);
5、RTC周期唤醒相关函数:
void RTC_WakeUpClockConfig();
void RTC_SetWakeUpCounter();
uint32_t RTC_GetWakeUpCounter(void);
RTC_WakeUpCmd(DISABLE);//关闭WAKEUP
6、RTC中断配置以及状态相关函数
void RTC_ITConfig();
FlagStatus RTC_GetFlgStatus(uint32_t RTC_FLAG);
void RTC_ClearFlag(uint32_t RTC_FLAG);
ITStatus RTC_GetITStatus(uint32_t RTC_IT);
void RTC_ClearITPendingBit();
7、RTC相关约束函数
void RTC_WriteProtectionCmd();//取消写保护
ErrorStatus RTC_EnterInitNode();//进入配hi模式,RTC_ISR_INITF位设置位1
void RTC_ExitInitMode(void);//退出初始化模式
8、其他函数
uint32_t RTC_ReadBackupRegister();
void RTC_WriteBackupRegister();
void RTC_ITConfig();
1. 使能电源时钟和备份区域时钟
前面已经介绍了,我们要访问 RTC 和备份区域就必须先使能电源时钟和备份区域时钟。
RCC_APB1PeriphClockCmd(RCC_APB1Periph_PWR | RCC_APB1Periph_BKP, ENABLE);
2. 取消备份区写保护
要向备份区域写入数据,就要先取消备份区域写保护(写保护在每次硬复位之后被使能),否则是无法向备份区域写入数据的。我们需要用到向备份区域写入一个字节,来标记时钟已经配置过了,这样避免每次复位之后重新配置时钟。 取消备份区域写保护的库函数实现方法是:
PWR_BackupAccessCmd(ENABLE); //使能 RTC 和后备寄存器访问
3. 复位备份区域,开启外部低速振荡器
在取消备份区域写保护之后,我们可以先对这个区域复位,以清除前面的设置,当然这个
操作不要每次都执行,因为备份区域的复位将导致之前存在的数据丢失,所以要不要复位,要看情况而定。然后我们使能外部低速振荡器,注意这里一般要先判断 RCC_BDCR 的 LSERDY位来确定低速振荡器已经就绪了才开始下面的操作。
BKP_DeInit();//复位备份区域
RCC_LSEConfig(RCC_LSE_ON);// 开启外部低速振荡器
4.选择 RTC 时钟,并使能。
这里我们将通过 RCC_BDCR 的 RTCSEL 来选择选择外部 LSI 作为 RTC 的时钟。然后通过RTCEN 位使能 RTC 时钟。
RCC_RTCCLKConfig(RCC_RTCCLKSource_LSE); //选择 LSE 作为 RTC 时钟
对于 RTC 时钟的选择,还有 RCC_RTCCLKSource_LSI 和 RCC_RTCCLKSource_HSE_Div128两个,顾名思义,前者为 LSI,后者为 HSE 的 128 分频,这在时钟系统章节有讲解过。使能 RTC 时钟的函数是:
RCC_RTCCLKCmd(ENABLE); //使能 RTC 时钟
5.设置 RTC 的分频,以及配置 RTC 时钟。
在开启了 RTC 时钟之后,我们要做的就是设置 RTC 时钟的分频数,通过 RTC_PRLH 和RTC_PRLL 来设置,然后等待 RTC 寄存器操作完成,并同步之后,设置秒钟中断。然后设置RTC 的允许配置位(RTC_CRH 的 CNF 位), 设置时间(其实就是设置 RTC_CNTH 和 RTC_CNTL两个寄存器)。 下面我们一一这些步骤用到的库函数:在进行 RTC 配置之前首先要打开允许配置位(CNF),库函数是:
RTC_EnterConfigMode();/// 允许配置
在配置完成之后,千万别忘记更新配置同时退出配置模式,函数是:
RTC_ExitConfigMode();//退出配置模式, 更新配置
设置 RTC 时钟分频数, 库函数是:
void RTC_SetPrescaler(uint32_t PrescalerValue);
这个函数只有一个入口参数,就是 RTC 时钟的分频数,很好理解。
然后是设置秒中断允许, RTC 使能中断的函数是:
void RTC_ITConfig(uint16_t RTC_IT, FunctionalState NewState);
这个函数的第一个参数是设置秒中断类型,这些通过宏定义定义的。 对于使能秒中断方法是:
RTC_ITConfig(RTC_IT_SEC, ENABLE); //使能 RTC 秒中断
下一步便是设置时间了,设置时间实际上就是设置 RTC 的计数值,时间与计数值之间是需要换算的。库函数中设置 RTC 计数值的方法是:
void RTC_SetCounter(uint32_t CounterValue)//最后在配置完成之后
6.更新配置,设置 RTC 中断分组。
在设置完时钟之后,我们将配置更新同时退出配置模式,这里还是通过 RTC_CRH 的 CNF
来实现。
RTC_ExitConfigMode();//退出配置模式,更新配置
在退出配置模式更新配置之后我们在备份区域 BKP_DR1 中写入 0X5050 代表我们已经初始化过时钟了,下次开机(或复位)的时候,先读取 BKP_DR1 的值,然后判断是否是 0X5050 来决定是不是要配置。接着我们配置 RTC 的秒钟中断,并进行分组。
往备份区域写用户数据的函数是:
void BKP_WriteBackupRegister(uint16_t BKP_DR, uint16_t Data);
这个函数的第一个参数就是寄存器的标号了,这个是通过宏定义定义的。 比如我们要往
BKP_DR1 写入 0x5050,方法是:
BKP_WriteBackupRegister(BKP_DR1, 0X5050);
同时,有写便有读,读取备份区域指定寄存器的用户数据的函数是
uint16_t BKP_ReadBackupRegister(uint16_t BKP_DR);
7. 编写中断服务函数
我们要编写中断服务函数,在秒钟中断产生的时候,读取当前的时间值,并显示到
oled 模块上。
代码部分
rtc.c文件代码//注意:代码中的乱码,复制在keil5中可以恢复,便于读者编译运行。
#include "sys.h"
#include "delay.h"
#include "usart.h"
#include "rtc.h"
_calendar_obj calendar;//ʱÖӽṹÌå
static void RTC_NVIC_Config(void)
{
NVIC_InitTypeDef NVIC_InitStructure;
NVIC_InitStructure.NVIC_IRQChannel = RTC_IRQn; //RTCÈ«¾ÖÖжÏ
NVIC_InitStructure.NVIC_IRQChannelPreemptionPriority = 0; //ÏÈÕ¼ÓÅÏȼ¶1λ,´ÓÓÅÏȼ¶3λ
NVIC_InitStructure.NVIC_IRQChannelSubPriority = 0; //ÏÈÕ¼ÓÅÏȼ¶0λ,´ÓÓÅÏȼ¶4λ
NVIC_InitStructure.NVIC_IRQChannelCmd = ENABLE; //ʹÄܸÃͨµÀÖжÏ
NVIC_Init(&NVIC_InitStructure); //¸ù¾ÝNVIC_InitStructÖÐÖ¸¶¨µÄ²ÎÊý³õʼ»¯ÍâÉèNVIC¼Ä´æÆ÷
}
//ʵʱʱÖÓÅäÖÃ
//³õʼ»¯RTCʱÖÓ,ͬʱ¼ì²âʱÖÓÊÇ·ñ¹¤×÷Õý³£
//BKP->DR1ÓÃÓÚ±£´æÊÇ·ñµÚÒ»´ÎÅäÖõÄÉèÖÃ
//·µ»Ø0:Õý³£
//ÆäËû:´íÎó´úÂë
u8 RTC_Init(void)
{
//¼ì²éÊDz»ÊǵÚÒ»´ÎÅäÖÃʱÖÓ
u8 temp=0;
RCC_APB1PeriphClockCmd(RCC_APB1Periph_PWR | RCC_APB1Periph_BKP, ENABLE); //ʹÄÜPWRºÍBKPÍâÉèʱÖÓ
PWR_BackupAccessCmd(ENABLE); //ʹÄܺ󱸼ĴæÆ÷·ÃÎÊ
if (BKP_ReadBackupRegister(BKP_DR1) != 0x5050) //´ÓÖ¸¶¨µÄºó±¸¼Ä´æÆ÷ÖжÁ³öÊý¾Ý:¶Á³öÁËÓëдÈëµÄÖ¸¶¨Êý¾Ý²»Ïàºõ
{
BKP_DeInit(); //¸´Î»±¸·ÝÇøÓò
RCC_LSEConfig(RCC_LSE_ON); //ÉèÖÃÍⲿµÍËÙ¾§Õñ(LSE),ʹÓÃÍâÉèµÍËÙ¾§Õñ
while (RCC_GetFlagStatus(RCC_FLAG_LSERDY) == RESET&&temp<250) //¼ì²éÖ¸¶¨µÄRCC±ê־λÉèÖÃÓë·ñ,µÈ´ýµÍËÙ¾§Õñ¾ÍÐ÷
{
temp++;
delay_ms(10);
}
if(temp>=250)return 1;//³õʼ»¯Ê±ÖÓʧ°Ü,¾§ÕñÓÐÎÊÌâ
RCC_RTCCLKConfig(RCC_RTCCLKSource_LSE); //ÉèÖÃRTCʱÖÓ(RTCCLK),Ñ¡ÔñLSE×÷ΪRTCʱÖÓ
RCC_RTCCLKCmd(ENABLE); //ʹÄÜRTCʱÖÓ
RTC_WaitForLastTask(); //µÈ´ý×î½üÒ»´Î¶ÔRTC¼Ä´æÆ÷µÄд²Ù×÷Íê³É
RTC_WaitForSynchro(); //µÈ´ýRTC¼Ä´æÆ÷ͬ²½
RTC_ITConfig(RTC_IT_SEC, ENABLE); //ʹÄÜRTCÃëÖжÏ
RTC_WaitForLastTask(); //µÈ´ý×î½üÒ»´Î¶ÔRTC¼Ä´æÆ÷µÄд²Ù×÷Íê³É
RTC_EnterConfigMode();/// ÔÊÐíÅäÖÃ
RTC_SetPrescaler(32767); //ÉèÖÃRTCÔ¤·ÖƵµÄÖµ
RTC_WaitForLastTask(); //µÈ´ý×î½üÒ»´Î¶ÔRTC¼Ä´æÆ÷µÄд²Ù×÷Íê³É
RTC_Set(2021,2,9,17,40,00); //ÉèÖÃʱ¼ä
RTC_ExitConfigMode(); //Í˳öÅäÖÃģʽ
BKP_WriteBackupRegister(BKP_DR1, 0X5050); //ÏòÖ¸¶¨µÄºó±¸¼Ä´æÆ÷ÖÐдÈëÓû§³ÌÐòÊý¾Ý
}
else//ϵͳ¼ÌÐø¼ÆÊ±
{
RTC_WaitForSynchro(); //µÈ´ý×î½üÒ»´Î¶ÔRTC¼Ä´æÆ÷µÄд²Ù×÷Íê³É
RTC_ITConfig(RTC_IT_SEC, ENABLE); //ʹÄÜRTCÃëÖжÏ
RTC_WaitForLastTask(); //µÈ´ý×î½üÒ»´Î¶ÔRTC¼Ä´æÆ÷µÄд²Ù×÷Íê³É
}
RTC_NVIC_Config();//RCTÖжϷÖ×éÉèÖÃ
RTC_Get();//¸üÐÂʱ¼ä
return 0; //ok
}
//RTCʱÖÓÖжÏ
//ÿÃë´¥·¢Ò»´Î
//extern u16 tcnt;
void RTC_IRQHandler(void)
{
if (RTC_GetITStatus(RTC_IT_SEC) != RESET)//ÃëÖÓÖжÏ
{
RTC_Get();//¸üÐÂʱ¼ä
}
if(RTC_GetITStatus(RTC_IT_ALR)!= RESET)//ÄÖÖÓÖжÏ
{
RTC_ClearITPendingBit(RTC_IT_ALR); //ÇåÄÖÖÓÖжÏ
RTC_Get(); //¸üÐÂʱ¼ä
printf("Alarm Time:%d-%d-%d %d:%d:%d\n",calendar.w_year,calendar.w_month,calendar.w_date,calendar.hour,calendar.min,calendar.sec);//Êä³öÄÖÁåʱ¼ä
}
RTC_ClearITPendingBit(RTC_IT_SEC|RTC_IT_OW); //ÇåÄÖÖÓÖжÏ
RTC_WaitForLastTask();
}
//ÅжÏÊÇ·ñÊÇÈòÄ꺯Êý
//ÔÂ·Ý 1 2 3 4 5 6 7 8 9 10 11 12
//ÈòÄê 31 29 31 30 31 30 31 31 30 31 30 31
//·ÇÈòÄê 31 28 31 30 31 30 31 31 30 31 30 31
//ÊäÈë:Äê·Ý
//Êä³ö:¸ÃÄê·ÝÊDz»ÊÇÈòÄê.1,ÊÇ.0,²»ÊÇ
u8 Is_Leap_Year(u16 year)
{
if(year%4==0) //±ØÐëÄܱ»4Õû³ý
{
if(year%100==0)
{
if(year%400==0)return 1;//Èç¹ûÒÔ00½áβ,»¹ÒªÄܱ»400Õû³ý
else return 0;
}else return 1;
}else return 0;
}
//ÉèÖÃʱÖÓ
//°ÑÊäÈëµÄʱÖÓת»»ÎªÃëÖÓ
//ÒÔ1970Äê1ÔÂ1ÈÕΪ»ù×¼
//1970~2099ÄêΪºÏ·¨Äê·Ý
//·µ»ØÖµ:0,³É¹¦;ÆäËû:´íÎó´úÂë.
//Ô·ÝÊý¾Ý±í
u8 const table_week[12]={0,3,3,6,1,4,6,2,5,0,3,5}; //ÔÂÐÞÕýÊý¾Ý±í
//ƽÄêµÄÔ·ÝÈÕÆÚ±í
const u8 mon_table[12]={31,28,31,30,31,30,31,31,30,31,30,31};
u8 RTC_Set(u16 syear,u8 smon,u8 sday,u8 hour,u8 min,u8 sec)
{
u16 t;
u32 seccount=0;
if(syear<1970||syear>2099)return 1;
for(t=1970;t<syear;t++) //°ÑËùÓÐÄê·ÝµÄÃëÖÓÏà¼Ó
{
if(Is_Leap_Year(t))seccount+=31622400;//ÈòÄêµÄÃëÖÓÊý
else seccount+=31536000; //ƽÄêµÄÃëÖÓÊý
}
smon-=1;
for(t=0;t<smon;t++) //°ÑÇ°ÃæÔ·ݵÄÃëÖÓÊýÏà¼Ó
{
seccount+=(u32)mon_table[t]*86400;//Ô·ÝÃëÖÓÊýÏà¼Ó
if(Is_Leap_Year(syear)&&t==1)seccount+=86400;//ÈòÄê2Ô·ÝÔö¼ÓÒ»ÌìµÄÃëÖÓÊý
}
seccount+=(u32)(sday-1)*86400;//°ÑÇ°ÃæÈÕÆÚµÄÃëÖÓÊýÏà¼Ó
seccount+=(u32)hour*3600;//СʱÃëÖÓÊý
seccount+=(u32)min*60; //·ÖÖÓÃëÖÓÊý
seccount+=sec;//×îºóµÄÃëÖÓ¼ÓÉÏÈ¥
RCC_APB1PeriphClockCmd(RCC_APB1Periph_PWR | RCC_APB1Periph_BKP, ENABLE); //ʹÄÜPWRºÍBKPÍâÉèʱÖÓ
PWR_BackupAccessCmd(ENABLE); //ʹÄÜRTCºÍºó±¸¼Ä´æÆ÷·ÃÎÊ
RTC_SetCounter(seccount); //ÉèÖÃRTC¼ÆÊýÆ÷µÄÖµ
RTC_WaitForLastTask(); //µÈ´ý×î½üÒ»´Î¶ÔRTC¼Ä´æÆ÷µÄд²Ù×÷Íê³É
return 0;
}
//³õʼ»¯ÄÖÖÓ
//ÒÔ1970Äê1ÔÂ1ÈÕΪ»ù×¼
//1970~2099ÄêΪºÏ·¨Äê·Ý
//syear,smon,sday,hour,min,sec£ºÄÖÖÓµÄÄêÔÂÈÕʱ·ÖÃë
//·µ»ØÖµ:0,³É¹¦;ÆäËû:´íÎó´úÂë.
u8 RTC_Alarm_Set(u16 syear,u8 smon,u8 sday,u8 hour,u8 min,u8 sec)
{
u16 t;
u32 seccount=0;
if(syear<1970||syear>2099)return 1;
for(t=1970;t<syear;t++) //°ÑËùÓÐÄê·ÝµÄÃëÖÓÏà¼Ó
{
if(Is_Leap_Year(t))seccount+=31622400;//ÈòÄêµÄÃëÖÓÊý
else seccount+=31536000; //ƽÄêµÄÃëÖÓÊý
}
smon-=1;
for(t=0;t<smon;t++) //°ÑÇ°ÃæÔ·ݵÄÃëÖÓÊýÏà¼Ó
{
seccount+=(u32)mon_table[t]*86400;//Ô·ÝÃëÖÓÊýÏà¼Ó
if(Is_Leap_Year(syear)&&t==1)seccount+=86400;//ÈòÄê2Ô·ÝÔö¼ÓÒ»ÌìµÄÃëÖÓÊý
}
seccount+=(u32)(sday-1)*86400;//°ÑÇ°ÃæÈÕÆÚµÄÃëÖÓÊýÏà¼Ó
seccount+=(u32)hour*3600;//СʱÃëÖÓÊý
seccount+=(u32)min*60; //·ÖÖÓÃëÖÓÊý
seccount+=sec;//×îºóµÄÃëÖÓ¼ÓÉÏÈ¥
//ÉèÖÃʱÖÓ
RCC_APB1PeriphClockCmd(RCC_APB1Periph_PWR | RCC_APB1Periph_BKP, ENABLE); //ʹÄÜPWRºÍBKPÍâÉèʱÖÓ
PWR_BackupAccessCmd(ENABLE); //ʹÄܺ󱸼ĴæÆ÷·ÃÎÊ
//ÉÏÃæÈý²½ÊDZØÐëµÄ!
RTC_SetAlarm(seccount);
RTC_WaitForLastTask(); //µÈ´ý×î½üÒ»´Î¶ÔRTC¼Ä´æÆ÷µÄд²Ù×÷Íê³É
return 0;
}
//µÃµ½µ±Ç°µÄʱ¼ä
//·µ»ØÖµ:0,³É¹¦;ÆäËû:´íÎó´úÂë.
u8 RTC_Get(void)
{
static u16 daycnt=0;
u32 timecount=0;
u32 temp=0;
u16 temp1=0;
timecount=RTC_GetCounter();
temp=timecount/86400; //µÃµ½ÌìÊý(ÃëÖÓÊý¶ÔÓ¦µÄ)
if(daycnt!=temp)//³¬¹ýÒ»ÌìÁË
{
daycnt=temp;
temp1=1970; //´Ó1970Ä꿪ʼ
while(temp>=365)
{
if(Is_Leap_Year(temp1))//ÊÇÈòÄê
{
if(temp>=366)temp-=366;//ÈòÄêµÄÃëÖÓÊý
else {temp1++;break;}
}
else temp-=365; //ƽÄê
temp1++;
}
calendar.w_year=temp1;//µÃµ½Äê·Ý
temp1=0;
while(temp>=28)//³¬¹ýÁËÒ»¸öÔÂ
{
if(Is_Leap_Year(calendar.w_year)&&temp1==1)//µ±ÄêÊDz»ÊÇÈòÄê/2Ô·Ý
{
if(temp>=29)temp-=29;//ÈòÄêµÄÃëÖÓÊý
else break;
}
else
{
if(temp>=mon_table[temp1])temp-=mon_table[temp1];//ƽÄê
else break;
}
temp1++;
}
calendar.w_month=temp1+1; //µÃµ½Ô·Ý
calendar.w_date=temp+1; //µÃµ½ÈÕÆÚ
}
temp=timecount%86400; //µÃµ½ÃëÖÓÊý
calendar.hour=temp/3600; //Сʱ
calendar.min=(temp%3600)/60; //·ÖÖÓ
calendar.sec=(temp%3600)%60; //ÃëÖÓ
calendar.week=RTC_Get_Week(calendar.w_year,calendar.w_month,calendar.w_date);//»ñÈ¡ÐÇÆÚ
return 0;
}
//»ñµÃÏÖÔÚÊÇÐÇÆÚ¼¸
//¹¦ÄÜÃèÊö:ÊäÈ빫ÀúÈÕÆÚµÃµ½ÐÇÆÚ(Ö»ÔÊÐí1901-2099Äê)
//ÊäÈë²ÎÊý£º¹«ÀúÄêÔÂÈÕ
//·µ»ØÖµ£ºÐÇÆÚºÅ
u8 RTC_Get_Week(u16 year,u8 month,u8 day)
{
u16 temp2;
u8 yearH,yearL;
yearH=year/100; yearL=year%100;
// Èç¹ûΪ21ÊÀ¼Í,Äê·ÝÊý¼Ó100
if (yearH>19)yearL+=100;
// Ëù¹ýÈòÄêÊýÖ»Ëã1900ÄêÖ®ºóµÄ
temp2=yearL+yearL/4;
temp2=temp2%7;
temp2=temp2+day+table_week[month-1];
if (yearL%4==0&&month<3)temp2--;
return(temp2%7);
}
main.c文件
#include "delay.h"
#include "sys.h"
#include "usart.h"
#include "rtc.h"
#include "stm32f10x.h"
int main(void)
{
u8 t=1;
delay_init();
NVIC_PriorityGroupConfig(NVIC_PriorityGroup_2);
OLED_Init();
RTC_Init();
while (1)
{
if(t!=calendar.sec)
{
t=calendar.sec;
/*OLED_ShowNum(0,0,calendar.w_year,2,24);
OLED_ShowString(24,0,"-",24);
OLED_ShowNum(36,0,calendar.w_month,2,24);
OLED_ShowString(60,0,"-",24);
OLED_ShowNum(72,0,calendar.w_date,2,24);
*/
switch(calendar.week)
{
case 0:
OLED_ShowString(0,24,"Sunday",24);break;
case 1:
OLED_ShowString(0,24,"Monday",24);break;
case 2:
OLED_ShowString(0,24,"Tuesday",24);break;
case 3:
OLED_ShowString(0,24,"Wednesday",24);break;
case 4:
OLED_ShowString(0,24,"Thursday",24);break;
case 5:
OLED_ShowString(0,24,"friday",24);break;
case 6:
OLED_ShowString(0,24,"Saturday",24);break;
}
OLED_ShowNum(0,0,calendar.hour,2,24);
OLED_ShowString(24,0,"-",24);
OLED_ShowNum(36,0,calendar.min,2,24);
OLED_ShowString(60,0,"-",24);
OLED_ShowNum(72,0,calendar.sec,2,24);
OLED_Refresh_Gram();
}
delay_ms(10);
}
}
总结
今天的文章就讲到这里,觉得写的还行的小伙伴,点赞加关注。如果还是看不懂的话,点击链接,小破站视频链接直达

浙公网安备 33010602011771号