mux and dff(1)
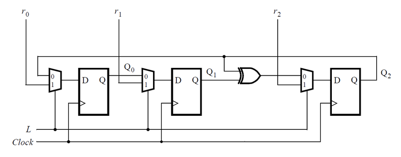
Taken from ECE253 2015 midterm question 5 Consider the sequential circuit below:
Mt2015 muxdff - HDLBits (01xz.net)

1 module top_module ( 2 input clk, 3 input L, 4 input r_in, 5 input q_in, 6 output reg Q); 7 always @(posedge clk) begin 8 Q <= L?r_in:q_in; 9 end 10 endmodule

浙公网安备 33010602011771号