会员
周边
新闻
博问
闪存
众包
赞助商
Chat2DB
所有博客
当前博客
我的博客
我的园子
账号设置
会员中心
简洁模式
...
退出登录
注册
登录
Loading
青芒果冻
博客园
首页
联系
管理
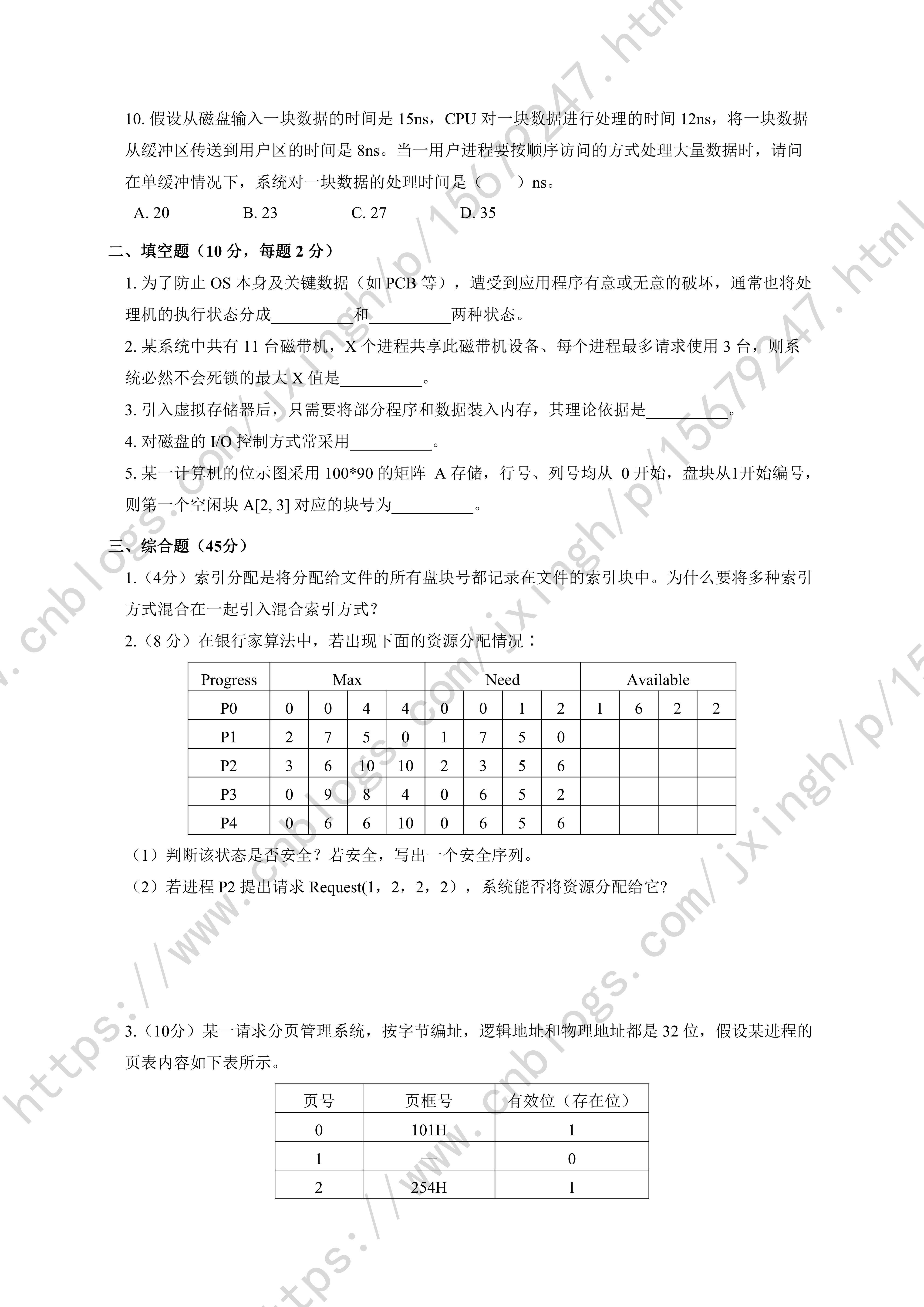
电子科技大学 820 模拟题
需要答案的请私聊我~
posted @
2021-12-12 14:41
青芒果冻
阅读(
70
) 评论(
1
)
收藏
举报
刷新页面
返回顶部
公告