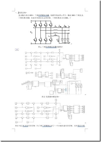
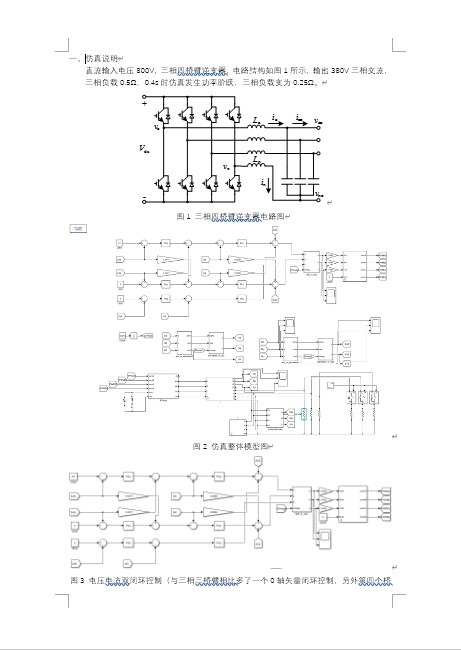
两电平三相四桥臂逆变器(直流800V-交流380V整流)仿真,采用dq矢量控制(PI控制器)实现,仿真动稳态性能良好,附带仿真介绍文档,详细讲述仿真搭建过程,并附带参考文献与原理出处,内容详实,适合电力电子入门仿真参考。

YID:6915683421809710


34562
posted on 2023-03-30 09:38  瓦特蒸汽机  阅读(223)  评论(0)    收藏  举报