感应异步电机的无传感器矢量控制,完整的C代码+仿真模型:
1. 基于“电压模型+电流模型”的磁链观测器,实现转子磁场定向控制(FOC),可实现电机在低速、中高速段的高精度的转速估算;
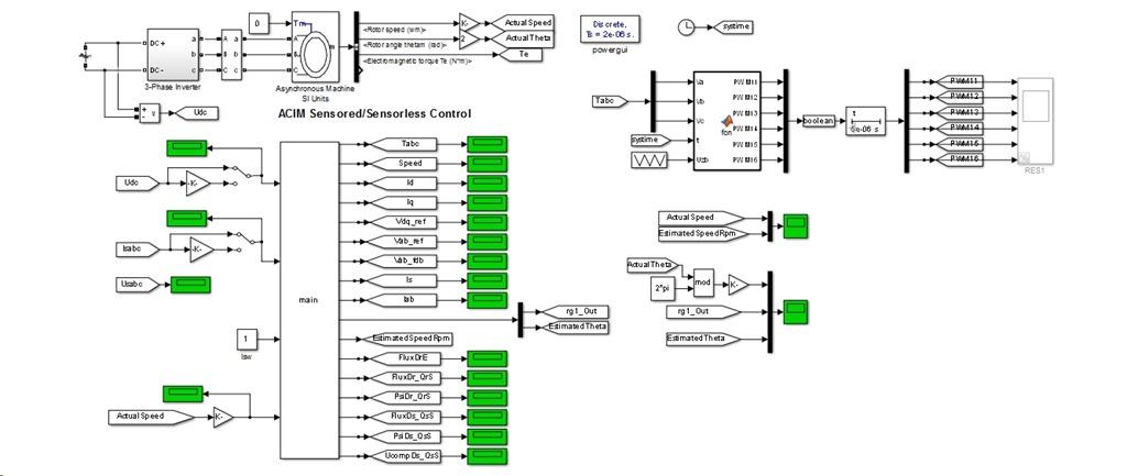
代码已经成功移植到DSP芯片(TMS320F28335)和STM32F107中,对一台额定功率为33kW的异步电机进行了无传感器矢量控制,波形和试验台架数据见下图。
2. 可实现电机带满载零速启动,抗负载扰动性强,响应速度快,控制精度高;
3. SVPWM空间电压矢量调制,定子电流波形的畸变率低;
4.采用S-Function的方式,把C代码直接在simulink下进行仿真,所见即所得 
5.详细的算法原理推导,跟程序代码是完全对应的。
YID:89300676415301211
 
                     
                    
                 
                    
                 









 
                
            
         
         浙公网安备 33010602011771号
浙公网安备 33010602011771号