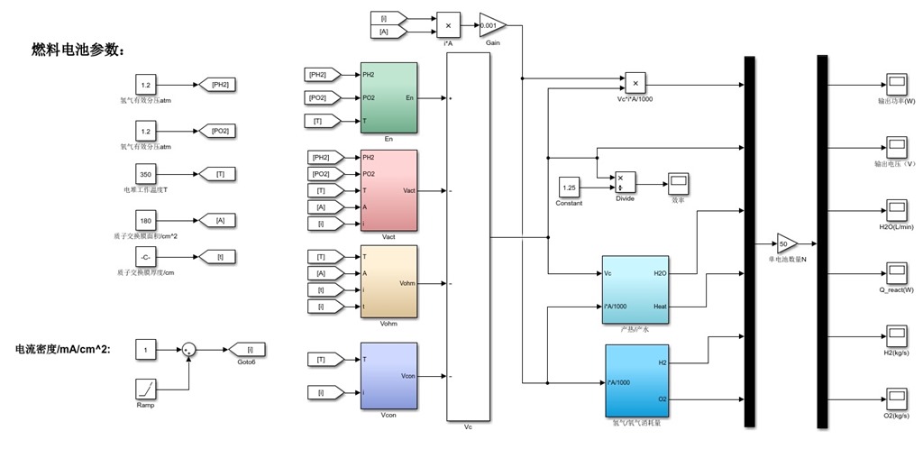
质子交换膜燃料电池(PEMFC) Simulink模型 包括静态模型和动态模型(两个独立模型
质子交换膜燃料电池(PEMFC) Simulink模型
包括静态模型和动态模型(两个独立模型
可计算输出电压、输出功率、效率、产热量、产水量、氢氧消耗速率等
附带参考公式、参考文献
YID:5114675968585370
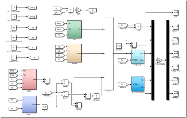
质子交换膜燃料电池(PEMFC) Simulink模型
包括静态模型和动态模型(两个独立模型
可计算输出电压、输出功率、效率、产热量、产水量、氢氧消耗速率等
附带参考公式、参考文献
YID:5114675968585370